- 引言
在书数电触发器学习过程中,我们首要学会的就是绘画电压波形图,这块大家会觉得比较容易,只需要记住相应触发器特性表就行,但也有特殊情况。在画主从触发器时(这里指的是主从SR触发器和主从JK触发器),有些情况时,仅仅依据特性表画图会出现错误,笔者今天就是讨论这个问题,让大家排除这章学习的最大难点。

常见触发器分类
- 分析
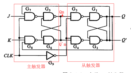
我会以主从JK触发器为例来说明,先给出主从JK触发器特性表,以便大家对照

下面是关于JK触发器画波形图的一道例题

大家仔细看下,在1处下,J=0,K=0,保持,本应该是Q=1,实际Q=0;在2处脉冲下,J=0,K=1,置0,本应该是Q=0,实际Q=1;难道是特性表失效了?准确来说是条件变了,以上不符特性表都有个共性:在CLK=1时,J与K状态发生了变化,这有为何会影响输出呢?这点我们需要从主从结构的特点说起。

当CLK=1时,主触发器开启,从触发器关闭;当CLK=0时,反之。
其实J、K控制的是主触发器,Q状态取决于Qm在CLK=1时,J、K先决定Qm和Q’m的状态,一旦CLK=0,从触发器开启,Qm和Q’m又决定Q和Q状态。这也解释了它为何是脉冲触发。而且在CLK=1且J、K不变化时,Qm和Q状态一样。一旦CLK=1时,J、K状态改变,Qm也会改变,而我们的特性是根据脉冲下降沿那一时刻J与K的状态变化,此时Qm已经不是之前的状态了,Q也必然会变,也就出现了特性表失效的情况。
这时又有个疑问:J、K变化几次,Qm状态就会变化几次呢?答案是对于主从JK触发器来说主触发器只能翻转一次(但主从RS触发器可以),原因在于主从JK触发器结构中的反馈线。

Qm与Q状态相同,当Q=0时,主触发器只接受置1信号的输入信号;当Q=1时,主触发器只接受置0信号。举个例子:设Qm=Q=1,CLK=1时,J=1,R=0变为J=0,R=1,此时Qm=0。当J=1,R=0,由于Q’=0,J输出无效,Qm依然为0。这也就说明了为啥主从JK触发器来说主触发器只能翻转一次,这一次翻转也就决定了Q的状态。
-
小结
碰到主从触发器画输出波形图,若在CLK=1期间J、K状态发生变化时,需要考虑中间状态(Qm),而不能仅仅依靠特性表(可能会失效)。这也是主从结构的一个缺点吧,为啥要做边沿触发器,就是为了避免这点。
最后
以上就是怕孤独哈密瓜最近收集整理的关于主从触发器画波形图注意事项的全部内容,更多相关主从触发器画波形图注意事项内容请搜索靠谱客的其他文章。
发表评论 取消回复