同步:所有触发器是同时接收到CP的信号
异步:不是同步的就是异步
时序电路分析步骤
写出clock equation,output equation drive equation(时钟,输出,驱动)的逻辑表达式
输出有可能是没有的,只有状态输出认为是没有,而同步的时序逻辑电路中,所有的始终都一样,没必要写
驱动:R,S,D,JK触发器等的逻辑表达式
将驱动方程带入特征方程化简得到状态方程 state equation
写出状态转换表,转换图或时序图,波形图
state transition table,state transition diagram
没有特殊要求时,不需要全部写出来
根据状态图总结出电路的功能
τ型符号让电平型变成了边沿型触发器
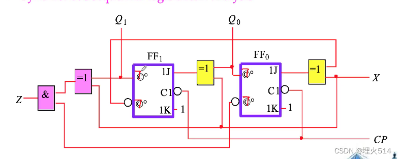
有Q1,Q0状态输出,但还有输出Z,因此需要列出状态方程
这是一个同步电路,CP是同时到达FF0和FF1的

时钟方程:CP0 = CP1 =CP
输出方程 Z = (X异或Q1n)and Q0n非 //行业默认:用现态表示,因此可以把n省去
![]()
驱动方程:
CP不在驱动方程之列
状态方程
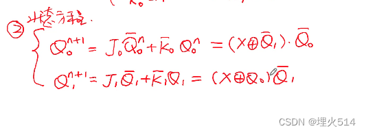
用JKQ表示Qn+1,然后将JK与X的关系代入得到用X与Qn表达的Qn+1
状态转换表
X = 0,则和0异或全是它自己

X = 1,和 1异或全是自己的反

然后开始画图

实际上还有个11态,它不在循环内

但是,如果它可以进入到循环状态中的某个状态,则叫自启动。
如果是11 到11,自己循环自己,就叫无自启动。
箭头表示状态循环。一个状态即在左边也在右边

![]()
状态转换图
Q1Q0 = 00,01,10,根据上面的图中循环画出
X= 0时红色,X=1时蓝线
1/0表示 输入X=1得到输出Z=0

功能:可逆的3进制计数器。3个状态循环,因此可以记下三个数,并且循环,所以可逆
X =0是加计数,X=1是减计数

![]()
可控模3计数器
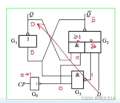
异步电路
CP信号不是同时到达FF0和FF1的
D触发器上升沿

单个D触发器作为一位二进制数的计数
输出方程:

时钟方程:
CP0 =CP
CP1 =Q0
驱动:
状态
第一个方程只在CP上升沿发生,第二个只在Q0上升沿发生,它们不是同时进行的
状态表:

状态图

时序图

时序电路的功能大部分情况下可以视为是计数器,则这里4个状态,就相当于4进制计数器
0,3,2,1 减法计数器
或称 2位2进制异步计数器
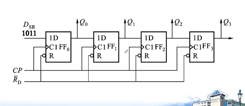
寄存器

并行寄存器


74LS373
它的一个单元如图所示

只有一个CP

OC(output control)

373也叫8D锁存器(latche)
寄存器的一个功能是视觉停留:让你的显示器能多显示一会,不至于 看不清或来不及看就闪过去

放慢10倍,让原本1秒内显示的0-9,变成10s内显示,更清晰
移位寄存器
a 串入串出
c并入串出
d串入并出
e并入并出
fg:循环计数器



最后
以上就是正直黄蜂最近收集整理的关于数电 时序逻辑电路的全部内容,更多相关数电内容请搜索靠谱客的其他文章。
发表评论 取消回复