异步计数器
- 下降沿触发
- 上升沿触发
- 异步二进制减法计数器
- 异步十进制计数器
- 二-五-十进制异步计数器74LS290
异步计数器与同步计数器的区别在于触发器是否同步翻转。
在末位+1时,从低位到高位逐位进位方式工作。
原则:每1位从“1”变“0”时,向高位发出进位,使高位翻转。
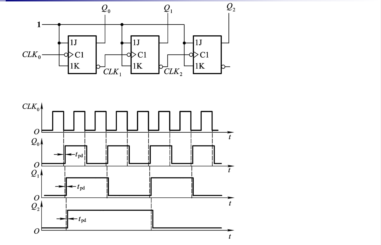
下降沿触发
将低位触发器Q端接至高位触发器,以Q端下降沿作为高位的时钟信号。


上升沿触发
将每一位触发器的进位脉冲改为Q’端输出即可。
异步二进制减法计数器
在末位-1时,从低位到高位逐位借位方式工作。
原则:每1位从“0”变“1”时,向高位发出借位,使高位翻转。

那么可以发现异步二进制加减法计数器都是将低位Q输出端连到高位时钟输入端组成的。
1.下降沿方式:加法:Q为输出端;减法:Q’为输出端
2.上升沿方式:加法:Q’为输出端;减法:Q为输出端

异步十进制计数器
我们希望实现的是可以在4位二进制计数过程修改得到。
则修改时需要解决的问题是:如何使4位二进制计数器在计数过程中跳过1010到1111这6种状态。


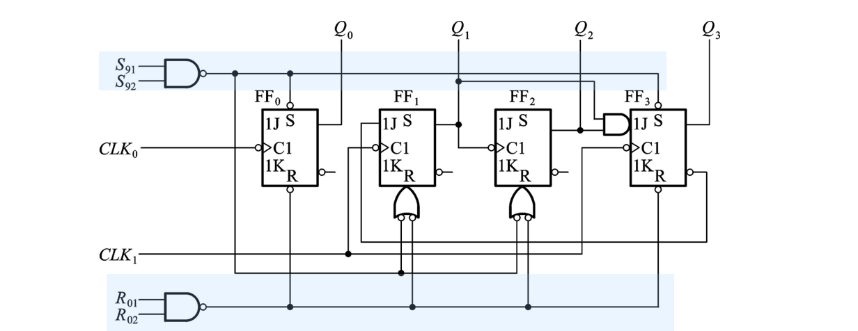
我们引入的是异步十进制加法计数器典型电路。假设所用的触发器为ttl电路,JK端悬空时相当于接入高电平。
与二进制电路不同的是:在FF3前加了一个与门,使J3=Q1Q2。看时序图可知,每次Q0下降沿来时,J3=Q1Q2=0,则FF3可以一直保持0不变。
可以看到当第九个计数脉冲来的时候,Q3Q2Q1Q0=1001;第十个脉冲来时,FF0=0,且Q0的下降沿使FF3置0,则电路从1001返回至0000状态,成为了十进制计数器。
二-五-十进制异步计数器74LS290


二进制计数器(或二分频器 )——只输入计数脉冲CLK0,由Q0输出,FF1 —FF3不用。

五进制计数器(或五分频器)——只输入计数脉冲CLK1 ,由Q3 输出,FF0不用。

十进制计数器(或十分频器)——将CLK1端与Q0连接,输入脉冲CLK0,由Q3 输出。

但使用异步计数器也有使用缺点。1.工作频率较低,可能需要经过各级触发器传输延迟时间之和后才能建立起新状态2.电路状态译码时存在竞争-冒险现象。
最后
以上就是害怕红牛最近收集整理的关于异步计数器的全部内容,更多相关异步计数器内容请搜索靠谱客的其他文章。
发表评论 取消回复