我们已经了解过该如何使用一片74160接成任意进制的计数器, 接下来我们再学习一种74160的应用方法——可变进制计数器的设计. 说到可变进制计数器, 无非就是其计数进制可以发生变化: 那通过何种方式才能发生变化呢, 我们可以为电路增加一输入信号, 使其控制当前电路的计数进制. 比如, 控制信号A=0时电路为7进制计数器, A=1时电路为5进制计数器. 这样一来, 用一片74160即可实现原来两片74160的功能, 可以说这是一种大幅提升电路器件应用效率的方式.
在进行分析之前, 有一点需要我们牢记心间——对于使用同步置数法设计的计数器, 其计数最大状态可根据LOAD'引脚的接法直接判断出: 以下图示电路为例, 通过其LOAD'引脚的接法, 可直接判断出电路计数最大状态为1001.

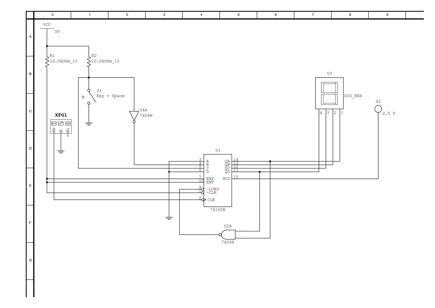
题: 题: 分析该电路在M=0和M=1时各位几进制的计数器, 采用的是何种设计方法?
答: M=1时, 电路共有0100、0101、0110、0111、1000、1001六个有效状态, 此时为6进制计数器.
M=0时, 电路共有0010、0011、0100、0101、0110、0111、1000、1001八个有效状态, 此时为8进制计数器.
采用的设计方法为同步置数法.
最后
以上就是糊涂哈密瓜最近收集整理的关于分析以一片74160为核心部件接成的可变进制(两种进制选择)计数器(设计四个输入端)的全部内容,更多相关分析以一片74160为核心部件接成内容请搜索靠谱客的其他文章。
本图文内容来源于网友提供,作为学习参考使用,或来自网络收集整理,版权属于原作者所有。
发表评论 取消回复