第8章 锁存器和触发器
8.0 时序电路的特点
时序电路的特点
双稳态触发器的特点


8.1 RS锁存器
1.1或非门组成的基本RS锁存器


1.2与非门组成的基本RS锁存器


2. 门控D锁存器


8.2 边沿触发器
边沿触发D触发器

边沿触发RS触发器
RS触发器与D触发器特点

边沿触发JK触发器

边沿触发T和T’触发器


8.3 带附加输入端的边沿触发器


8.4 触发器转换
这部分需要时,再看。
8.5 触发器应用

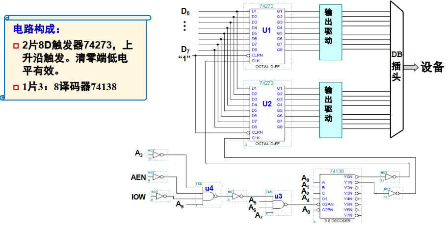
8.6 触发器的实际应用电路-输出输出电路


最后
以上就是乐观机器猫最近收集整理的关于逻辑设计基础_第8章_锁存器和触发器第8章 锁存器和触发器的全部内容,更多相关逻辑设计基础_第8章_锁存器和触发器第8章内容请搜索靠谱客的其他文章。
本图文内容来源于网友提供,作为学习参考使用,或来自网络收集整理,版权属于原作者所有。
发表评论 取消回复