目录
题目1:Exams/m2014 q4a
题目2:Exams/m2014 q4b
题目3:Exams/m2014 q4c
题目4:Exams/m2014 q4d
题目5:组合触发器电路,包括一个触发器和多路复用器。Mt2015 muxdff
题目6:n位移位寄存器:Exams/2014 q4a
题目1:Exams/m2014 q4a
实现以下电路:

请注意,这是一个闩锁,因此预计 Quartus 会发出有关推断出闩锁的警告。
模块声明
module top_module (
input d,
input ena,
output q);
分析:
- 锁存器是电平敏感(非边沿敏感)电路,因此在始终块中,它们使用电平敏感度列表。
- 但是,它们仍然是顺序元素,因此应使用非阻塞赋值。
- D型锁存器在使能时就像导线(或非反相缓冲器),并在禁用时保留当前值。
代码如下:
module top_module (
input d,
input ena,
output q);
always@(ena)
begin
if(ena)
q <= d;
end
endmodule
题目2:Exams/m2014 q4b
实现以下电路:

模块声明
module top_module (
input clk,
input d,
input ar, // asynchronous reset,异步复位
output q);
分析:这是一个含有异步复位端的D触发器
module top_module (
input clk,
input d,
input ar, // asynchronous reset
output q);
always@(posedge clk or posedge ar)
begin
if(ar)
q <= 0;
else
q <= d;
end
endmodule
题目3:Exams/m2014 q4c
实现以下电路:

模块声明
module top_module (
input clk,
input d,
input r, // synchronous reset,同步复位
output q);
分析:这是一个同步复位的D触发器
module top_module (
input clk,
input d,
input r, // synchronous reset
output q);
always@(posedge clk)
begin
if(r)
q <= 0;
else
q <= d;
end
endmodule
题目4:Exams/m2014 q4d
实现以下电路:

模块声明
module top_module (
input clk,
input in,
output out);
分析:这是一个带有异或门的D触发器。其逻辑功能为:当上升沿到来时,输入端D=
in^out。
module top_module (
input clk,
input in,
output out);
always@(posedge clk)
begin
out = in^out;
end
endmodule
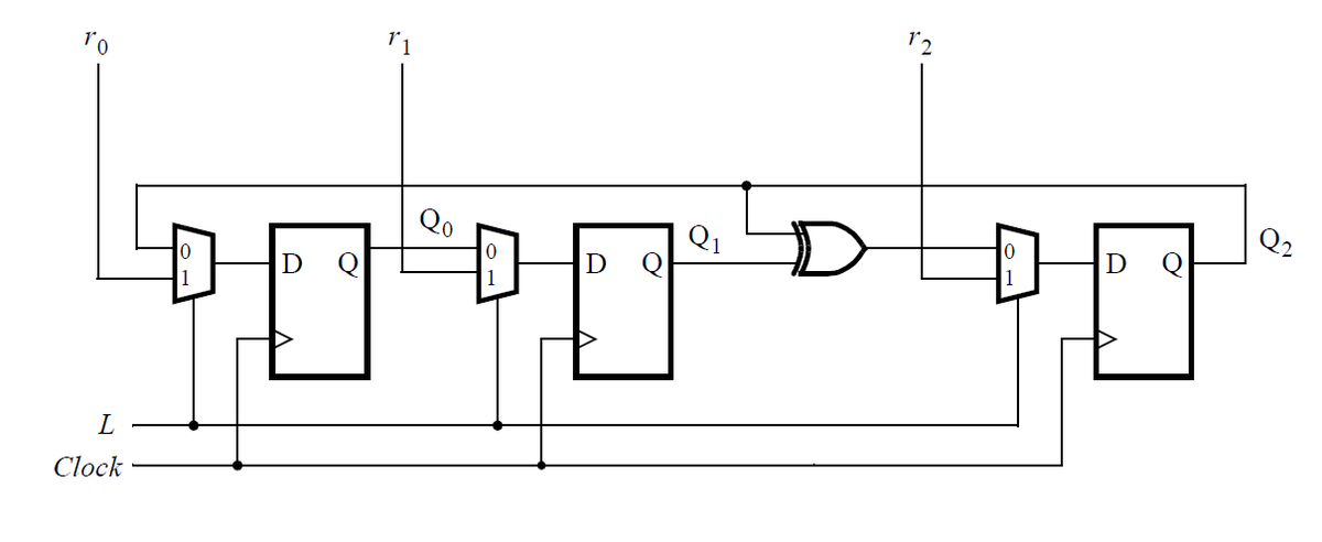
题目5:组合触发器电路,包括一个触发器和多路复用器。Mt2015 muxdff
考虑下面的顺序电路:

假设您要为此电路实现分层 Verilog 代码,使用具有触发器和多路复用器的子模块的三个实例化。为此子模块编写一个名为top_module的 Verilog 模块(包含一个触发器和多路复用器)。
模块声明
module top_module ( input clk, input L, input r_in, input q_in, output reg Q);
分析:该电路是3位的移位寄存器,构成了一个扭环形计数器。据题意可知代码如下:
module top_module (
input clk,
input L,
input r_in,
input q_in,
output reg Q);
always@(posedge clk)
begin
if(L==0)
Q <= q_in;
else
Q <= r_in;
end
endmodule
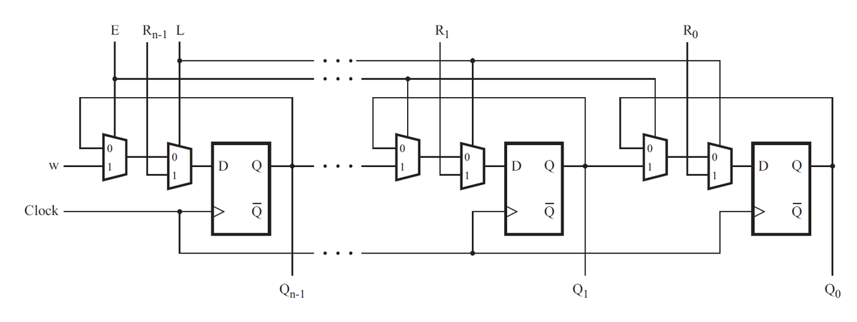
题目6:n位移位寄存器:Exams/2014 q4a
考虑下面所示的n位移位寄存器电路:

为该电路的一个阶段编写一个名为top_module的Verilog模块,包括触发器和多路复用器。
模块声明
module top_module (
input clk,
input w, R, E, L,
output Q
);
其中代码编写如下:
module top_module (
input clk,
input w, R, E, L,
output Q
);
wire c1,c2;
always@(posedge clk)
begin
if(L==1)
Q <= R;
else
begin
if(E==1)
Q <= w;
else
Q <=Q;
end
end
endmodule
最后
以上就是高贵爆米花最近收集整理的关于HDLBITS笔记24:触发器的进阶练习(锁存器、同步/异步复位触发器、数据选择器综合触发器)题目1:Exams/m2014 q4a题目2:Exams/m2014 q4b题目3:Exams/m2014 q4c题目4:Exams/m2014 q4d题目5:组合触发器电路,包括一个触发器和多路复用器。Mt2015 muxdff题目6:n位移位寄存器:Exams/2014 q4a的全部内容,更多相关HDLBITS笔记24:触发器的进阶练习(锁存器、同步/异步复位触发器、数据选择器综合触发器)题目1:Exams/m2014内容请搜索靠谱客的其他文章。
发表评论 取消回复