文章目录
- 一、时序逻辑电路概述
- 1. 基本概念和核心部件
- 2. 时序逻辑电路的特点
- 3. 时序逻辑电路的分类
- 二、集成触发器介绍
- 1. 触发器概述
- 2. 触发器的特点
- 3. 触发器的分类
- 4. 触发器逻辑功能的描述方式
- 三、集成触发器
- 1. 基本 `R-S` 触发器
- (1) 电路结构
- (2) 工作原理
- 输入 R D ‾ = 0 , S D ‾ = 1 overline{R_D} = 0, overline {S_D}= 1 RD=0,SD=1 时,置 0 0 0
- 输入 R D ‾ = 1 , S D ‾ = 0 overline{R_D} =1, overline {S_D}= 0 RD=1,SD=0 时,置 1 1 1
- 输入 R D ‾ = 1 , S D ‾ = 1 overline{R_D} =1, overline {S_D}= 1 RD=1,SD=1 时,保持
- 输入 R D ‾ = 0 , S D ‾ = 0 overline{R_D} =0, overline {S_D}= 0 RD=0,SD=0 时,保持
- (3) 逻辑功能的描述
- a. 状态转移真值表(功能表)
- b. 特征方程——用逻辑函数描述触发器的功能
- c. 状态转移图——用图形来描述触发器的功能
- d. 激励表 —— 是状态转移图的表格表达方式
- e. 波形图 —— 输出信号波形随输入信号发生变化
- (4) 特点
- 2. 电平触发的触发器
- (1) 钟控 `R-S` 触发器
- a. 电路结构
- b. 工作原理
- c. 功能表
- d. 特征方程
- e. 时序波形图
- (2) 钟控D触发器
- a. 电路结构
- b. 工作原理
- c. 特征方程
- d. 状态转移真值表
- e. 波形图
- (3) 钟控J-K触发器
- a. 电路结构
- b. 工作原理
- c. 特征方程
- d. 功能表
- e. 波形图
- (4) 钟控T触发器
- a. 电路结构与工作原理
- b. 特征方程
- c. 功能表
- (5) 电平触发方式的动作特点
- 3. 边沿触发的触发器
- (1) 边沿D触发器
- a. 基本结构
- b. 状态方程
- c. 功能表
- d. 波形图
- 四、触发器汇总
- 1. 基本R-S触发器
- 2. 钟控R-S触发器
- 3. J-K触发器
- 4. D触发器
- 5. T触发器
- 五、练习题
一、时序逻辑电路概述
1. 基本概念和核心部件
- 基本概念:具有记忆功能的电路
- 触发器 : 能记忆 1 1 1 位二进制数的电路
本章我们重点关注:
- 时序逻辑电路的分析与设计的方法
- 实际应用:计数器与寄存器
2. 时序逻辑电路的特点
数字逻辑电路分为:组合逻辑电路和时序逻辑电路
- 组合逻辑电路的特点:输出随当前输入变化

- 时序逻辑电路的特点:
功能:任何时刻的稳定输出,不仅与 该时刻 的输入有关,还与电路 原状态 有关,即与以前的输入有关
结构: 由 组合电路 和 存储电路 组成
时序电路一般结构:

3. 时序逻辑电路的分类
按有无统一时钟脉冲分:
- 同步: 有统一的时钟
CP,状态变更与CP同步 - 异步: 无统一
CP,状态变更不同步,逐级进行
按输出信号特点分:
- 米里型(Mealy): 输出信号不仅与存储状态有关,还与外部输入有关
- 莫尔型(Moore): 输出信号仅与存储状态有关(外部输入改变存储状态,从而改变输出)
二、集成触发器介绍
1. 触发器概述
数字电路对二进制信号的处理无非是数值运算和逻辑运算,加上存储。数值逻辑运算电路的设计属于组合电路,而存储则属于时序电路。
能够存储
1
1
1 位二值信号的基本单元电路统称为触发器(Flip-Flop),简称 FF ,又称为双稳态触发器。
触发器是构成时序逻辑电路的基本单元电路。
2. 触发器的特点
- 有两个稳定状态(简称稳态),用来表示逻辑 0 0 0 和 1 1 1,一个触发器可存储 1 1 1 位二进制数码
- 在输入信号作用下,触发器的两个稳定状态可相互转换(称为状态的翻转)
- 输入信号作用后,新状态可长期保持下来,电路具有记忆功能
触发器的现态和次态
- 现态 (现在状态):输入变化前,触发器所处的状态
- 次态 (下一状态):输入变化后,触发器进入的状态(次态是对某一时刻而言,过了该时刻就应看作现态)
3. 触发器的分类
- 按逻辑功能分:
R-S触发器、D型触发器、J-K触发器、T型触发器等; - 按触发方式分: 电平触发方式、脉冲触发方式和边沿触发方式
4. 触发器逻辑功能的描述方式
状态转移真值表(功能表)、特征方程、激励表、状态转换图、波形图(时序图)等
三、集成触发器
1. 基本 R-S 触发器
基本R-S触发器,又叫SR锁存器,是构成各种触发器的基本部件,也是最简单的一种触发器。
锁存器——不需要触发信号,由输入信号直接完成置 0 0 0 或置 1 1 1 操作。
触发器——需要一个触发信号 ,称为时钟信号CLOCK,只有触发信号有效时,才按输入信号完成置 0 0 0 或置 1 1 1 操作。
(1) 电路结构
基本R-S触发器有两个输入端、两个输出端、两条反馈电路:

反馈:正是由于引入反馈,才使电路具有记忆功能!
R-S触发器的状态:(输出 Q Q Q 和 Q ‾ overline Q Q 互为相反逻辑,方便工作原理的分析)
- 0 0 0 态: Q = 0 , Q ‾ = 1 Q=0,overline Q=1 Q=0,Q=1
- 1 1 1 态: Q = 1 , Q ‾ = 0 Q=1, overline Q=0 Q=1,Q=0
| R D ‾ overline {R_D} RD | S D ‾ overline {S_D} SD |
|---|---|
| 0 | 0 |
| 1 | 1 |
| 1 | 0 |
| 0 | 1 |
(2) 工作原理
输入 R D ‾ = 0 , S D ‾ = 1 overline{R_D} = 0, overline {S_D}= 1 RD=0,SD=1 时,置 0 0 0
每次先从为
0
0
0 的输出端开始分析:

输入 R D ‾ = 1 , S D ‾ = 0 overline{R_D} =1, overline {S_D}= 0 RD=1,SD=0 时,置 1 1 1
输入 R D ‾ = 1 , S D ‾ = 1 overline{R_D} =1, overline {S_D}= 1 RD=1,SD=1 时,保持
输入 R D ‾ = 0 , S D ‾ = 0 overline{R_D} =0, overline {S_D}= 0 RD=0,SD=0 时,保持
注意:当两个输入端由 0 0 0 变为 1 1 1 时,翻转快的门输出变为 0 0 0 ,另一个不得翻转。因此,该状态为不定状态。
(3) 逻辑功能的描述
a. 状态转移真值表(功能表)
基本R-S触发器的状态转移真值表——反映触发器状态变化与输入之间的关系

基本R-S触发器的简化功能表

b. 特征方程——用逻辑函数描述触发器的功能
基本R-S触发器状态转移表

{
Q
n
+
1
=
S
D
+
R
D
‾
Q
n
S
D
‾
+
R
D
‾
=
1
left{ begin{aligned} Q^{n+1} &= S_D + overline {R_D}Q^n\ overline {S_D} +overline {R_D} &= 1 end{aligned} right.
{Qn+1SD+RD=SD+RDQn=1
约束条件:
S
D
‾
,
R
D
‾
overline {S_D},overline {R_D}
SD,RD 不能同时为零。
c. 状态转移图——用图形来描述触发器的功能
基本R-S触发器的状态转移图

d. 激励表 —— 是状态转移图的表格表达方式
基本R-S触发器的激励表:
激励表描述触发器由现态
Q
n
Q^n
Qn 转移到次态
Q
n
+
1
Q^{n+1}
Qn+1 时对输入控制信号的要求:

e. 波形图 —— 输出信号波形随输入信号发生变化
假设初始状态为
0
0
0:

(4) 特点
由于基本R-S触发器的状态由输入信号直接控制,以及存在约束条件,其在应用方面存在很大的局限性和不便。
直接控制:输入信号直接加在输出门上,在输入信号全部作用时间内,都能直接改变输出端的状态,即只要有输入信号,就能作用于电路。
2. 电平触发的触发器
在数字系统中, 为协调各部分的动作, 常常要求某些触发器在 同一时刻 动作(即改变状态,也称为翻转)。 这就要求有一个同步信号来控制,这个控制信号叫做 时钟脉冲信号(Clock Pulse,CP),Clock Pulse 是一串周期性的矩形脉冲。
具有时钟脉冲控制的触发器统称为 时钟触发器 ,又称 钟控触发器 。电平触发器(也称同步触发器)是其中最简单的一种。
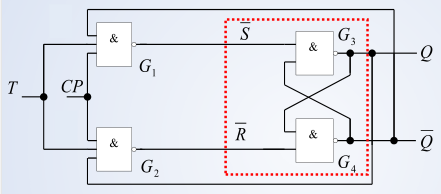
(1) 钟控 R-S 触发器
a. 电路结构
b. 工作原理
C
P
=
0
CP=0
CP=0 时,触发器保持原态,G3 门和 G4 门的输出被锁定为
1
1
1 , 基本R-S触发器状态保持不变,触发器保持原态。
C
P
=
1
CP=1
CP=1 时,基本R-S触发器状态由
R
R
R 和
S
S
S 决定。

c. 功能表
钟控 R-S 触发器的功能表:
| CP | R | S | Q Q ‾ Q quad overline Q QQ |
|---|---|---|---|
| 0 0 0 | Φ Phi Φ | Φ Phi Φ | 保持 |
| 1 1 1 | 0 0 0 | 0 0 0 | 保持 |
| 1 1 1 | 0 0 0 | 1 1 1 | 1 0 1 quad 0 10 |
| 1 1 1 | 1 1 1 | 0 0 0 | 0 1 0 quad 1 01 |
| 1 1 1 | 1 1 1 | 1 1 1 | 不确定 |
d. 特征方程
- C P = 0 CP=0 CP=0,保持原状态: Q n + 1 = Q n Q^{n+1} = Q^n Qn+1=Qn;
-
C
P
=
1
CP=1
CP=1,基本
R-S触发器:
{ Q n + 1 = S + R ‾ Q n R S = 0 left{ begin{aligned} Q^{n+1} &= S + overline R Q^n \ RS &= 0 end{aligned} right. {Qn+1RS=S+RQn=0
将时钟信号引入特征方程,可得到: Q n + 1 = ( S + R ‾ Q n ) ⋅ C P + Q n ⋅ C P ‾ Q^{n+1} = (S +overline RQ^n ) cdot CP + Q^n cdot overline {CP} Qn+1=(S+RQn)⋅CP+Qn⋅CP
e. 时序波形图
初态
Q
=
0
Q=0
Q=0 ,在 CP 作用下
Q
Q
Q 端的波形:(钟控R-S触发器输入信号受约束)

C
P
=
0
CP=0
CP=0 时,保持原状态;
C
P
=
1
CP=1
CP=1 时,真值表如下:

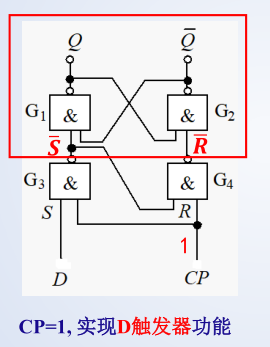
(2) 钟控D触发器
a. 电路结构


钟控
D
D
D 触发器只有一个输入端
D
D
D , 保证了后端的基本 R-S 触发器的两个输入端
R
D
‾
overline{R_D}
RD和
S
D
‾
overline {S_D}
SD始终为相反状态。从而解决了电路的输入约束问题。
b. 工作原理
C
P
=
0
CP=0
CP=0 时,保持原状态:

C
P
=
1
CP=1
CP=1,实现D触发器功能:

c. 特征方程
C
P
=
0
CP=0
CP=0 时,
Q
n
+
1
=
Q
n
Q^{n+1} = Q^n
Qn+1=Qn;
C
P
=
1
CP=1
CP=1 时:
{
Q
n
+
1
=
S
D
+
R
D
‾
Q
n
S
D
‾
+
R
D
‾
=
1
S
D
‾
=
S
‾
=
D
‾
R
D
‾
=
R
‾
=
D
‾
‾
=
D
left{ begin{aligned} Q^{n+1} = S_D + overline {R_D} Q^n\ overline {S_D}+overline {R_D} = 1\ overline {S_D} = overline S = overline D\ overline {R_D} = overline R = overline {overline D} = D\ end{aligned} right.
⎩⎪⎪⎪⎪⎨⎪⎪⎪⎪⎧Qn+1=SD+RDQnSD+RD=1SD=S=DRD=R=D=D
将时钟信号引入特征方程:
Q
n
+
1
=
D
⋅
C
P
+
Q
n
⋅
C
P
‾
Q^{n+1} = Dcdot CP + Q^n cdot overline {CP}
Qn+1=D⋅CP+Qn⋅CP
d. 状态转移真值表
其特点如下:
- D触发器的输入信号没有约束限制条件(通过将 D D D 反相输入为 R R R,使得 R ‾ + S ‾ = 1 overline R + overline S = 1 R+S=1 始终成立);
- 可实现保持、置 0 0 0 和置 1 1 1 等功能。
e. 波形图
触发器初始状态为 0 0 0:
- C P = 0 CP=0 CP=0 时,触发器状态不变
-
C
P
=
1
CP=1
CP=1 时,触发器次态跟随D信号变化

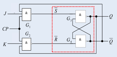
(3) 钟控J-K触发器
a. 电路结构
逻辑符号:

b. 工作原理
当 C P = 0 CP=0 CP=0 时, S ‾ = 1 , R ‾ = 1 overline S=1, overline R = 1 S=1,R=1,触发器处于保持状态 Q n + 1 = Q n Q^{n+1} = Q^n Qn+1=Qn;
当 C P = 1 CP=1 CP=1 时, S ‾ = J Q n ‾ ‾ , R ‾ = K Q n ‾ overline S = overline {J overline {Q^n}}, overline R = overline {KQ^n} S=JQn,R=KQn,可得 Q n + 1 = S + R ‾ Q n = J Q n ‾ + K Q n ‾ ⋅ Q n = J Q n ‾ + K ‾ Q n Q^{n+1}= S + overline RQ^n ={J overline {Q^n}} + overline {KQ^n}cdot Q^n = Joverline {Q^n} + overline KQ^n Qn+1=S+RQn=JQn+KQn⋅Qn=JQn+KQn
c. 特征方程
将时钟信号引入特征方程:
Q
n
+
1
=
(
J
Q
n
‾
+
K
‾
Q
n
)
⋅
C
P
+
Q
n
⋅
C
P
‾
Q^{n+1} = (Joverline {Q^n} + overline KQ^n) cdot CP + Q^n cdot overline {CP}
Qn+1=(JQn+KQn)⋅CP+Qn⋅CP
由基本R-S触发器的约束条件:
R
D
‾
+
S
D
‾
=
1
overline {R_D} + overline {S_D} = 1
RD+SD=1
得到钟控J-K触发器的约束条件:
R
D
‾
+
S
D
‾
=
J
Q
n
‾
‾
+
K
Q
n
‾
=
1
overline {R_D} + overline {S_D} = overline {J overline {Q^n}} + overline {KQ^n}=1
RD+SD=JQn+KQn=1
d. 功能表
无论是从特征方程,还是功能表,都可以看出,钟控J-K触发器不受约束条件限制,因为它把 Q n Q^n Qn 和 Q n ‾ overline {Q^n} Qn 交错反馈到了输入中。该触发器可以在J、K信号的控制下实现保持、置1、置0和翻转的功能。
e. 波形图
C
P
=
0
CP = 0
CP=0 时,触发器状态不变。
C
P
=
1
CP = 1
CP=1 时,触发器根据J 、K信号取值按照JK功能工作。

(4) 钟控T触发器
a. 电路结构与工作原理
结合钟控D触发器和J-K触发器的设计原理,就出现了钟控T触发器。

当
C
P
=
0
CP=0
CP=0 时,
S
‾
=
1
,
R
‾
=
1
,
Q
n
+
1
=
Q
n
overline S = 1,overline R = 1, Q^{n+1} = Q^n
S=1,R=1,Qn+1=Qn;
当
C
P
=
1
CP=1
CP=1 时,
S
=
T
Q
n
‾
,
R
=
T
Q
n
S = Toverline {Q^n}, R = T {Q^n}
S=TQn,R=TQn,
Q
n
+
1
=
S
+
R
‾
Q
n
=
T
Q
n
‾
+
T
Q
n
‾
⋅
Q
n
=
T
Q
n
‾
+
T
‾
Q
n
Q^{n+1} = S + overline RQ^n = Toverline {Q^n} + overline {TQ^n}cdot Q^n = Toverline {Q^n} + overline TQ^n
Qn+1=S+RQn=TQn+TQn⋅Qn=TQn+TQn
b. 特征方程
将时钟信号引入特征方程:
Q
n
+
1
=
(
T
Q
n
‾
+
T
‾
Q
n
)
⋅
C
P
+
Q
n
⋅
C
P
‾
Q^{n+1} = (Toverline {Q^n} + overline TQ^n)cdot CP + Q^n cdot overline {CP}
Qn+1=(TQn+TQn)⋅CP+Qn⋅CP
c. 功能表
可以看出:
- T触发器的输入信号没有约束限制条件(除了开始介绍的基本R-S触发器和钟控R-S触发器外,其余介绍的都是没有约束条件的);
- 可实现保持和翻转功能。
(5) 电平触发方式的动作特点
- 只有当
C
P
CP
CP 变为有效电平时,触发器才能接受输入信号,并根据输入信号将触发器的输出置成相应的状态;
C P = 1 CP = 1 CP=1 期间翻转的称正电平触发式;
C P = 0 CP = 0 CP=0 期间翻转的称负电平触发式。 - 在 C P CP CP 为有效电平的全部时间里,输入信号的变化都将引起触发器输出状态的变化;
- 在 C P CP CP 有效电平期间,若输入信号多次发生变化,则触发器状态将多次翻转,从而降低了电路的抗干扰能力;
- 在电平触发器在
CP = 有效电平期间,输出发生多次翻转的现象称为空翻。空翻可能会造成误动作!
例:

3. 边沿触发的触发器
边沿触发:
- 只在时钟信号的某一边沿( C P ↑ CP↑ CP↑ 或 C P ↓ CP↓ CP↓ )对输入信号作出响应并引起触发器状态变化(翻转);
- 触发器的次态仅取决于 C P CP CP 的上升沿或下降沿到达时输入的逻辑状态,而与此前、后的状态无关,其它时间的输入也不影响触发器输出,提高了抗干扰能力,可靠性高
边沿触发器只有在 C P CP CP 的上升沿或下降沿瞬间才能接受控制输入信号,改变状态,因此在一个时钟脉冲下,触发器最多只能翻转一次,从根本上杜绝了"空翻"的现象。
(1) 边沿D触发器
a. 基本结构
- “>” 表示边沿触发;
CP线顶端没有小圆圈表示"上升沿触发"
异步输入端: S D ‾ , R D ‾ overline {S_D} , overline {R_D} SD,RD ,异步输入端对电路的作用与时钟信号无关
- 当 S D ‾ = 1 , R D ‾ = 0 overline {S_D} =1,overline {R_D} = 0 SD=1,RD=0 时, Q = 0 , Q ‾ = 1 Q=0, overline Q = 1 Q=0,Q=1;
- 当 S D ‾ = 0 , R D ‾ = 1 overline {S_D} =0,overline {R_D} = 1 SD=0,RD=1 时, Q = 1 , Q ‾ = 0 Q=1, overline Q = 0 Q=1,Q=0;
- 当
S
D
‾
=
1
,
R
D
‾
=
1
overline {S_D} =1,overline {R_D} = 1
SD=1,RD=1 时, 触发器状态变化受输入信号
D和时钟信号CP的控制,触发器的状态仅仅取决于CP信号上升沿到达前瞬间的D信号
b. 状态方程
Q n + 1 = D Q^{n+1} = D Qn+1=D
c. 功能表
d. 波形图
设触发器初态为0 ,试对应输入波形画出 Q 的波形。

注意:
- 触发器的翻转发生在 C P CP CP 的上升沿;
- 判断触发器次态的依据是 C P CP CP 上升沿前一瞬间输入端的状态
四、触发器汇总
1. 基本R-S触发器
状态方程:
{
Q
n
+
1
=
S
D
+
R
D
‾
Q
n
S
D
‾
+
R
D
‾
=
1
left { begin{aligned} &Q^{n+1} = S_D + overline {R_D} Q^n \ &overline {S_D} + overline {R_D} = 1 end{aligned} right.
{Qn+1=SD+RDQnSD+RD=1
2. 钟控R-S触发器
状态方程:
{
Q
n
+
1
=
S
D
+
R
D
‾
Q
n
R
S
=
0
left { begin{aligned} &Q^{n+1} = S_D + overline {R_D} Q^n \ &RS = 0 end{aligned} right.
{Qn+1=SD+RDQnRS=0
3. J-K触发器
钟控J-K触发器:(电平触发)

状态方程:
Q
n
+
1
=
J
Q
n
‾
+
K
‾
Q
n
Q^{n+1} = Joverline {Q^n} + overline {K} Q^n
Qn+1=JQn+KQn
4. D触发器
状态方程:
Q
n
+
1
=
D
Q^{n+1} = D
Qn+1=D
5. T触发器
钟控T触发器:前面给出了图片;
边沿T触发器:(上升沿触发)

功能表:

状态方程:
Q
n
+
1
=
T
Q
n
‾
+
T
‾
Q
n
Q^{n+1} = Toverline {Q^n} + overline TQ^n
Qn+1=TQn+TQn
这是第五章时序逻辑电路的第一部分,下一部分主要讲的是同步时序和异步时序逻辑电路的分析与设计,更有难度。
五、练习题
最后
以上就是友好翅膀最近收集整理的关于【数字逻辑】学习笔记 第五章 时序逻辑电路(概述和集成触发器)一、时序逻辑电路概述二、集成触发器介绍三、集成触发器四、触发器汇总五、练习题的全部内容,更多相关【数字逻辑】学习笔记内容请搜索靠谱客的其他文章。
发表评论 取消回复