我是靠谱客的博主 无心母鸡,这篇文章主要介绍jk触发器改为四进制_四位二进制计数器这样接成十进制计数器,现在分享给大家,希望可以做个参考。

十进制计数器与4位二进制计数器有些相似,但4位二进制计数器需要计数到1111然后 才能返回到0000,而十进制计数器要求计数到1001 (相当于9)就返回0000。8421BCD码 十进制计数器是一种最常用的十进制计数器。

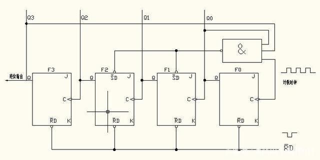
8421BCD码十进制计数器如图所示

e377a42e403eb17ed44c541d012ce714.png

该计数器是一个8421BCD码异步十进制加法计数器,由4个JK触发器和一个与非门构成,与非门的输出端接到触发器F1、F2的SD非端(置"1”端),输入端则接到时钟信号输入 端(CP端)和触发器F0、F3的输出端(即Q0端和Q3端)。

计数器的工作过程分为如下两步

第一步:计数器复位清零。

在工作前应先对计数器进行复位清零。在复位控制端送一个 负脉冲到各触发器Rd端,触发器状态都变为“0”,即Q3Q2Q1Qo=OOOO。

bc297de5b0688444c6359815754c791e.png

第二步:计数器开始计数。

当第1个计数脉冲(时钟脉冲)下降沿送到触发器F0的CP端时,触发器F0翻转,Q0由"0”变为“1”,触发器Fl、F2、F3状态不变,Q3、Q2、Q1均为"0”,与非门的输出端为 “1”(Q3非*Q0非.CP非 = l),即触发器Fl、F2置位端SD非为“1”,不影响Fl、F2的状态,计数器输 出为 Q3Q2QiQo=00010当第2个计数脉冲下降沿送到触发器F0的CP端时,触发器F0翻转,Qo由“ 1 ”变为“0", Qo的变化相当于一个脉冲的下降沿送到触发器F1的CP端,F1翻转,Q1由“0”变为“1”, 与非门输出端仍为"1”,计数器输出为Q3Q2QiQo=0010。

71f07fcc18ac01ddf78e092347b05e81.png

同样道理,当依次输入第3~9个计数脉冲时,计数器则依次输出0011、0100、0101、 0110、 0111、 1000、 1001。当第10个计数脉冲上升沿送到触发器F0的CP端时,CP端由“0”变为"1",相当于 CP=1,此时Qo=l、Q3=l,与非门3个输入端都为“1”,马上输出“0”,分别送到触发器F1、 F2的置“1”端,F1、F2的状态均由“0”变为“1",即。=1、Q2=l,计数器的输出为 Q3Q2Q1Q0=1111。

当第10个计数脉冲下降沿送到触发器F0的CP端时,F0翻转,Q0由“1”变“0”,它送 到触发器F1的CP端,F1翻转,Q1由“1”变为“0”,Q1的变化送到触发器F2的CP端,F2 翻转,Q2由“1”变为“0”,Q2的变化送到触发器F3的CP端,F3翻转,Q3由“1”变为“0”, 计数器输出为Q3Q2Q1Qo=OOOO.

02f413726cccd32ef99c360a7c170c58.png

第11个计数脉冲下降沿到来时,计数器又重复上述过程进行计数。

从上述过程可以看出,当输入19计数脉冲时,计数器依次输出0000-1001,当输入 第10个计数脉冲时,计数器输出变为0000,然后重新开始计数,它跳过了 4位二进制数计 数时出现的 1010、1011、1100、1101、1110、1111 6 个数。

举报/反馈

最后

以上就是无心母鸡最近收集整理的关于jk触发器改为四进制_四位二进制计数器这样接成十进制计数器的全部内容,更多相关jk触发器改为四进制_四位二进制计数器这样接成十进制计数器内容请搜索靠谱客的其他文章。

本图文内容来源于网友提供,作为学习参考使用,或来自网络收集整理,版权属于原作者所有。
点赞(178)

评论列表共有 0 条评论

立即
投稿
返回
顶部