Toggle navigation
首页
博客
下载
AI
科技
互联网
会员
中心
会员中心
发布资讯
发布博文
发布资源
首页
文章中心
数字电路
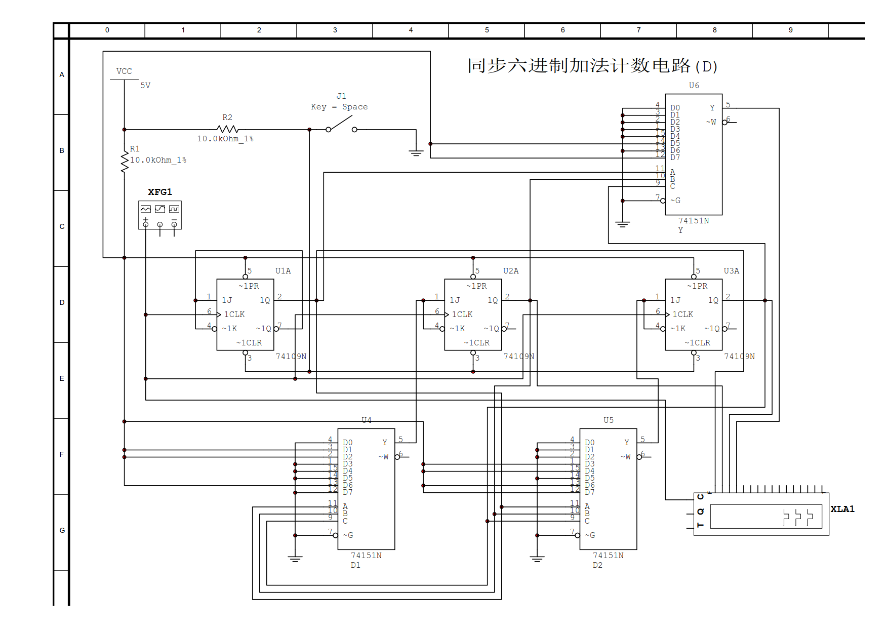
同步六进制加法计数电路(D触发器)
219 阅读
0 评论
145 点赞
我是
靠谱客
的博主
阳光铃铛
,这篇文章主要介绍
同步六进制加法计数电路(D触发器)
,现在分享给大家,希望可以做个参考。
最后
以上就是
阳光铃铛
最近收集整理的关于
同步六进制加法计数电路(D触发器)
的全部内容,更多相关
同步六进制加法计数电路(D触发器)
内容请搜索靠谱客的其他文章。
本图文内容来源于网友提供,作为学习参考使用,或来自网络收集整理,版权属于原作者所有。
点赞(
145
)
本文分类:
数字电路
浏览次数:
219
次浏览
发布日期:2023-05-30 14:04:01
本文链接:
https://www.kaopuke.com/article/k-p-k_14_ujogfy_12__7__26_4.html
相关文章
脉冲触发、JK触发介绍——数电5.3节
同步计数器超详细分析
74160同步置数法接成同步六进制计数器
74160同步置数法接成同步六进制加法计数器
同步六进制加法计数电路(D触发器)
设计12进制计数器
同步六进制加减法可逆计数器(D)
数字逻辑电路—第六章 时序逻辑电路时序逻辑概述时序逻辑电路分析寄存器、移位寄存器同步计数器异步触发器采用中规模集成器件实现任意模值计数(分频)器用集成移位寄存器实现任意模值M的计数分频
评论列表
共有
0
条评论
发表评论
取消回复
登录
注册新账号
立即
投稿
返回
顶部
发表评论 取消回复