Toggle navigation
首页
博客
下载
AI
科技
互联网
会员
中心
会员中心
发布资讯
发布博文
发布资源
首页
文章中心
数字电路
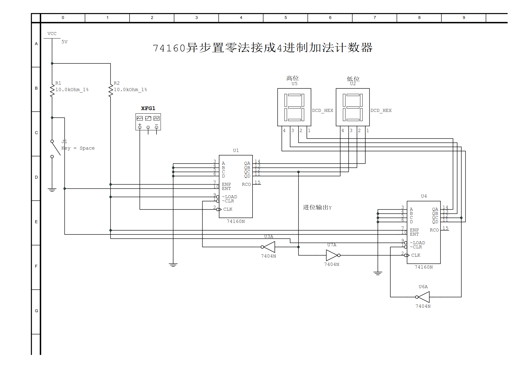
74160异步清零法接成4进制加法计数器
195 阅读
0 评论
129 点赞
我是
靠谱客
的博主
奋斗柠檬
,这篇文章主要介绍
74160异步清零法接成4进制加法计数器
,现在分享给大家,希望可以做个参考。
最后
以上就是
奋斗柠檬
最近收集整理的关于
74160异步清零法接成4进制加法计数器
的全部内容,更多相关
74160异步清零法接成4进制加法计数器
内容请搜索靠谱客的其他文章。
本图文内容来源于网友提供,作为学习参考使用,或来自网络收集整理,版权属于原作者所有。
点赞(
129
)
本文分类:
数字电路
浏览次数:
195
次浏览
发布日期:2023-05-30 14:10:01
本文链接:
https://www.kaopuke.com/article/k-p-k_14_ujogfy_12__7__22_0.html
相关文章
同步六进制加减法可逆计数器(D)
数字逻辑电路—第六章 时序逻辑电路时序逻辑概述时序逻辑电路分析寄存器、移位寄存器同步计数器异步触发器采用中规模集成器件实现任意模值计数(分频)器用集成移位寄存器实现任意模值M的计数分频
jk触发器改为四进制_四位二进制计数器这样接成十进制计数器
同步四进制加减法可逆计数器设计(D触发器+74153)
74160异步清零法接成4进制加法计数器
一个比较简单的D触发器4分频verilog程序
利用触发器生成三分频
用jk触发器构成二分频电路_如何用下沿触发JK触发器设计一个同步二,四分频电路?...
评论列表
共有
0
条评论
发表评论
取消回复
登录
注册新账号
立即
投稿
返回
顶部
发表评论 取消回复