视频链接地址
实验一:
http://v.youku.com/v_show/id_XMTg1MzYzNzEzMg==_type_99.html
实验二:
http://v.youku.com/v_show/id_XMTg1MzYzNzExMg==.html
实验目的(内容要求)


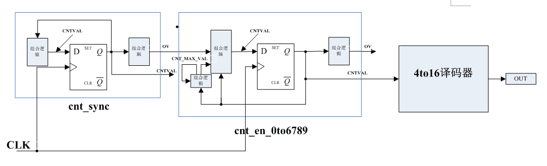
实验内容一
手工绘制的RTL电路图
在代码中又添加了复位与暂停功能,在本图中并没有显示

Quartus扫描生成的RTL电路图



计数器的计数值的SignalTap截图




代码
//module cnt_sync
module cnt_sync(
CLK , // clock
SUS , // suspend
CNTVAL, // counter value
OV ); // overflow
input CLK;
input SUS;
output [32-1:0] CNTVAL;
output OV;
parameter CNT_MAX_VAL = 50_000_000; //将最大值设置为常数50_000_000
reg [32-1:0] CNTVAL;
reg OV;
always @ (posedge CLK) begin
//计数值小于最大计数值,加1。否则,为0
if(CNTVAL >= CNT_MAX_VAL)
CNTVAL <= 0;
else
CNTVAL <= CNTVAL + 1'b1;
end
always @ (CNTVAL) begin
if(SUS) //suspend work
OV = 1'b0;
else begin //OV以周期1秒输出高电平
if(CNTVAL == CNT_MAX_VAL)
OV = 1'b1;
else
OV = 1'b0;
end
end
endmodule
//module cnt_en_0to6789///
module cnt_en_0to6789(
CLK , // clock
CNTVAL, // counter value
EN , // enable
RST , //RESET
OV ); // overflow
input CLK;
input EN;
input RST;
output [4-1:0] CNTVAL;
output OV;
reg [4-1:0] CNTVAL;
reg [4-1:0] CNT_MAX_VAL = 6; //最大计数值初始值设为6
reg OV;
always @ (posedge CLK ) begin
if(RST == 0) begin //RESET work
CNTVAL <= 0;
CNT_MAX_VAL <= 6;
end
else begin
if(EN) begin // work enable
if(CNTVAL >= CNT_MAX_VAL) begin
//计数值大于等于最大计数值,为0
CNTVAL <= 0;
if(CNT_MAX_VAL < 9) //最大计数值小于9,加1.否则,为6
CNT_MAX_VAL <= CNT_MAX_VAL +1'b1;
else
CNT_MAX_VAL <= 6;
end
else //计数值小于最大计数值,加1
CNTVAL <= CNTVAL + 1'b1;
end
else
CNTVAL <= CNTVAL ; // hold same value
end
end
endmodule
//module dec_4to9_Nixietube//
module dec_4to9_Nixietube(
IN ,
OUT
);
input [4-1:0] IN;
output [8-1:0] OUT;
reg [8-1:0] OUT;
always@(IN)
begin
case(IN)
4'b0000: OUT = 8'b11000000; // Nixietube_0
4'b0001: OUT = 8'b11111001; // Nixietube_1
4'b0010: OUT = 8'b10100100; // Nixietube_2
4'b0011: OUT = 8'b10110000; // Nixietube_3
4'b0100: OUT = 8'b10011001; // Nixietube_4
4'b0101: OUT = 8'b10010010; // Nixietube_5
4'b0110: OUT = 8'b10000010; // Nixietube_6
4'b0111: OUT = 8'b11111000; // Nixietube_7
4'b1000: OUT = 8'b10000000; // Nixietube_8
4'b1001: OUT = 8'b10010000; // Nixietube_9
default: OUT = 8'b11111111; /* Nixietube_darkness*/
endcase
end
endmodule
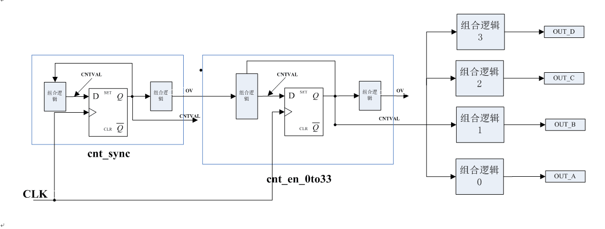
实验内容二
手工绘制的RTL电路图

Quartus扫描生成的RTL电路图



计数器的计数值的SignalTap截图




代码
/*/module cnt_sync///*/
module cnt_sync(
CLK , // clock
CNTVAL, // counter value
OV ); // overflow
input CLK;
output [32-1:0] CNTVAL;
output OV;
parameter CNT_MAX_VAL = 50_000_000;
/* 将最大值设置为常数50_000_000 */
reg [32-1:0] CNTVAL;
reg OV;
always @ (posedge CLK) begin
/* 计数值小于最大计数值,加1。否则,为0 */
if(CNTVAL >= CNT_MAX_VAL)
CNTVAL <= 0;
else
CNTVAL <= CNTVAL + 1'b1;
end
always @ (CNTVAL) begin
if(CNTVAL == CNT_MAX_VAL)
OV = 1;
else
OV = 0;
end
endmodule
/*module cnt_en_0to33///*/
module cnt_en_0to33(
CLK , // clock
CNTVAL, // counter value
EN ); // enable
input CLK;
input EN;
output [6-1:0] CNTVAL;
reg [6-1:0] CNTVAL;
always @ (posedge CLK) begin
if(EN) begin // work enable
if(CNTVAL >= 33) /* 计数器一个周期为0到33 */
CNTVAL <= 0;
else
CNTVAL <= CNTVAL + 1'b1;
end
else
CNTVAL <= CNTVAL; /* hold same value */
end
endmodule
/*/module dec_6to34_Nixietube_3///*/
module dec_6to34_Nixietube_3(
IN ,
OUT
);
input [6-1:0] IN;
output [8-1:0] OUT;
reg [8-1:0] OUT;
always@(IN) begin
case(IN)
6'b000000: OUT = 8'b11000000; /* Nixietube_0 */
6'b000001: OUT = 8'b11111001; /* Nixietube_1 */
6'b000010: OUT = 8'b10100100; /* Nixietube_2 */
6'b000011: OUT = 8'b10110000; /* Nixietube_3 */
6'b000100: OUT = 8'b10011001; /*Nixietube_4 */
6'b000101: OUT = 8'b10010010; /* Nixietube_5 */
6'b000110: OUT = 8'b10000010; /*Nixietube_6 */
default : OUT = 8'b11111111; /* Nixietube_darkness */
endcase
end
endmodule
/*module dec_6to34_Nixietube_2///*/
module dec_6to34_Nixietube_2(
IN ,
OUT
);
input [6-1:0] IN;
output [8-1:0] OUT;
reg [8-1:0] OUT;
always@(IN)
begin
case(IN)
6'b000111: OUT = 8'b11000000; /* Nixietube_0 */
6'b001000: OUT = 8'b11111001; /* Nixietube_1 */
6'b001001: OUT = 8'b10100100; /* Nixietube_2 */
6'b001010: OUT = 8'b10110000; /* Nixietube_3 */
6'b001011: OUT = 8'b10011001; /* Nixietube_4 */
6'b001100: OUT = 8'b10010010; /* Nixietube_5 */
6'b001101: OUT = 8'b10000010; /* Nixietube_6 */
6'b001110: OUT = 8'b11111000; /* Nixietube_7 */
default : OUT = 8'b11111111; /* Nixietube_darkness */
endcase
end
endmodule
/*//module dec_6to34_Nixietube_1//*/
module dec_6to34_Nixietube_1(
IN ,
OUT
);
input [6-1:0] IN;
output [8-1:0] OUT;
reg [8-1:0] OUT;
always@(IN)
begin
case(IN)
6'b001111: OUT = 8'b11000000; /* Nixietube_0 */
6'b010000: OUT = 8'b11111001; /* Nixietube_1 */
6'b010001: OUT = 8'b10100100; /* Nixietube_2 */
6'b010010: OUT = 8'b10110000; /* Nixietube_3 */
6'b010011: OUT = 8'b10011001; /* Nixietube_4 */
6'b010100: OUT = 8'b10010010; /* Nixietube_5 */
6'b010101: OUT = 8'b10000010; /* Nixietube_6 */
6'b010110: OUT = 8'b11111000; /* Nixietube_7 */
6'b010111: OUT = 8'b10000000; /* Nixietube_8 */
default : OUT = 8'b11111111; /* Nixietube_darkness */
endcase
end
endmodule
/*///module dec_6to34_Nixietube_0*/
module dec_6to34_Nixietube_0(
IN ,
OUT
);
input [6-1:0] IN;
output [8-1:0] OUT;
reg [8-1:0] OUT;
always@(IN)
begin
case(IN)
6'b011000: OUT = 8'b11000000; /* Nixietube_0 */
6'b011001: OUT = 8'b11111001; /* Nixietube_1 */
6'b011010: OUT = 8'b10100100; /* Nixietube_2 */
6'b011011: OUT = 8'b10110000; /* Nixietube_3 */
6'b011100: OUT = 8'b10011001; /* Nixietube_4 */
6'b011101: OUT = 8'b10010010; /* Nixietube_5 */
6'b011110: OUT = 8'b10000010; /* Nixietube_6 */
6'b011111: OUT = 8'b11111000; /* Nixietube_7 */
6'b100000: OUT = 8'b10000000; /* Nixietube_8 */
6'b100001: OUT = 8'b10010000; /* Nixietube_9 */
default : OUT = 8'b11111111; /* Nixietube_darkness */
endcase
end
endmodule
最后
以上就是故意大门最近收集整理的关于简易计数器2视频链接地址实验目的(内容要求)实验内容一实验内容二的全部内容,更多相关简易计数器2视频链接地址实验目内容请搜索靠谱客的其他文章。
本图文内容来源于网友提供,作为学习参考使用,或来自网络收集整理,版权属于原作者所有。
发表评论 取消回复