我是靠谱客的博主 老实外套,这篇文章主要介绍EDA数字钟设计(verilog)——开关功能和总体接线图及模块改进1.开关功能如思维导图所示2.总体接线图:3.问题及改进,现在分享给大家,希望可以做个参考。
1.开关功能如思维导图所示
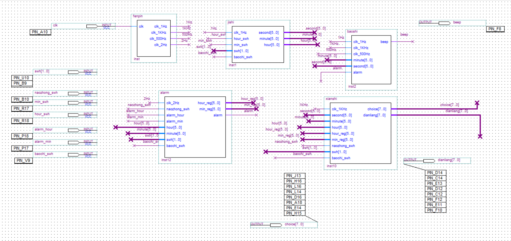
2.总体接线图:

3.问题及改进
学号显示后正常计数是从学号开始计数下面对程序进行改进,主要是在计时模块中删除显示学号的内容,把显示学号部分转移到显示模块中,让显示时根据条件显示内容,而不是直接显示示数:
-
计时模块
module jishi(clk_1Hz,second,minute,hour,hour_swh,min_swh,swh,baochi_swh);
input clk_1Hz;
input hour_swh,min_swh,baochi_swh;
input [1:0]swh;
output reg[5:0]second,minute,hour;
reg [11:0]hs; //3600秒小时加1
always@(posedge clk_1Hz)
begin
if((swh[1:0] == 'b00)&&(!baochi_swh)) //清零
begin
second <= 0;
minute <= 0;
hour <= 0;
end
else if(baochi_swh) //使能
begin
second <= second;
minute <= minute;
hour <= hour;
end
else if((swh[1:0] == 'b11)&&(!baochi_swh)) //正常示数
begin
if(second < 'd59)
begin
second <= second + 'd1;
hs <= hs + 'd1;
end
else
begin
second <= 'd0;
hs <= hs + 'd1;
if(minute < 'd59)
minute <= minute + 'd1;
else
minute <= 'd0;
if(hs < 'd3599 && hour < 'd23)
hour <= hour + 'd1;
else if((hs == 'd3599)&&(hour == 'd23))
begin
hour <= 'd0;
hs <= 'd0;
end
end
end
else if(((swh[1:0] == 'b01)&&(!baochi_swh))||(swh[1:0] == 'b10)) //校时校分
begin
if((hour_swh)&&(swh[1:0] == 'b01))
begin
if(hour == 'd23)
hour <= 'd0;
else
hour <= hour + 'd1;
end
if((min_swh)&&(swh[1:0] == 'b01))
begin
if(minute == 'd59)
minute <= 'd0;
else
minute <= minute + 'd1;
end
end
end
endmodule
-
显示模块
module xianshi(clk_1KHz,second,minute,hour,choice,dianliang,hour_reg,min_reg,naozhong_swh,swh,baochi_swh,baochi);
input [5:0]second,minute,hour;
input [5:0]hour_reg,min_reg;
input clk_1KHz;
input naozhong_swh,baochi_swh,baochi;
input [1:0]swh;
reg [3:0]sec_ge,sec_shi,hour_ge,hour_shi,min_ge,min_shi;
reg [3:0]scan;
reg [7:0]data;
output reg[7:0]choice;
output reg[7:0]dianliang;
always@(posedge clk_1KHz) //扫描电路
begin
if(scan == 'b111)
scan <= 'b000;
else
scan <= scan + 'd1;
end
always@(clk_1KHz) //时分秒个位十位提取
begin
if((naozhong_swh)&&(swh[1:0] == 'b11)&&(!baochi_swh))
begin
min_ge <= min_reg%10;
min_shi <= min_reg/10;
hour_ge <= hour_reg%10;
hour_shi <= hour_reg/10;
sec_ge <= 'd0;
sec_shi <= 'd0;
case(scan)
'b000:
begin
choice <= 'b11111110;
data <= sec_ge;
end
'b001:
begin
choice <= 'b11111101;
data <= sec_shi;
end
'b010:
begin
choice <= 'b11111011;
data <= 'd10;
end
'b011:
begin
choice <= 'b11110111;
data <= min_ge;
end
'b100:
begin
choice <= 'b11101111;
data <= min_shi;
end
'b101:
begin
choice <= 'b11011111;
data <= 'd10;
end
'b110:
begin
choice <= 'b10111111;
data <= hour_ge;
end
'b111:
begin
choice <= 'b01111111;
data <= hour_shi;
end
default:
begin
choice <= 'b00000000;
data <= 'd5;
end
endcase
end
else if((!baochi)&&(swh[1:0] == 'b10)) //显示学号
begin
sec_ge <= 'd6;
sec_shi <= 'd3;
min_ge <= 'd7;
min_shi <= 'd0;
hour_ge <= 'd0;
hour_shi <= 'd0;
case(scan)
'b000:
begin
choice <= 'b11111110;
data <= sec_ge;
end
'b001:
begin
choice <= 'b11111101;
data <= sec_shi;
end
'b010:
begin
choice <= 'b11111011;
data <= 'd10;
end
'b011:
begin
choice <= 'b11110111;
data <= min_ge;
end
'b100:
begin
choice <= 'b11101111;
data <= min_shi;
end
'b101:
begin
choice <= 'b11011111;
data <= 'd10;
end
'b110:
begin
choice <= 'b10111111;
data <= hour_ge;
end
'b111:
begin
choice <= 'b01111111;
data <= hour_shi;
end
default:
begin
choice <= 'b00000000;
data <= 'd0;
end
endcase
end
else
begin
sec_ge <= second%10;
sec_shi <= second/10;
min_ge <= minute%10;
min_shi <= minute/10;
hour_ge <= hour%10;
hour_shi <= hour/10;
case(scan)
'b000:
begin
choice <= 'b11111110;
data <= sec_ge;
end
'b001:
begin
choice <= 'b11111101;
data <= sec_shi;
end
'b010:
begin
choice <= 'b11111011;
data <= 'd10;
end
'b011:
begin
choice <= 'b11110111;
data <= min_ge;
end
'b100:
begin
choice <= 'b11101111;
data <= min_shi;
end
'b101:
begin
choice <= 'b11011111;
data <= 'd10;
end
'b110:
begin
choice <= 'b10111111;
data <= hour_ge;
end
'b111:
begin
choice <= 'b01111111;
data <= hour_shi;
end
default:
begin
choice <= 'b00000000;
data <= 'd0;
end
endcase
end
case(data)
'd0:dianliang = 'hc0;
'd1:dianliang = 'hf9;
'd2:dianliang = 'ha4;
'd3:dianliang = 'hb0;
'd4:dianliang = 'h99;
'd5:dianliang = 'h92;
'd6:dianliang = 'h82;
'd7:dianliang = 'hf8;
'd8:dianliang = 'h80;
'd9:dianliang = 'h90;
'd10:dianliang = 'hbf;
endcase
end
endmodule
最后
以上就是老实外套最近收集整理的关于EDA数字钟设计(verilog)——开关功能和总体接线图及模块改进1.开关功能如思维导图所示2.总体接线图:3.问题及改进的全部内容,更多相关EDA数字钟设计(verilog)——开关功能和总体接线图及模块改进1内容请搜索靠谱客的其他文章。
本图文内容来源于网友提供,作为学习参考使用,或来自网络收集整理,版权属于原作者所有。

发表评论 取消回复