本文介绍综合属性SRL_STYLE取register、srl、srl_reg、reg_srl、reg_srl_reg和block中的值时,对Schematic的影响。
SRL_STYLE用于指导Vivado将SRL(移位寄存器)映射为何种形式。
目录
默认值
测试代码
原理图
SRL_STYLE配置为register
测试代码
原理图
SRL_STYLE配置为srl
测试代码
原理图
对应的Device视图
资源利用率
SRL_STYLE配置为srl_reg
测试代码
原理图
SRL_STYLE配置为reg_srl
测试代码
原理图
SRL_STYLE配置为reg_srl_reg
测试代码
原理图
SRL_STYLE配置为block
测试代码
原理图
Device视图
资源利用率
默认值
测试代码
module top(
input clk_i,
input data_i,
output data_o);
parameter SHIFT = 4;
reg[SHIFT-1:0] reg_shift;
always @(posedge clk_i)
begin
reg_shift <={data_i,reg_shift[SHIFT-1:1]};
end
assign data_o = reg_shift[0];
endmodule
综合后的Schematic如下:
原理图

FDRE表示一个单D型触发器。
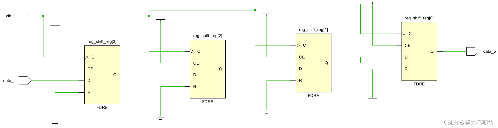
SRL_STYLE配置为register
用FF(Flip Flop,触发器)生成SRL。
测试代码
module top(
input clk_i,
input data_i,
output data_o);
parameter SHIFT = 4;
(*srl_style = "register"*) reg[SHIFT-1:0] reg_shift;
always @(posedge clk_i)
begin
reg_shift <={data_i,reg_shift[SHIFT-1:1]};
end
assign data_o = reg_shift[0];
endmodule
原理图

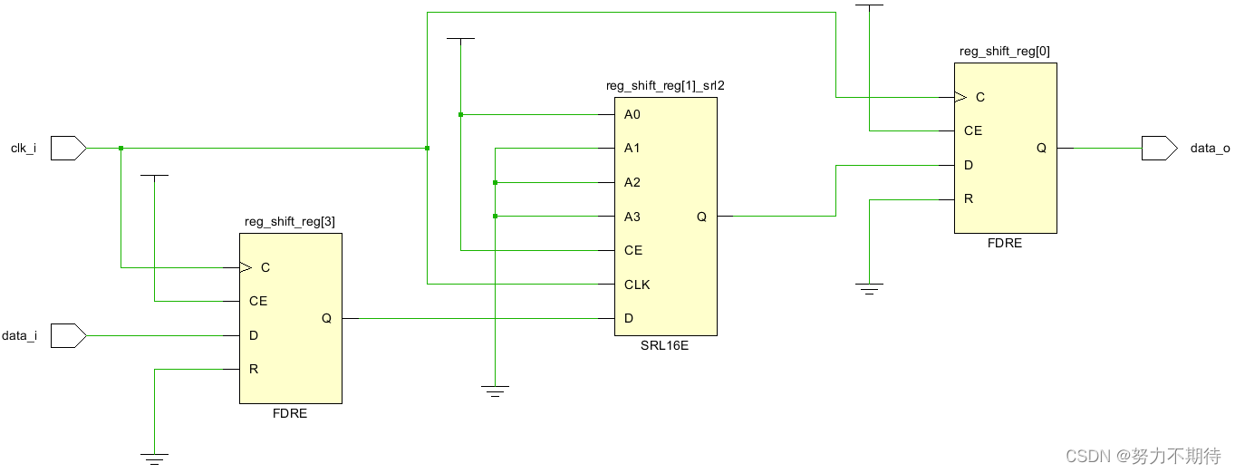
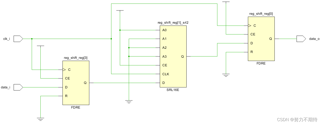
SRL_STYLE配置为srl
用LUT生成SRL。
测试代码
module top(
input clk_i,
input data_i,
output data_o);
parameter SHIFT = 4;
(*srl_style = "srl"*) reg[SHIFT-1:0] reg_shift;
always @(posedge clk_i)
begin
reg_shift <={data_i,reg_shift[SHIFT-1:1]};
end
assign data_o = reg_shift[0];
endmodule
原理图

SRL16E表示一个可以最大实现16位移位寄存的移位寄存器。
对应的Device视图

红色大框框表示一个SLICEM,红色MARK对应上上图的SRL16E,上图将红色MARK部分放大,可以看出SRL16E其实是LUT构成的,见下图。

资源利用率

资源利用率报告中的LUT是指设计中消耗的所有LUT,包括SLICEL中的LUT和SLICEM中的LUT。
资源利用率报告中的LUTRAM是指设计中消耗的SLICEM中的LUT。
SRL_STYLE配置为srl_reg
用LUT和FF(Flip Flop,触发器)生成SRL,最后一级深度用FF。
测试代码
module top(
input clk_i,
input data_i,
output data_o);
parameter SHIFT = 4;
(*srl_style = "srl_reg"*) reg[SHIFT-1:0] reg_shift;
always @(posedge clk_i)
begin
reg_shift <={data_i,reg_shift[SHIFT-1:1]};
end
assign data_o = reg_shift[0];
endmodule
原理图

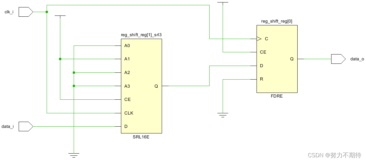
SRL_STYLE配置为reg_srl
第一级深度用FF(Flip Flop,触发器),其他用LUT。
测试代码
module top(
input clk_i,
input data_i,
output data_o);
parameter SHIFT = 4;
(*srl_style = "reg_srl"*) reg[SHIFT-1:0] reg_shift;
always @(posedge clk_i)
begin
reg_shift <={data_i,reg_shift[SHIFT-1:1]};
end
assign data_o = reg_shift[0];
endmodule
原理图

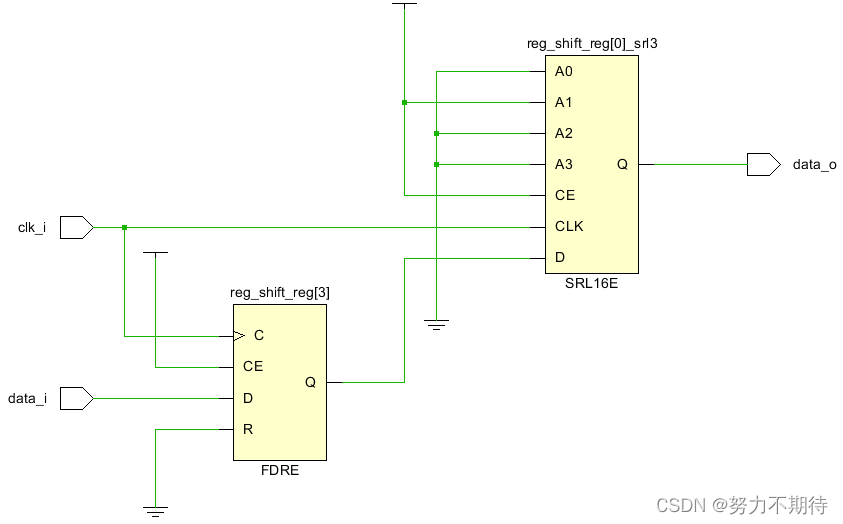
SRL_STYLE配置为reg_srl_reg
第一和最后一级深度用FF(Flip Flop,触发器),其他用LUT。
测试代码
module top(
input clk_i,
input data_i,
output data_o);
parameter SHIFT = 4;
(*srl_style = "reg_srl_reg"*) reg[SHIFT-1:0] reg_shift;
always @(posedge clk_i)
begin
reg_shift <={data_i,reg_shift[SHIFT-1:1]};
end
assign data_o = reg_shift[0];
endmodule
原理图

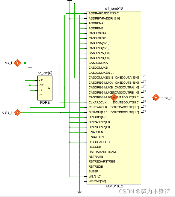
SRL_STYLE配置为block
用BRAM生成SRL。
测试代码
module top(
input clk_i,
input data_i,
output data_o);
parameter SHIFT = 4;
(*srl_style = "block"*) reg[SHIFT-1:0] reg_shift;
always @(posedge clk_i)
begin
reg_shift <={data_i,reg_shift[SHIFT-1:1]};
end
assign data_o = reg_shift[0];
endmodule
原理图

RAMB18E2表示UltraScale系列FPGA(我的环境是XCZU21DR)使用Block RAM构成的18Kb 存储单元。
Device视图

黄色框框表示1个Block RAM。
资源利用率

最后
以上就是甜美唇膏最近收集整理的关于Vivado综合属性之SRL_STYLE默认值SRL_STYLE配置为registerSRL_STYLE配置为srlSRL_STYLE配置为srl_regSRL_STYLE配置为reg_srlSRL_STYLE配置为reg_srl_regSRL_STYLE配置为block的全部内容,更多相关Vivado综合属性之SRL_STYLE默认值SRL_STYLE配置为registerSRL_STYLE配置为srlSRL_STYLE配置为srl_regSRL_STYLE配置为reg_srlSRL_STYLE配置为reg_srl_regSRL_STYLE配置为block内容请搜索靠谱客的其他文章。

发表评论 取消回复