在本篇里,我们讨论 Verilog 语言的综合问题,Verilog HDL (Hardware Description Language) 中文名为硬件描述语言,而不是硬件设计语言。这个名称提醒我们是在描述硬件,即用代码画图。
在 Verilog 语言中,always 块是一种常用的功能模块,也是结构最复杂的部分。笔者初学时经常为 always 语句的编写而苦恼,不知道使用哪种赋值语句,不了解两种赋值之间的区别。究其本质是对 always 语句的综合一知半解,常年使用软件思维编写代码所致。
现在我总结出:always 块的综合可以分为至少三类电路,由于历史原因,三种电路均使用 always 关键字。
此外 reg 关键字也存在一些迷惑性,综合器并不一定生成寄存器。
reg 在 verilog 语法中的定义为变量,它有可能是寄存器,也有可能是连线。
第一类就是组合逻辑,如代码 1-1 和 代码 1-2
// 1-1 组合逻辑
always @ (*)
begin
if(a>b)
q = 1;
else
q = 0;
end
代码 1-1 是展示了一个简单组合逻辑的 always 块,它应该被综合成一个一位的比较器。
// 1-2 组合逻辑,缺少敏感信号
always @ (a)
begin
if(a>b)
q = 1;
else
q = 0;
end
代码 1-2 也是一个组合逻辑,与 1-1 不同的是,敏感信号列表中没有 b。
我们知道,在 Verilog 语法中, always 块的含义是一个重复执行的语句。
那么 1-2 会综合成一个比较器:
- 当 a 发生变化时,q 发生变化
- 当 b 发生变化,由于 b 不再敏感信号列表中,所以 q 不变
这是一个彻头彻尾的软件思维,世界上不存在这种电路,综合器多半会综合一个与代码 1-1 一样的电路,然后报一个警告。
编写组合逻辑的 always 块,使用 * 代替敏感信号列表是一个简单方便而且不容易出错的好办法。
第二类就是时序逻辑
// 2-1 时序逻辑
reg [1:0] q;
always @ (posedge clk)
begin
q <= q + 1'b1;
end
注意:这里使用的是阻塞赋值,我们的 q 这个时候被综合成一个寄存器,而不是一个软件上的变量。
代码 2-1 是一个时序逻辑单元,它应该被综合成一个计数器,每当时钟的上升沿,q 自增一。综合后的 部分 RTL 图如下:

我们可以看到,q 通过了一个加法器,加法器是两位的。
而关键的 always 块的综合结果如下图所示:

我们可以看到,always 块综合了一个时钟上升沿触发的 D 触发器。每当时钟的上升沿,D 触发器就把输入 D 传递到另一侧 Q。
综合器就这样完成了我们的设计意图:D 的左侧总是等于 Q+1,只有在 时钟的上升沿,才完成值的传递。完整的RTL 图如下:

// 2-2 时序逻辑,带异步复位
reg [1:0] q;
always @ (posedge clk or negedge rst_n)
begin
if(!rst_n)
q <= 2'b00;
else
q <= q + 1'b1;
end
综合后的 RTL 图如下:

代码2-2综合成一个带有清零端的 D 触发器,其余与 2-1 无异。
// 2-3 时序逻辑,带同步置位
reg [1:0] q;
always @ (posedge clk or posedge set)
begin
if(set)
q <= 2'b11;
else
q <= q + 1'b1;
end

代码 2-3 综合成一个带有同步置位的 D 触发器,其余与 2-1 无异。
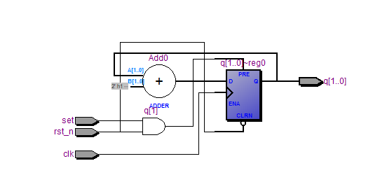
// 2-4 时序逻辑,带同步置位和异步复位
reg [1:0] q;
always @ (posedge clk or posedge set or negedge rst_n)
begin
if(!rst_n)
q <= 2'b00;
else if(set)
q <= 2'b11;
else
q <= q + 1'b1;
end
RTL 图:

可以看到多了个与门,代码 2-4 是代码 2-2 和 代码 2-3 的组合结果。
当然咯,这里的综合是指的逻辑综合,而实际上的综合和具体实现与逻辑无关。比如在 FPGA 芯片使用的是查找表LUT,并没有独立的组合逻辑。而仿真器则使用编译方法,仿真器把 verilog 语言编译为 x86 汇编并直接在 CPU 上运行。
好啦,本篇到这里就结束了,下一篇会深入讨论综合工具的一些其他细节。?
转载于:https://www.cnblogs.com/SummerSunnyDay/p/11543929.html
最后
以上就是愉快柠檬最近收集整理的关于我的 FPGA 学习历程(15)—— Verilog 的 always 语句综合的全部内容,更多相关我的内容请搜索靠谱客的其他文章。
发表评论 取消回复