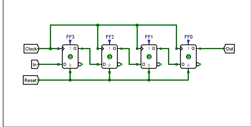
在Logisim中,构建由4个D触发器构成的4位右移移位寄存器,要求上升沿触发,具有异步复位功能。
相关知识
寄存器(Register)的功能是存储二进制代码,它是由具有存储功能的触发器组合起来构成的。一个触发器可以存储1位二进制代码,故存放n位二进制代码的寄存器,需用n个触发器来构成。
移位寄存器(Shift Register)的结构也比较简单,其中的数据可以在移位脉冲作用下依次逐位右移或左移,如下图所示。



最后
以上就是无私芝麻最近收集整理的关于移位寄存器的设计的全部内容,更多相关移位寄存器内容请搜索靠谱客的其他文章。
本图文内容来源于网友提供,作为学习参考使用,或来自网络收集整理,版权属于原作者所有。
发表评论 取消回复