D触发器是什么?
按照国际惯例,先说结论:
D触发器就是SR锁存器带了个开关,开关闭合时,D触发器就是SR锁存器,开关断开时,无论输入什么,输出不变。(但是只知道这个不够)
D触发器分两类,电平触发D触发器和边沿触发D触发器,先说比较简单的电平触发D触发器,而且必须先说它,因为边沿触发D触发器是由电平触发D触发器构成的,电平触发D触发器的原理框图长这样:

- 电平触发D触发器右侧是一个与非门构成的SR锁存器,两个输入为低电平有效。两个输入分别接了一个与非门,左侧的两个与非门的输入中各一个接了CLK信号。(如果不知道什么是SR锁存器,先看上一篇文章)
- 那么,我们可以从这里分析,假设CLK信号一直为1,那么把那个非门去掉的话,左侧相当于除CLK之外还有两个输入,而这两个输入经过与非门之后会被反相,那么此时的逻辑就与或非门构成的SR锁存器一致了(就和上篇文章里的那个跷跷板一致了)(注意与非门SR锁存器和或非门SR锁存器之间的区别)。
- 那么加了非门之后,两个输入变为一个输入,且一个为高电平则另一个必为低电平(D和“D非”),即Q不是被置位就是被清零,当D为高电平时Q被置位,低电平时Q被清零。
- 现在来考虑CLK信号,当CLK为高电平时,左侧两个与非门对于从D和“D非”信号来说相当于一个非门,信号可以通过,并能进行置位与清零。当CLK为低电平时,不管D和“D非”输入什么电平,与非门输出永远是高电平,那么输出Q将保持不变,也就是说,CLK决定了D是否生效。
这就是电平触发D触发器的完整逻辑了,可以看一下下面的电压波形图,根据前两个推导后两个,以检验是否理解。

然而,在CMOS电路中的实现却与上述原理不同。这里要引入一个概念叫“CMOS传输门”。
直接搬教材吧!教材这段不看也不影响后面的理解。


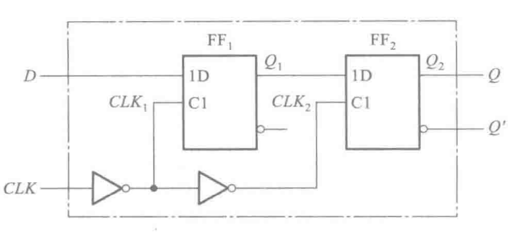
边沿触发D触发器的原理框图长下面这样:

其中,FF1和FF2就是电平触发D触发器。我们分析一下信号的处理过程:
- 当CLK为0时,Q1随D变化,两者一致,但Q2不为Q1所动,一直保持初始状态。当CLK上升沿到来,Q1便保持上升沿到来前最后一刻的状态,不为D所动,而Q2便立刻与Q1保持一致。
- 简而言之,在CLK上升沿到来的一瞬间,边沿触发D触发器的输出便与输入完成一次同步,而其他任何情况下,输出都不会改变。
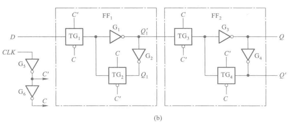
但是刚才的分析是针对原理框图而言的,您猜怎么着,在CMOS电路中的实现过程也是不一样的,还把教材搬过来:


此外,在实际使用中,这两种D触发器都还要再加上“异步置位”引脚,就如同拥有超级管理员权限一样,这两个管脚可以无视CLK的电平情况,在被使能的状态下直接无条件将输出置位或清零。
图片全部来自《数字电子技术基础 阎石 第6版》
最后
以上就是醉熏酸奶最近收集整理的关于2021-10-11 学习笔记 什么是D触发器?D触发器是什么?的全部内容,更多相关2021-10-11内容请搜索靠谱客的其他文章。
本图文内容来源于网友提供,作为学习参考使用,或来自网络收集整理,版权属于原作者所有。
发表评论 取消回复