我是靠谱客的博主 眼睛大身影,这篇文章主要介绍试求下图示电路的驱动方程、状态方程, 并画出状态表. 再在本电路的基础上, 修改反馈逻辑, 将电路改造成同步八进制计数器(二〇二〇年山东大学数字电路906综合题第6题)(全网第一手资料),现在分享给大家,希望可以做个参考。

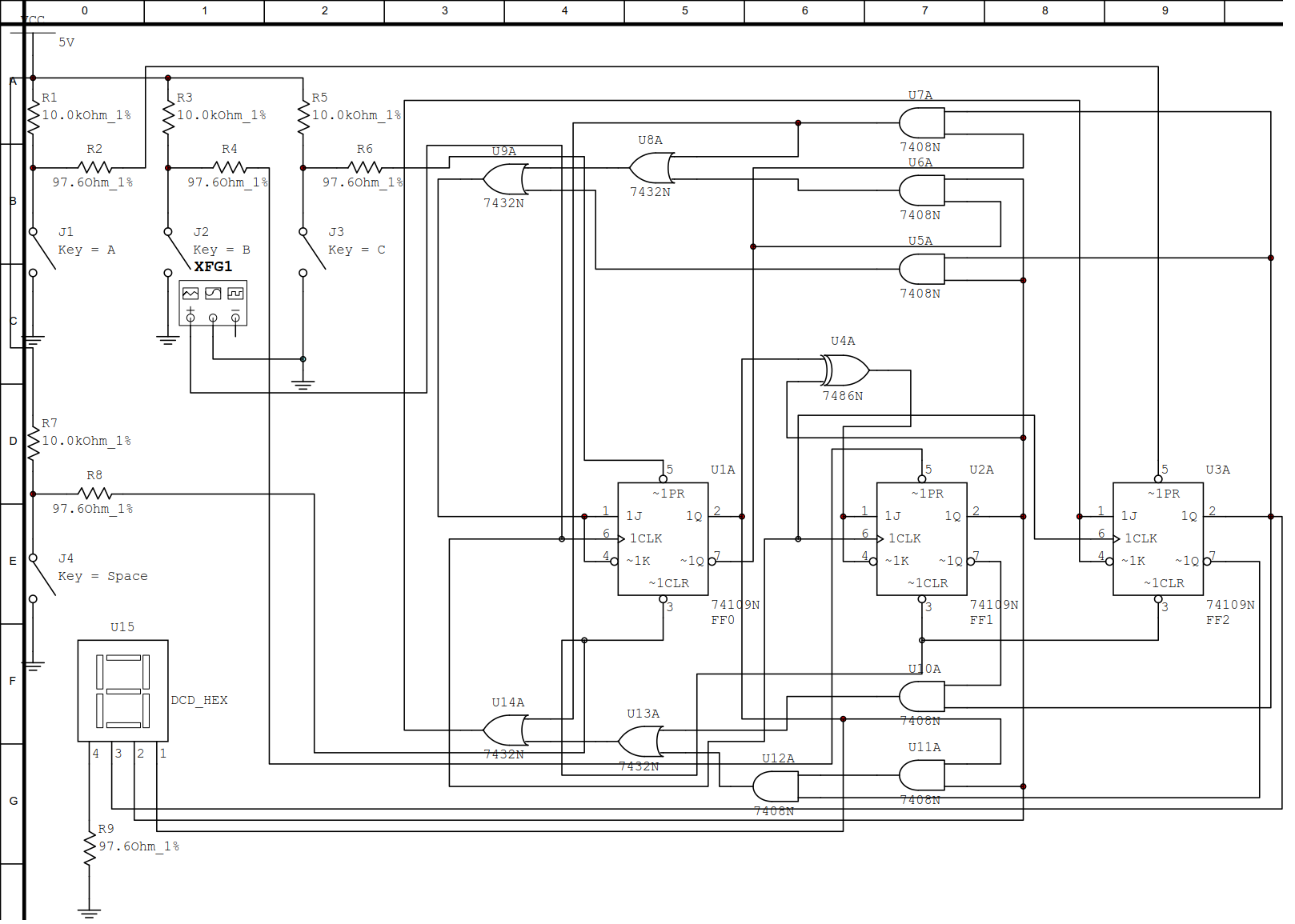
(10分)6. 试求下图示电路的驱动方程、状态方程, 并画出状态表. 再在本电路的基础上, 修改反馈逻辑, 将电路改造成同步八进制计数器.
根据上述电路图, 可求得 D0=Q2Q1+Q1Q0'+Q2Q0', D1=Q1异或Q0, D2=Q2Q1'+Q2Q0'+Q2'Q1Q0.
根据求得的驱动方程, 得到状态方程 Q0*=D0=Q2Q1+Q1Q0'+Q2Q0', Q1*=D1=Q1异或Q0, Q2*=D2=Q2Q1'+Q2Q0'+Q2'Q1Q0.
根据求得的状态方程, 得到状态表(这里不再赘述状态图).
| Q2 | Q1 | Q0 | Q2* | Q1* | Q0* |
| 0 | 0 | 0 | 0 | 0 | 0 |
| 0 | 0 | 1 | 0 | 1 | 0 |
| 0 | 1 | 0 | 0 | 1 | 1 |
| 0 | 1 | 1 | 1 | 0 | 0 |
| 1 | 0 | 0 | 1 | 0 | 1 |
| 1 | 0 | 1 | 1 | 1 | 0 |
| 1 | 1 | 0 | 1 | 1 | 1 |
| 1 | 1 | 1 | 0 | 0 | 1 |
通过观察状态表, 我们可以发现, 状态000未进入有效循环之内.
令状态000的次态为001, 再令状态111的次态为000, 如此一来, 电路便修改为同步八进制(加法)计数器了.
根据上述修改过程, 修改状态表.
| Q2 | Q1 | Q0 | Q2* | Q1* | Q0* |
| 0 | 0 | 0 | 0 | 0 | 1 |
| 0 | 0 | 1 | 0 | 1 | 0 |
| 0 | 1 | 0 | 0 | 1 | 1 |
| 0 | 1 | 1 | 1 | 0 | 0 |
| 1 | 0 | 0 | 1 | 0 | 1 |
| 1 | 0 | 1 | 1 | 1 | 0 |
| 1 | 1 | 0 | 1 | 1 | 1 |
| 1 | 1 | 1 | 0 | 0 | 0 |
根据状态表, 得到状态激励表.
| Q2 | Q1 | Q0 | D2 | D1 | D0 |
| 0 | 0 | 0 | 0 | 0 | 1 |
| 0 | 0 | 1 | 0 | 1 | 0 |
| 0 | 1 | 0 | 0 | 1 | 1 |
| 0 | 1 | 1 | 1 | 0 | 0 |
| 1 | 0 | 0 | 1 | 0 | 1 |
| 1 | 0 | 1 | 1 | 1 | 0 |
| 1 | 1 | 0 | 1 | 1 | 1 |
| 1 | 1 | 1 | 0 | 0 | 0 |
根据状态激励表, 求出新的驱动方程 D0=Q0', D1=Q1异或Q0, D2=Q2Q1'+Q2Q0'+Q2'Q1Q0.
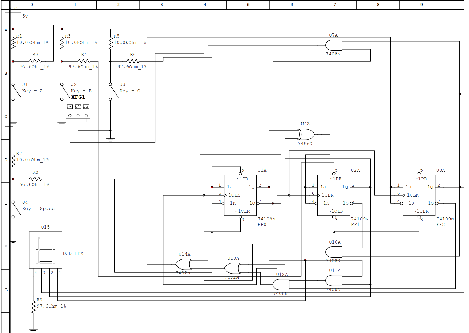
根据求出的驱动方程, 绘制电路的原理图.

最后
以上就是眼睛大身影最近收集整理的关于试求下图示电路的驱动方程、状态方程, 并画出状态表. 再在本电路的基础上, 修改反馈逻辑, 将电路改造成同步八进制计数器(二〇二〇年山东大学数字电路906综合题第6题)(全网第一手资料)的全部内容,更多相关试求下图示电路的驱动方程、状态方程,内容请搜索靠谱客的其他文章。
本图文内容来源于网友提供,作为学习参考使用,或来自网络收集整理,版权属于原作者所有。
发表评论 取消回复