6.实验内容及步骤
(1)数据选择器的逻辑功能测试。

表2.3.1 74151的功能表测试
(2)数值比较器的逻辑功能测试(表格自拟)。
| Comparing Inputs | Cascading Inputs | Outputs | |||||||
| A3,B3 | A2,B2 | A1,B1 | A0,B0 | A>B | A<B | A=B | A>B | A<B | A=B |
| A3>B3 | X | X | X | X | X | X | 1 | 0 | 0 |
| A3<B3 | X | X | X | X | X | X | 0 | 1 | 0 |
| A3=B3 | A2>B2 | X | X | X | X | X | 1 | 0 | 0 |
| A3=B3 | A2<B2 | X | X | X | X | X | 0 | 1 | 0 |
| A3=B3 | A2=B2 | A1>B1 | X | X | X | X | 1 | 0 | 0 |
| A3=B3 | A2=B2 | A1<B1 | X | X | X | X | 0 | 1 | 0 |
| A3=B3 | A2=B2 | A1=B1 | A0>B0 | X | X | X | 1 | 0 | 0 |
| A3=B3 | A2=B2 | A1=B1 | A0<B0 | X | X | X | 0 | 1 | 0 |
| A3=B3 | A2=B2 | A1=B1 | A0=B0 | 1 | 0 | 0 | 1 | 0 | 0 |
| A3=B3 | A2=B2 | A1=B1 | A0=B0 | 0 | 1 | 0 | 0 | 1 | 0 |
| A3=B3 | A2=B2 | A1=B1 | A0=B0 | 0 | 0 | 1 | 0 | 0 | 1 |
| A3=B3 | A2=B2 | A1=B1 | A0=B0 | X | X | 1 | 0 | 0 | 1 |
| A3=B3 | A2=B2 | A1=B1 | A0=B0 | 1 | 1 | 0 | 0 | 0 | 0 |
| A3=B3 | A2=B2 | A1=B1 | A0=B0 | 0 | 0 | 0 | 1 | 1 | 0 |
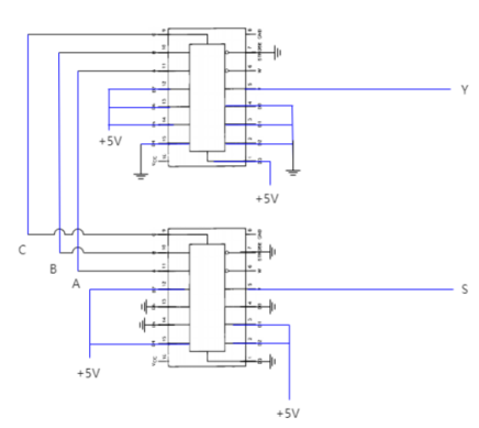
(3)用74HC151设计一位全加器。
其模型如图2.3.3所示,要求如下:
①写出真值表。
②写出两条相关的最小项表达式。
③画出接线图。
④实验验证其逻辑功能。

图2.3.3 全加器模型图
| A | B | C | Y | S |
| 0 | 0 | 0 | 0 | 0 |
| 0 | 0 | 1 | 0 | 1 |
| 0 | 1 | 0 | 0 | 1 |
| 0 | 1 | 1 | 1 | 0 |
| 1 | 0 | 0 | 0 | 1 |
| 1 | 0 | 1 | 1 | 0 |
| 1 | 1 | 0 | 1 | 0 |
| 1 | 1 | 1 | 1 |
表2.3.2 真值表
最小项的表达式:

电路图:

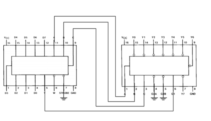
(4)应用74LS151和74LS138设计一个8位数据传输电路。其功能是能将8个输入数据中的任何一个传送到8个输出端中的任何一个输出端。如何连接,试画出接线图。
答:如图所示,两片芯片的A、B、C连在一起,再把74LS151的输出端Y连在74LS138的使能控制端G1上面。利用74LS151来控制74LS138。

7.思考题
(1)数据选择器和唯一地址译码器设计任意三变量逻辑函数有什么不同的特点?
答:数据选择器有三个控制端(A、B、C)、八个输入端(D0~D7)和一个输出端(Y),它是通过对特定的输入端进行赋值来实现三变量逻辑函数的。而唯一地址译码器是有三个控制端(A、B、C)、八个输出端(~),它是通过对特定的输出端进行逻辑连接来实现三变量逻辑函数的。
(2)数值比较器如何扩展输入端口数目?
答:数值比较器的扩展方式有串联和并联两种。
(1)串联:低4位的比较结果应作为高4位的条件,即低4位比较器的输出端应分别与高4位比较器的IA>B、IA<B、IA=B端连接。

(2)并联:采用两级比较方法,将16位按高低位次序分成4组,每组4位,各组的比较是并行进行的。将每组的比较结果再经4位比较器进行比较后得出结果。

(3)总结本次实验的心得。
最后
以上就是幸福哑铃最近收集整理的关于实验三、 数据选择器及数值比较器的逻辑功能及应用的全部内容,更多相关实验三、内容请搜索靠谱客的其他文章。
发表评论 取消回复