就着上课讲的内容进行回忆。
1.集成电路的抗干扰能力:参数:噪声容限:TTL 小 0.4-0.8v CMOS 大 1v以上
2.集成电路的带负载能力:参数:扇出系数(驱动同类门个数的能力) TTL 小 一般在10以下 CMOS大 至少50
3.传输延迟时间:输出波形相对于输入波形的平均滞后时间tpd=tphl+tplh/2.(分别指示前沿滞后和后沿滞后时间)
对于CMOS反相器(功耗低,电路简单),由于没学习模电,个人认为只要抓住主要矛盾知道是用来干什么的就好

对于这样的一个反向器,个人有个对与初学者比较好记忆的方法:左负右正也就是对于上下端VGS(th)P<0, VGS(th)N >0才能导通,而当下端导通时由于下端接地所以输出低电平,上端连接了一个VDD,所以是高电平,所以实现了电平的相反输出。
4.多余输入端处理:
与门,与非门:与电源相接,与信号端并接使用。
或,或非门:接地,与信号端并接使用。
接下来解释一些逻辑电路。

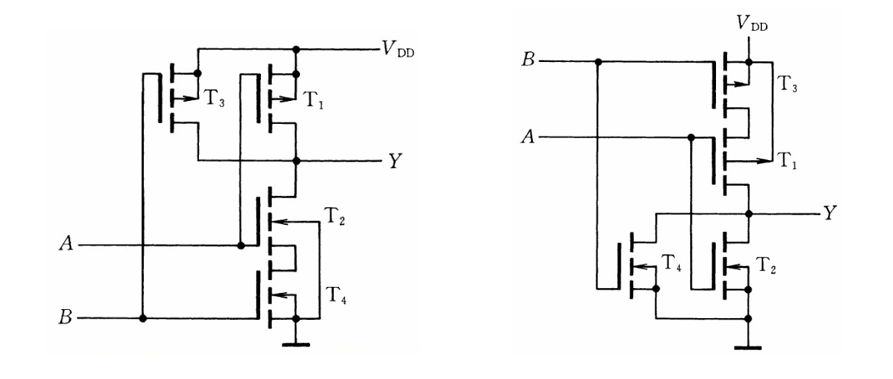
对于左图,可以看到下半部分且是V>0时导通,是串联,上半部分是并联,也就是说只有当A,B都输入高电平时,上半部分相当于两个并联的t3,t1都截止了,t2,t4导通,Y与地面相通所以输出低电平,也就是逻辑上的 1异或1为0,当A,B至少一个为低电平时,T2,T4由于是串联只有在都导通时才能被通过,而T3,T1至少有一个被导通,因此会与VDD相通也就是输出高电平。右图也就很好理解了,同理。
5.OD/OC门:输出端开路,以不受到电源电压影响。 应用:实现线与。
6.
. 三态门
1)高阻态:
三态门除了高低电平,还有第三个状态——高阻态。
高阻态:电路的一种输出状态,既不是高电平也不是低电平,如果高阻态再输入下一级电路的话,对下级电路无任何影响,可以理解为断路,不被任何东西所驱动,也不驱动任何东西。
三态门常用在IC的输出端,也称为输出缓冲器
2)下图是CMOS三态输出反相器的结构:
当EN’=0时,Y=A’:
A=1,G4、G5的输出为高电平,T1截止、T2导通,Y=0;
A=0,G4、G5的输出为低电平,T1导通、T2截止,Y=1;
当EN’=1时,不管A为高低状态,G4输出高电平,G5输出低电平,T1和T2同时截止,输出呈现高阻态。
3)三态门的应用:
减少各单元之间的连线数目:

数据的双向传输:

最后
以上就是光亮自行车最近收集整理的关于知识总结---集成门电路的全部内容,更多相关知识总结---集成门电路内容请搜索靠谱客的其他文章。
发表评论 取消回复