我是靠谱客的博主 含糊鸡翅,这篇文章主要介绍数字电路-门电路,现在分享给大家,希望可以做个参考。

摘要:本章系统地讲述了数字集成电路中的基本逻辑单元电路--门电路。由于门电路中的二极管和三极管经常工作在开关状态,所以首先介绍它们在开关状态下的工作特性。然后,重点讨论了目前广泛使用的CMOS门电路和TTL门电路。对于每一种门电路,除了讲解它们的工作原理和逻辑功能外,还着重介绍了它们作为电子器件的电气特性,特别是输入特性和输出特性,以便为实际使用这些器件打下必要的基础。最后,也对ECL电路和BiCOMS电路做了简单介绍。

这一节对所涉及到的二极管、三极管、场效应管知识均只做必要介绍,更详细的内容请点击模拟电路系列博客。

基本概念  

门电路:实现基本逻辑运算和复合运算的单元电路称为门电路,常用的门电路有非门、与非门、或非门、异或门、与或非门等。

正/负逻辑:以高电平表示逻辑1,低电平表示逻辑0,则称这种表示方法为正逻辑。反之,以高电平表示逻辑0,低电平表示逻辑1,则称这种表示方法为负逻辑。(除非特殊说明,本系列博客一律采用正逻辑。)

集成电路:将大量的分立元件通过特殊工艺集成在很小的半导体芯片上。(1961年美国德克萨斯公司(TI)率先发明。)

二极管门电路

半导体二极管的开关特性

静态特性:

将图1(左)中的开关用二极管代替,则可得到图2(右)所示的半导体二极管开关电路

图1 半导体二极管开关电路

对于图2所示二极管开关电路,由于二极管具有单向导电性,故它可相当受外加电压控制的开关。设V_{1}的高电平为V_{1H}=V_{CC}V_{1}的低电平为V_{1L}=0,且D为理想元件,即正向导通电阻为0,反向电阻无穷大,则稳态时当V_{1}=V_{1H}=V_{CC}时,D截止,输出电压V_{D}=V_{0H}=V_{CC}。当V_{1}=V_{1L}=0时,D导通,输出电压V_{0}=V_{0L}=0。即可以用输入电压vi的高低电平控制二极管的开关状态,并在输出端得到相应的高低电平。

然而二极管的特性并不是理想的开关特性,由半导体物理理论分析可知,二极管的特性可以近似地用的伏安特性曲线描述(图3),PN结所加电压u与流过他的电流i的关系为:i=I_{s}(etfrac{qu}{kT}-1),式中I_{s}反向饱和电流q为电子的电量,k为玻尔兹曼常数,T为热力学温度。

图3 PN结的伏安特性曲线

在分析二极管组成的电路时,虽然可以选用精确的二极管模型电路并通过计算机辅助分析求出准确结果,然而在多数情况下,需要通过近似的分析迅速判断二极管的开关状态。为此,经常需要利用近似的简化特性,以简化分析和计算过程。图4给出了二极管的三种近似的伏安特性曲线和对应的等效电路。具体分析过程略。

图4 二极管伏安特性的几种近似方法

动态特性:

当电路处于动态状态,即二极管两端电压突然反向时,半导体二极管所呈现的开关特性称为动态开关特性(简称动态特性),二极管的动态电流波形如图5所示。

图5 二极管动态电流波形

这是由于在输入电压转换状态的瞬间,二极管由反向截止到正向导通时,要等到PN节内部建立足够的电荷梯度后才开始有扩散电流形成,因此内电场的建立需要一定的时间,所以二极管电流的上升是缓慢的;当二极管由正向导通到反向截止时,因为PN节内尚有一定数量的存储电荷,所以有较大的瞬间反向电流流过,随着存储电荷的消散,反向电流迅速衰减并趋近与稳态时的反向饱和电流。由于时间很短,普通示波器不容易看到反向电流的瞬态波形。

在输入信号频率较低时,二极管的导通和截止的转换时间可以认为是瞬间完成的。但在输入信号频率较高时,此时间就不能忽略了。将二极管由截止转向导通所需的时间称为正向恢复时间(开通时间)t_{on};二极管由导通转向截止所需的时间称为反向恢复时间(关断时间)t_{re},两者统称为二极管的开关时间,一般t_{on}<< t_{re}

二极管与门

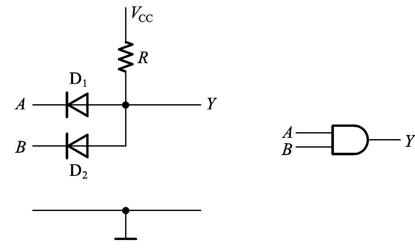
简单的二极管与门电路如图6所示,设VCC=5V,输入端A、B的高低电平为V_{1H}=3V,V_{1L}=0V,二极管的正向导通压降为 V_{DF}=0.7V,则:当A、B中有一个是低电平0V时,至少有一个二极管导通,使得输出Y的电压为0.7V,为低电平;只有A、B中都加高电平3V时,两个二极管同时导通,使得输出Y为3.7V,为高电平。

图片6 二极管与门

 

二极管或门

二极管或门电路如图7所示,设输入端A、B的高低电平为V_{1H}=3V,V_{1L}=0V,二极管的正向导通压降为 V_{DF}=0.7V,则:当A、B中有一个是高电平3V时,至少有一个二极管导通,使得输出Y的电压为2.3V,为高电平;只有A、B中都为低电平0V时,两个二极管同时截止,使得输出Y为0V,为低电平。

图片7 二极管或门

二极管构成的门电路虽然简单,但存在着严重的缺点:1,电平有偏移:输出的高低电平数值与输入的高低电平数值相差一个二极管的压降,后级的二极管门电路电平偏移,甚至使得高电平下降到门限值以下。2,带负载能力差:由于这种二极管门电路的输出电阻比较低,故带负载能力差,输出电平会随负载的变化而变化。因此,这种二极管门电路仅用作集成电路内部的逻辑单元,而不用在集成电路的输出端直接去驱动负载电路。可见,仅仅使用二极管门电路无法制作具有标准化输出电平的集成电路。

CMOS门电路

在CMOS集成电路中,以金属-氧化物-半导体场效应管(Metal-Oxide-Semiconductor Field-Effect Transistor,简称场效应管)作为开关器件。

MOS管的开关特性

MOS管的结构和工作原理

图8所示是MOS管的结构示意图和符号

图8 MOS管的结构和符号

V_{DS}>0,但 V_{GS}=0 时,D-S间不导通, I_{D}=0 。 当V_{DS}>0, 且V_{GS}>V_{GSleft ( th right )} (MOS管的开启电压)时,栅极下面的衬底表面形成一个N型反型层。这个反型层构成了D-S间的导电沟道,有 I_{D}流通。

MOS管的输入特性和输出特性

图9 MOS管漏极特性曲线

共源接法下的输出特性曲线又称为MOS管的漏极特性曲线,表示 I_{D}V_{GS}关系的曲线称为MOS管的转移特性曲线

MOS管的基本开关电路

图10 MOS管的基本开关电路

V_{1}=V_{GS}<V_{GSleft ( th right )}时,V_{OH}approx V_{DD}, D-S间相当于一个断开的开关。当V_{1}>V_{GSleft ( th right )}并继续升高,V_{OL}approx 0, D-S间相当于一个闭合的开关。若参数选择合理:输入低电平时MOS管截止,输出高电平。 输入高电平时MOS管导通,输出低电平

MOS管的开关等效电路

图11 MOS管的开关等效电路

C_{1}代表栅极的输入电容, C_{1}的数值约为几皮法。 R_{ON}为MOS管导通状态下的内阻,约在1kΩ以内。由于开关电路的输出端不可避免地会有一定的负载电容,所以在动态情况下,漏极电流I_{D}的变化和输出电压V_{DS}的变化都将滞后于输入电压的变化

MOS管的四种类型

MOS管共有四种类型,除上面已经介绍的N沟道增强型,还有P沟道增强型N沟道耗尽型P沟道耗尽型几类。

图12 增强型PMOS管共源极接法和转移特性

V_{GS}>V_{GSleft ( th right )},管子截止, I_{D}=0V_{GS}<V_{GSleft ( th right )}时,管子导通,iD∝ V 2GS

图13 耗尽型NMOS管共源极接法和转移特性

V_{GS}<V_{GSleft ( off right )}(负值),管子截止, I_{D}=0V_{GS}>V_{GSleft ( th right )}时,管子导通。

图14 耗尽型PMOS管共源极接法和转移特性

V_{GS}>V_{GSleft ( off right )}(正值),管子截止, I_{D}=0V_{GS}<V_{GSleft ( th right )}时,管子导通。

CMOS反相器的电路结构和工作原理

CMOS反相器的电路结构

图15为CMOS反相器的电路,其中T_{1}为P沟道增强型MOS管,T_{2}为N沟道增强型MOS管。它们构成互补对称电路。

V_{1}=V_{1H}=0为低电平时,T2截止, T1管导通,输出电压为高电平。当V_{1}=V_{1H}=V_{DD}为高电平时,T2导通, T1管截止,输出电压为低电平。

 图15 CMOS反相器电路

特点:1,无论V_{1}是高电平还是低电平,T_{1}T_{2}管总是一个导通一个截止的工作状态,称为互补,这种电路结构称为CMOS电路;2,由于无论输入为低电平还是高电平,T_{1}T_{2}总是有一个截止的,其截止电阻很高,故流过T_{1}T_{2}的静态电流很小,故其静态功耗很小。

电压传输特性和电流传输特性

反相器电压传输特性是输出电压V_{0}和输入V_{1}之间的关系曲线,如图16所示。

图16 反相器电压传输特性

AB段:输入低电平,V_{1}<V_{GSleft ( th right )N},T_{1}管导通,T_{2}截止,输出电压为高电平,即V_{0}=V_{0H}=V_{DD}

CD段:输入高电平,V_{1}>V_{DD}-left | V_{GSleft ( th right )P} right |,T_{1}管截止,T_{2}导通,输出电压为低电平,即V_{0}=V_{0H}=0

BC段:V_{GSleft ( th right )N}<V_{1}<V_{DD}-left | V_{GSleft ( th right )P} right |,T_{1}T_{2}同时导通,若T_{1}T_{2}参数完全相同,则当V_{1}=frac{1}{2}V_{DD}时,V_{0}=frac{1}{2}V_{DD}

电流传输特性是反相器的漏极电流随输入电压变化曲线,如图17所示。也分成三段:

图17 CMOS反相器的电流传输特性

AB段:输入低电平,V_{1}<V_{GSleft ( th right )N},T_{1}管导通,T_{2}截止,输出漏极电流近似为0。

CD段:输入高电平,V_{1}>V_{DD}-left | V_{GSleft ( th right )P} right |,T_{1}管截止,T_{2}导通,输出漏极电流近似为0。

BC段:V_{GSleft ( th right )N}<V_{1}<V_{DD}-left | V_{GSleft ( th right )P} right |,T_{1}T_{2}同时导通,有电流I_{D}同时通过,若且在V_{1}=frac{1}{2}V_{DD}附近处,漏极电流最大,故在使用输入电压不应长时间工作在这段,以防由于功耗过大而损坏。

输入端噪声容限

由图16 CMOS反相器的电压传输特性可知,在输入电压V_{1}偏离正常低电平或高电平时,输出电压V_{0}并不随之马上改变,允许输入电压有一定的变化范围。输入端噪声容限:是指在保证输出高、低电平基本不变(不超过规定范围)时,允许输入信号高、低电平的波动范围。

图18 CMOS反相器输入噪声容限示意图

输入噪声容限为:left{begin{matrix} V_{NH}=V_{0Hleft ( min right )}-V_{1Hleft ( min right )}\ V_{NL}=V_{1Lleft ( max right )}-V_{0Lleft ( max right )} end{matrix}right.,输入噪声容限和电源电压V_{DD}有关,当V_{DD}增加时,电压传输特性右移,可以通过提高 V_{DD}来提高噪声容限。

CMOS 反相器的静态输入和输出特性

CMOS 反相器的静态(不考率输入输出延迟)输入和输出特性为输入端和输出端的伏安特性。

输入特性

输入特性是从CMOS反相器输入端看其输入电压与电流的关系。由于MOS管的栅极和衬底之间存在SiO2为介质的输入电容,而绝缘介质又很薄,非常容易被击穿,所以对由MOS管所组成的CMOS电路,必须采取保护措施。

 图19 CMOS反相器的两种常用保护电路

其中D_{1}D_{2},正向导通压降为V_{DF}=0.5V~0.7V,反向击穿电压约为30V,D_{2}为分布式二极管,可以通过较大的电流,R_{S}的值一般在1.5~2.5KΩ之间。 C_{1}C_{2}T_{1}T_{2}的栅极等效电容。在输入信号正常工作范围内,即0leqslant V_{1}leqslant V_{DD},输入端保护电路不起作用。当V_{1}> V_{DD}+V_{F}时,D_{1}导通,将栅极电位V_{G}钳位在V_{DD}+V_{F},而当V_{1}<-V_{F}时,D_{2}导通,将栅极电位V_{G}钳位在-V_{F},这样使得C_{1}C_{2}不会超过允许值。

其输入特性如图20所示:

图20 CMOS反相器的输入特性

输出特性

输出特性为从反相器输出端看输出电压喝输出电流的关系,包括输出为低电平输出特性和输出为高电平输出特性。

低电平输出特性:在输入为高电平,即V_{1}=V_{1H}=V_{DD}时,此时T_{1}截止,T_{2}导通,如图21所示,电流从负载注入T_{2},输出电压V_{OL}随电流增加而提高。

图21 输出为低电平时的输出特性

高电平输出特性:在输入为低电平,即V_{1}=V_{1L}=0时,此时T_{1}导通,T_{2}截止,如图22所示,电流从T_{1}管流出到负载,输出电压V_{OH}=V_{DD}-I_{OH}R_{ON1}随电流增加而下降。

图22 输出为高电平时的输出特性

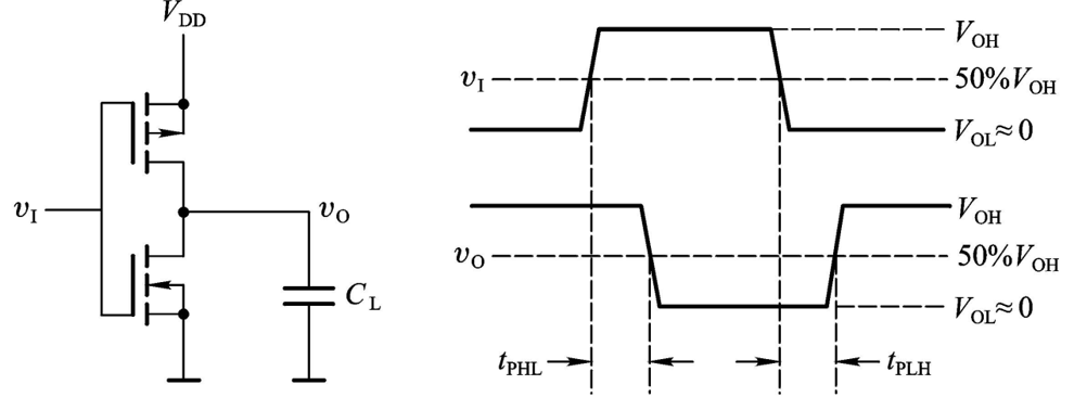
CMOS反相器的动态特性

前面的输入输出特性为静态特性,没有考虑电路转换状态时的延迟,动态特性要考虑传输延迟时间。

传输延迟时间t_{PHL}t_{PLH}

由于MOS管的寄生电容和负载电容的存在,使得输出电压的变化滞后输入电压的变化,将输出电压变化迟后输入电压变化的时间成为传输延迟时间。

图23 CMOS反相器的输入输出波形

t_{PHL}-输入电压前沿上升到幅值的50%与输出后沿下降到幅值的50%之间的差值。

t_{PLH}-输入电压后沿下降到幅值的50%与输出前沿上升到幅值的50%之间的差值。

t_{PD}-平均传输延迟时间,t_{PD}=left ( t_{PHL} + t_{PLH}right )/2

CMOS电路t_{PHL}t_{PLH}

交流噪声容限

由于电路中存在着开关时间和分布电容的充放电过程,因而门电路输出状态的改变,直接与输入脉冲信号的幅度和宽度有关,当输入脉冲信号的宽度接近于门电路传输延迟时间的情况下,则需要较大的输入脉冲幅度才能使电路的输出发生变化。也就是说门电路对窄脉冲的噪声容限要高于直流噪声容限。

图24 交流噪声容限在不同VDD时交流噪声容限与噪声电压作用时间的关系

可以看出,噪音电压作用时间越短、电源电压越高。则交流噪音容限越大。

动态功耗

当CMOS反相器从一种稳定工作状态突然转变到另一种稳定状态过程中,将产生附加的功耗,称为动态功耗。它包括对负载电容充放电的功耗P_{C}和在两个管子同时导通时V_{GSleft ( th right )N}<V_{1}<V_{DD}-left | V_{GSleft ( th right )P} right |的功耗P_{T}

电容充放电的功耗P_{C}为:P_{C}=C_{L}fV_{DD}^{2}。其中:C_{L}-负载电容,f-输入信号的频率 ,V_{DD}-漏极电源电压

两个管子同时导通时的功耗P_{T}为:P_{T}=C_{PD}fV_{DD}^{2}。其中:C_{PD}为功耗电容,一般由厂家给出。

总的动态功耗为:P_{D}=P_{T}+P_{C}=left ( C_{L} +C_{PD}right )fV_{DD}^{2}

CMOS反相器的总功耗静态功耗和动态功耗之和,即P_{YOY}=P_{DT}+P_{s}。其中:P_{s}为静态功耗,由于稳定时无论输入是高电平还是低电平,总有一个管子是截止的,故静态功耗很小,故在计算总功耗时,一般只计算动态功耗。

扇出

扇出表示一个电路的输出端能够驱动同类型负载电路输入端的数目。一般来说,直流工作时扇出数目远大于动态工作时扇出数目。在低频时(小于1M赫兹)的工作条件下,CMOS电路的扇出数一般可达50以上。随着开关工作频率的提高,扇出数将随之下降。

其他逻辑功能的CMOS门电路

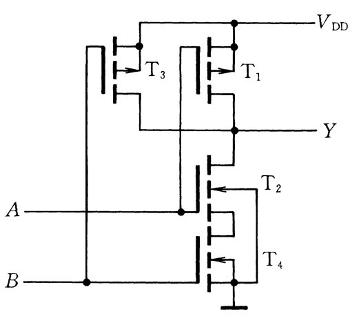
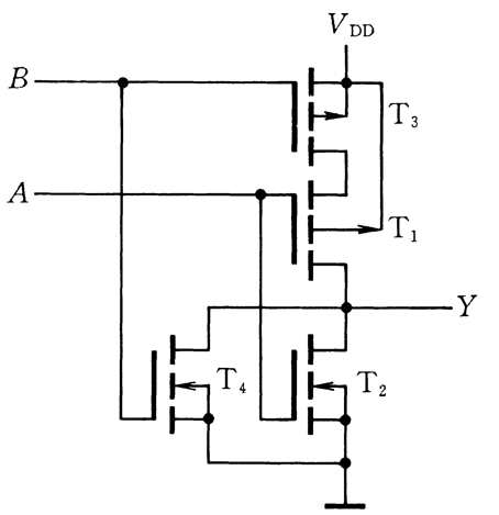
与非门:如图25所示,T_{1}T_{3}为两个串联的PMOS,T_{2}T_{4}为两个并联的NMOS。(分析略)

图25 CPMS与非门

或非门:如图26所示,T_{1}T_{3}为两个并联的PMOS,T_{2}T_{4}为两个串联的NMOS。(分析略)

图26 CPMS或非门

带缓冲级的CMOS门电路

上面电路存在的问题:

  1. 输出电阻R_{0}受输入状态的影响。
  2. 输出电阻R_{0}受输入状态的影响。
  3. 输入状态不同对电压传输特性有影响,使T_{2}T_{4}达到开启电压时,输入电压V_{1}不同。

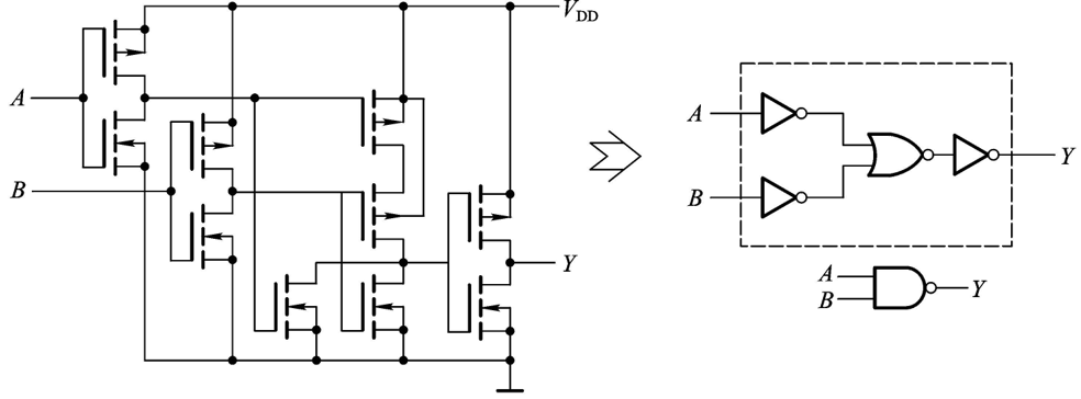
 改进电路均采用带缓冲级的结构,如图27为带缓冲级的CMOS与非门电路。

图27 带缓冲级的CMOS与非门电路

带缓冲级的CMOS门电路其输出电阻、输出高低电平均不受输入端状态的影响,电压传输特性更陡。

漏极开路输出的门电路(OD门)

为了满足输出电平的变换,输出大负载电流,以及实现“线与”功能,将CMOS门电路的输出级做成漏极开路的形式,称为漏极开路输出的门电路,简称OD(Open-Drain Output)门。

图28为OD输出与非门74HC03电路结构图,其与非门和非门都是CMOS逻辑门,输出管为漏极开路的NMOS门。

图28 OD输出与非门74HC03电路结构图

在使用OD门时,一定要将输出端通过电阻(叫做上拉电阻)接到电源上,如图29所示:

图29 OD门工作电路

普通的CMOS逻辑门输出端不能并联使用,但OD门可以将输出端直接相接,即实现线与逻辑,其电路如图30所示:

图30 线与逻辑电路的接法

工作原理、上拉电阻阻值计算、应用等略。

CMOS传输门

图31为CMOS传输门的电路图及逻辑符号

图31 CMOS传输门的电路图及逻辑符号

其中T_{1}为NMOS管, T_{2}为PMOS管,CC^{'}为一对互补控制信号。

工作原理:若CMOS传输门的一端接输入电压V_{1},另一端接负载电阻R_{L},如图32所示。则:

图32 传输门的工作电路

C=0, C^{'}=1时:只要V_{1}在0~ VDD之间变化,T_{1}T_{2}同时截止,输入和输出为高阻态,传输门截止,输出V_{0}=0。

C=1, C^{'}=0时:在V_{1}在0~ VDD时,若0< V_{1} < VDD-V_{GS(th)N}T_{1}管导通,T_{2}管截止,如图33所示,输出为V_{0}=V_{1};若|V_{GS(th)P}|<V_{1}< VDDT_{1}管截止,T_{2}管导通,输出为V_{0}=V_{1}

图33 CMOS传输门的工作状态

特点:

  1. 由于T_{1}T_{2}管的结构对称,即漏源可以互换,故CMOS传输门输入双向器件,其输出端和输入端也可以互换使用;
  2. 利用CMOS传输门和CMOS反相器可以组成各种复杂的逻辑电路,如一些组合逻辑电路,象数据选择器、寄存器、计数器等。
  3. 利用CMOS传输门可以组成双向模拟开关,用来传输连续变化的模拟电压信号,这一点是其它一般逻辑门无法实现的。

三态输出的CMOS门电路

其电路如图34所示,这是三态反相器,也称为输出缓冲器,输出的状态不仅有高电平、低电平,还有第三态-高阻态。

图34 CMOS三态门的电路

CMOS电路的正确使用

TTL门电路

TTL—Transistor-Transistor Logic(三极管-三极管逻辑),TTL逻辑门就是由双极型晶体三极管构成的逻辑门电路。

双极型三极管的开关特性

双极型三极管的结构:(参考模电系列博客相关章节)

双极型三极管的输入特性和输出特性:(参考模电系列博客相关章节)

双极型三极管的基本开关电路

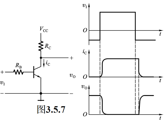
三极管开关电路如图35所示:

图35 晶体三极管开关电路

稳态时若合理选择电路的参数,即:当V_{I}=V_{IL}<V_{ON}死区电压),为低电平时,使得三极管处于截止状态,输出V_{O}=V_{OH}approx V_{CC},为高电平。当V_{I}=V_{IH},为高电平时,使得I_{B}>I_{BS}=V_{CC} /beta R_{C},三极管处于饱和导通状态,输出V_{O}=V_{OL}= V_{ces}approx0,为低电平。

双极型三极管的开关等效电路

三极管开关状态下的等效电路如图36所示。

图36 三极管开关状态下的等效电路

当三极管截止时,发射结反偏,i_{c}approx 0,相当开关断开;当三极管饱和时,发射结正偏,V_{CE}=V_{CE(sat)}approx 0,相当开关闭合。

双极型三极管的动态开关特性

在动态情况下,三极管在截止和饱和导通两种状态迅速转换时,三极管内部电荷的建立与消失都需要一定的时间,故集电极电流的变化要滞后于输入电压的变化。

图37 双极型三极管的动态开关特性

 

TTL反相器的电路结构和工作原理

电路结构

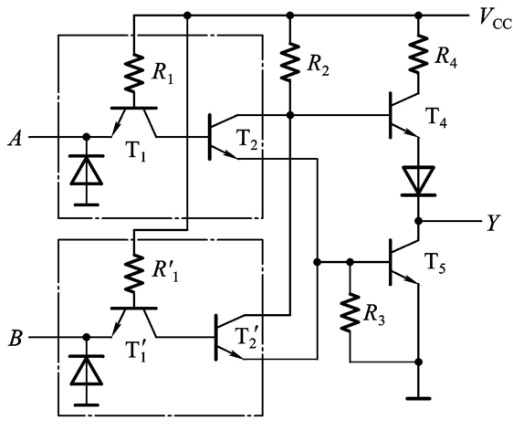
其电路如图38所示,它是由T_{1}R_{1}D_{1}组成输入级、由 T_{2}R_{2}R_{3}组成倒相级、由T_{4}T_{5}R_{4}D_{2}组成推拉式输出级构成的。设:V_{CC}=5VV_{IH}=3.4VV_{IL}=0V, PN结的导通压降为V_{ON}=0.7V。(分析过程略)

图38 TTL反相器的电路

特点:1,T_{1}处于“倒置”状态,其电流放大系数远远小于1。2,由T_{4}T_{5}构成TTL反相器推拉式输出,在输出为高电平时, T_{4}导通,T_{5}截止;在输出为低电平时,T_{4}截止,T_{5}导通。由于T_{4}T_{5}总有一个导通,一个截止,这样就降低输出级的功耗,提高带负载能力。当输出为高电平时,其输出阻抗低,具有很强的带负载能力,可提供5mA的输出电流。当输出为低电平时。其输出阻抗小于100Ω,可灌入电流14mA,也有较强的驱动能力。3,二极管D_{1}是输入级的钳位二极管,作用:a.抑制负脉冲干扰;b.保护T_{1}发射极,防止输入为负电压时,电流过大,它可允许最大电流为20mA。

电压传输特性

TTL反相器输出电压随输入电压变化的曲线,称为电压传输特性,如图39所示(分析略)

图39 TTL反相器的电压传输特性

输入噪声容限

TTL反相器的静态输入特性和输出特性

输入特性

对于TTL反相器,输入电流随输入电压的变化关系,称为输入特性,其输入端的等效电路如图40所示。

图40 TTL反相器输入端的等效电路

TTL反相器的静态输入特性如图41所示

图41 TTL反相器的静态输入特性

输出特性

对于TTL反相器,输出电压与输出电流的关系,称为输入特性,其输入端的等效电路如图42-43所示。分为高电平输出特性和低电平输出特性。

图42 输出高电平特性曲线与等效电路

 

图43 输出低电平特性曲线与等效电路

输入端的负载特性

在实际使用时,有时需要在输入端和地之间或输入端和信号源低电平之间接入电阻RP。如图45所示

图45 TTL反相器输入端经电阻接地时的等效电路

TTL反相器输入端负载特性曲线如图46所示。

图46 TTL反相器输入端负载特性

TTL反相器的动态特性

传输延迟时间

TTL门的平均传输延时为3 ~ 40ns。

交流噪声

当输入信号为窄脉冲,且接近于tpd时,输出变化跟不上,变化很小,因此交流噪声容限远大于直流噪声容限。

正脉冲噪声容限:将输出为高电平由额定值降到2.0V时输入正脉冲的幅度称为正脉冲噪声容限,如图47所示

图47 正脉冲噪声容限

负脉冲噪声容限:将输出为低电平由额定值上升到0.8V时输入负脉冲的幅度称为负脉冲噪声容限,如图48所示

图48 负脉冲噪声容限

电源的动态尖峰电流

通过对TTL反相器电路的计算发现,在稳定状态下,输出电平不同时它从电源所取得电流也不一样(分析略)。动态情况下,特别是当输出电压由低电平突然转变为高电平的过渡过程中,由于T_{5}原来工作在深度饱和状态,所以T_{4}的导通必然先于T_{5}的截止,这样就出现了短时间T_{4}T_{5}同时导通的状态,有很大的瞬时电流流经T_{4}T_{5},使电源电流出现尖峰脉冲,如图49所示。

图49 电源的动态尖峰电流

其他类型的TTL门电路

与非门

图50 TTL与非门电路

或非门

图51 TTL或非门电路

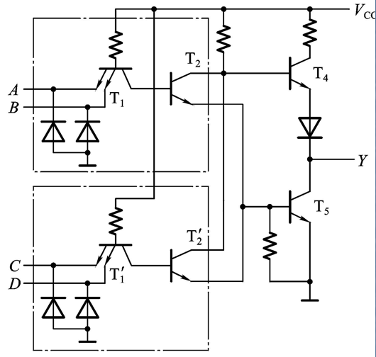
与或非门

图52 与或非门电路

异或门

图53 异或门电路

集电极开路与非门(OC门- Open Collector Gate)

图54 OC门的电路和结构和符号

三态TTL与非门(TSL-Three State Logic Gate)

图55 三态与非门典型电路

ECL集成电路

 ECL电路是发射极耦合逻辑(Emitter Couple Logic)集成电路的简称。ECL电路是一种非饱和型的高速逻辑电路,其中的开关元件是双极型三极管,所以它属于双极型集成电路。

与TTL电路不同,ECL电路的最大特点是其基本门电路工作在非饱和状态。而三极管的饱和导通状态是产生电路传输延迟的最主要原因。所以,ECL电路的最大优点是具有相当高的速度,这种电路的平均延迟时间可达几个毫微秒甚至亚毫微秒数量级,这使得ECL集成电路在高速和超高速数字系统中充当无以匹敌的角色。

ECL电路的缺点也是显而易见的。由于三极管导通是处于线性放大区,管压降必然比较高,这就导致了功耗大幅度增加,因而限制了ECL电路集成度的提高。标准化的ECL系列产品主要是一些中、小规模的集成电路。在制作双极型的高速、超高速大规模集成电路中,通常都是采用在ECL电路基础上改进的各种电路结构(例如大量采用发射极的“线与结构”和集电极的“线与结构”等),以达到简化电路结构和降低功耗的目的。

Bi-CMOS电路

Bi-CMOS技术是一种将CMOS器件和双极型器件集成在同一芯片上的技术。由上述内容可知,双极型器件速度高,驱动能力强,模拟精度高,但是功耗大,集成度低,无法在超大规模集成电路中实现;而CMOS器件功耗低,集成度高,抗干扰能力强,但是速度低、驱动能力差。在当代的技术应用中,既要求高集成度又要求高速度,这是上述两种器件中任何一种单独的器件所不能达到的。Bi-CMOS技术综合了双极型器件高跨导和强负载驱动能力及CMOS器件高集成度和低功耗的优点,使这两者取长补短,发挥各自优点,是高速、高集成度、高性能超大规模集成电路又一可取的技术路线。目前,在某些专用集成电路和高速SRAM产品中已经使用了Bi-CMOS工艺技术。Bi-CMOS技术可能不会成为主流的微电子工艺技术,但是在高性能数字与模拟集成电路领域,这种技术将是一种强有力的解决方案之一。

  在工艺流程上,Bi-CMOS工艺仅仅是在MOS工艺或者双极型工艺中加入有限的工艺步骤来实现的。目前,Bi-CMOS的制作工艺主要分为两大类。一种称为低端Bi-CMOS王艺。这种工艺以CMOS工艺为基础,将一些少量的中速双极型器件集成到大量集成的CMOS器件中。低端Bi-CMOS工艺又可以分为P阱Bi-CMOS工艺和N阱Bi-CMOS工艺两种。另一种称为高端Bi-CMOS工艺。这种工艺以双极型工艺为基础,与低端Bi-CMOS工艺相反,高端Bi-CMOS工艺在双极型工艺中集成进少量CMOS器件。这种工艺又可以进一步分为P阱Bi-CMOS工艺和双阱Bi-CMOS工艺两种。

  对低端工艺而言,主要目标是在成本少量增加的条件下利用双极型器件尽可能地提高器件性能。Bi-CMOS工艺中大量集成的CMOS器件可以达到低功耗、高集成度的要求,而在芯片中有选择地加入双极型器件可以提高芯片的整体性能。而在高端工艺中,由于MOS器件的高集成度的特点,MOS器件通常是被用来实现大量的存储器模块,主要电路仍然是用双极型器件实现。图56是双阱Bi-CMOS器件的结构示意图。

图56 双阱Bi-CMOS器件结构示意图

不同类型数字集成电路间的接口

信号逻辑电平参数概念定义

逻辑电平是指数字信号电压的高、低电平,相关参数定义如下:

  1. 输入高电平门限V_{IH}:保证逻辑门的输入为高电平时所允许的最小输入高电平,当输入电平高于V_{IH}时,则认为输入电平为高电平;
  2. 输入低电平门限V_{IL}:保证逻辑门的输入为低电平时所允许的最大输入低电平,当输入电平低于V_{IH}时,则认为输入电平为低电平;
  3. 输出高电平门限V_{OH}:保证逻辑门的输出为高电平时的输出电平的最小值,逻辑门的输出为高电平时的电平值都必须大于此V_{OH}
  4. 输出低电平门限V_{OL}:保证逻辑门的输出为低电平时的输出电平的最大值,逻辑门的输出为低电平时的电平值都必须小于此V_{OL};
  5. 阈值电平V_{T}:数字电路芯片都存在一个阈值电平,就是电路刚刚勉强能翻转动作时的电平。它是一个介于V_{IL}V_{IH}之间的电压值;对于CMOS电路的阈值电平,基本上是二分之一的电源电压值,但要保证稳定的输出,则必须要求输入高电平>V_{IH},输入低电平 < V_{IL}

不同电源电压下,输入和输出逻辑电平的测试标准如下图所示:

图57 输入和输出逻辑电平的测试标准

 

参考链接

  1. 《数字电子技术基础》(第六版)高等教育出版社
  2. https://wenku.baidu.com/view/4f2dc89b51e2524de518964bcf84b9d528ea2c25.html
  3. https://wenku.baidu.com/view/3b0418e4d05abe23482fb4daa58da0116c171f90.html

最后

以上就是含糊鸡翅最近收集整理的关于数字电路-门电路的全部内容,更多相关数字电路-门电路内容请搜索靠谱客的其他文章。

本图文内容来源于网友提供,作为学习参考使用,或来自网络收集整理,版权属于原作者所有。
点赞(213)

评论列表共有 0 条评论

立即
投稿
返回
顶部