我是靠谱客的博主 醉熏云朵,这篇文章主要介绍RS触发器-CD4013,现在分享给大家,希望可以做个参考。


RS触发器是构成其它各种功能触发器的基本组成部分,故又称为基本RS触发器。
中文名
复位置位触发器 [1]  
外文名
Reset-Set trigger
类    别
触发器
别    称
基本RS触发器

目录

  1. 1 基本RS
  2.  电路结构
  3.  工作原理
  1. 2 抗抖作用
  2. 3 功能描述
  3. 4 主从RS
  1.  工作原理
  2.  功能描述

基本RS

编辑

电路结构

把两个 与非门或者或非门G1、G2的输入、输出端交叉连接,即可构成基本RS触发器,其逻辑电路如右图所示,为两个与非门组成的RS触发器。它有两个输入端R、S和两个输出端Q、Q非。

工作原理

基本RS触发器的逻辑方程为:
   
(注:
以用与非门构成的RS锁存器为例)(低电平有效)
约束方程:S+R=1
根据上述两个式子得到它的四种输入与输出的关系:
1.当R端有效(0),S端无效时(1),则Q=0,Q非=1,触发器置0;
2.当R端无效(1)、S端有效时(0),则Q=1,Q非=0,触发器置1。
如上所述,当触发器的两个输入端加入不同逻辑电平时,它的两个输出端Q和Q非有两种互补的稳定状态。一般规定触发器Q端的状态作为触发器的状态。通常称触发器处于某种状态,实际是指它的Q端的状态。Q=1、Q非=0时,称触发器处于1态,反之触发器处于0态。S=0,R=1使触发器置0,或称置位。因置位的决定条件是S=0,故称S 端为置1端。R=0,S=1时,使触发器置1,或称复位。
同理,称R端为置0端或复位端。若触发器原来为1态,欲使之变为0态,必须令R端的电平由1变0,S端的电平由0变1。这里所加的输入信号(低电平)称为触发信号,由它们导致的转换过程称为翻转。由于这里的触发信号是电平,因此这种触发器称为电平控制触发器。从功能方面看,它只能在S和R的作用下置0和置1,所以又称为置0置1触发器,或称为置位复位触发器。其 逻辑符号如图7.2.1(b)所示。由于置0或置1都是触发信号低电平有效,因此,S端和R端都画有小圆圈。
3.当RS端均无效时,触发器状态保持不变。
触发器保持状态时,输入端都加非有效电平(高电平),需要触发翻转时,要求在某一输入端加一负脉冲,例如在S端加负脉冲使触发器置1,该脉冲信号回到高电平后,触发器仍维持1状态不变,相当于把S端某一时刻的电平信号存储起来,这体现了触发器具有记忆功能。
4.当RS端均有效时,触发器状态不确定。
在此条件下,两个与非门的输出端Q和Q非全为1,在两个输入信号都同时撤去(回到1)后,由于两个与非门的延迟时间无法确定,触发器的状态不能确定是1还是0,因此称这种情况为不定状态,这种情况应当避免。从另外一个角度来说,正因为R端和S端完成置0、置1都是低电平有效,所以二者不能同时为0。
此外,还可以用或非门的输入、输出端交叉连接构成置0、置1触发器,其逻辑图和逻辑符号分别如图7.2.2(a)和7.2.2(b)所示。这种触发器的触发信号是高电平有效,因此在 逻辑符号的S端和R端没有小圆圈。 [2]  
RS触发器
RS触发器 (10张)

抗抖作用

编辑
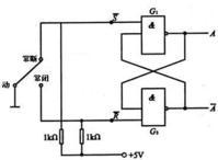
RS触发器一般用来抵抗开关的抖动。
为了消除开关的接触抖动,可在机械开关与被驱动电路间接的接入一个基本RS触发器,如图1所示838电子。S为 =0, R=l,可得出A=l, A‘=0。当按压按键时,S=l,R=0,可得出 A=0,A’=1,改变了输出信号A的状态。若由于机械开关的接触抖动,则R的状态会在0和1之间变化多次,若 R=l,由于A=0,因此G2门仍然是“有低出高”,不会影响输出的状态。同理,当松开按键时, S端出现的接触抖动亦不会影响输出的状态。因此,图1所示的电路,开关每按压一次,A点的输出信号仅发生一次变化。
单片机电路中的防抖现在一般都用程序防抖而不用触发器这些硬件防抖了。
图1 图1

功能描述

编辑
1. 状态转移真值表
用表格的形式描述触发器在输入信号作用下,触发器的下一个稳定状态(次态)Qn+1与触发器的原稳定状态(现态)Qn和输入信号状态之间的关系。
2.特征方程
即以逻辑函数的形式来描述次态与现态及输入信号之间的关系。由上述状态转移真值表,通过 卡诺图 化简可得到。
3.状态转移图
即以图形的方式描述触发器的状态变化对输入信号的要求。图7.2.4是基本RS触发器的状态转移图。图中两个圆圈代表触发器的两个状态;箭头表示在触发器的输入信号作用下状态转移的方向;箭头旁边由斜线“/”分开的代码分别表示状态转移的条件和在此条件下产生的输出状态。 设触发器的初始状态为Q=0、Q=1,输入信号 波形如图7.2.5所示,当SD的下降沿到达后,经过G1的传输延迟时间tpd,Q端变为高电平。
这个高电平加到门G2的输入端,再经过门G2的传输延迟时间tpd,使Q变为低电平。当Q的低电平反馈到G1的输入端以后,即使SD=0的信号消失(即SD回到高电平),触发器被置成Q=1状态也将保持下去。可见,为保证触发器可靠地翻转,必须等到Q=0的 状态反馈到G1的输入端以后,SD=0的信号才可以取消。因此,SD输入的低电平信号宽度tw应满足tw≥2tpd。同理,如果从RD端输入置0信号,其宽度也必须大于、等于2tpd 。
2.传输延迟时间:
从输入信号到达起,到触发器输出端新状态稳定地建立起来为止,所经过的这段时间称为触发器的传输延迟时间。从上面的分析已经可以看出,输出端从低电平变为高电平的传输延迟时间tPLH和从高电平变为低电平的传输延迟时间tPHL是不相等的,它们分别为: tPLH=tpd,tPHL=2tpd 若基本RS触发器由 或非门组成,则其传输延迟时间将为 tPHL=tpd,tPLH=2tpd 。综上所述,对基本RS 触发器归纳为以下几点:
1.基本RS触发器具有置位、复位和保持(记忆)的功能;
2.基本RS触发器的触发信号是低电平有效,属于电平触发方式;
3.基本RS触发器存在约束条件(R+S=1),由于两个与非门的延迟时间无法确定;当R=S=0时,将导致下一状态的不确定。
4.当输入信号发生变化时,输出即刻就会发生相应的变化,即抗干扰性能较差。
同步RS 触发器( 时钟脉冲控制的RS 触发器)
前面介绍的基本RS触发器的触发翻转过程直接由输入信号控制 ,而实际上,常常要求系统中的各触发器在规定的时刻按各自输入信号所决定的状态同步触发翻转,这个时刻可由外加的时钟脉冲CP来决定。
电路结构:
如图7.3.1所示在基本RS触发器的基础上增加G3、G4两个与非门构成触发引导电路,其输出分别作为基本RS触发器的R端和S端。
工作原理:
由图7.3.1可知,G3和G4同时受CP信号控制,当CP为0时,G3和G4被封锁, R、S不会影响触发器的状态;当CP为1时,G3和G4打开,将R、S端的信号传送到基本RS触发器的输入端,触发器触发翻转。结合基本RS触发器的工作原理,我们可以得到以下结论。
1.当CP=0时 Q3=Q4=1,触发器保持原来状态不变。
2.当CP=1时若R=0 ,S=1; Q3=1,Q4=0,触发器置1; 若R=1 ,S=0; Q3=0,Q4=1,触发器置0; 若R=S=0; Q3=Q4=1,触发器状态保持不变; 若R=S=1; Q3=Q4=0,触发器状态不定;可见R端和S端都是高电平有效,所以R端和S端不能同时为1,其逻辑符号中的R端和S端也没有小圆圈。
功能描述:
1.状态转移真值表
2.特征方程
根据功能表及卡诺图化简,可得到如下表达式:
3.工作波形图
工作波形图即以波形的形式描述触发器状态与输入信号及时钟脉冲之间的关系,它是描述 时序逻辑电路工作情况的一种基本方法。如图7.3.2所示。图中假设同步RS触发器的初始状态为0态。
同步RS触发器的状态转移图及激励表请依照基本RS触发器自行作出。
综上所述,对同步RS触发器归纳为以下几点:
1.同步RS触发器具有置位、复位和保持(记忆)功能; 2.同步RS触发器的触发信号是高电平有效,属于电平触发方式; 3.同步RS触发器存在约束条件,即当R=S=1时将导致下一状态的不确定; 4.触发器的触发翻转被控制在一个时间间隔内,在此间隔以外的时间内,其状态保持不变,抗干扰性有所增强。
硬件语言
//采用门级描述的RS触发器
module RS_FF(R,S,Q,QB);
input R,S;
output Q,QB;
nand (Q,R,QB);
nand (QB,S,Q);
endmodule
//采用行为描述的RS触发器
module RS_FF(R,S,Q,QB);
input R,S;
output Q,QB;
reg Q;
assign QB=~Q;
always@(Ror S)
case({R,S})
2'b01:Q<=1;
2'b10:Q<=0;
2'b11:Q<=1'bx;
endcase
endmodule
/
//verilog描述的同步RS触发器
module SYRS_FF(R,S,CLK,Q,QB);
input R,S,CLK;
output Q,QB;
reg Q;
assign QB=~Q;
always @(posedge CLK)
case({R,S})
2'b01:Q<=1;
2'b10:Q<=0;
2'b11:Q<=1'bx;
endcase
endmodule

主从RS

编辑
主从触发器由两级触发器构成,其中一级接收输入信号,其状态直接由输入信号决定,称为主触发器,还有一级的输入与主触发器的输出连接,其状态由主触发器的状态决定,称为从触发器。电路结构
主从RS触发器由两个同步RS触发器组成,它们分别称为主触发器和从触发器。反相器使这两个触发器加上互补时钟脉冲。如图7.4.1所示。

工作原理

当CP=1时,主触发器的输入门G7和G8打开,主触发器根据R、S的状态触发翻转;而对于从触发器,CP经G9反相后加于它的输入门为逻辑0电平,G3和G4封锁,其状态不受主触发器输出的影响,所以触发器的状态保持不变。
当CP由1变为0后,情况则相反,G7和G8被封锁,输入信号R、S不影响主触发器的状态;而这时从触发器的G3和G4则打开,从触发器可以触发翻转。
从触发器的翻转是在CP由1变为0时刻(CP的下降沿)发生的,CP一旦达到0电平后,主触发器被封锁,其状态不受R、S的影响,故从触发器的状态不可能改变,即它只在CP由1变为0时刻触发翻转。这一层意思由图 7.4.1(b)所示的 逻辑符号框图左边的小圆圈表示出来。

功能描述

主从RS触发器的状态转移真值表、激励表、状态转移图、特征方程及约束条件与同步RS触发器相同,只不过触发器翻转被控制在CP脉冲的下降沿,在作工作波形图时应加以区分。综上所述,对主从RS 触发器归纳为以下几点:
1.主从RS触发器具有置位、复位和保持(记忆)功能; 2.由两个受互补时钟脉冲控制的主触发器和从触发器组成,二者轮流工作,主触发器的状态决定从触发器的状态,属于脉冲触发方式,触发翻转只在时钟脉冲的下降沿发生; 3.主从RS触发器存在约束条件,即当R=S=1时将导致下一状态的不确定。

最后

以上就是醉熏云朵最近收集整理的关于RS触发器-CD4013的全部内容,更多相关RS触发器-CD4013内容请搜索靠谱客的其他文章。

本图文内容来源于网友提供,作为学习参考使用,或来自网络收集整理,版权属于原作者所有。
点赞(229)

评论列表共有 0 条评论

立即
投稿
返回
顶部