我是靠谱客的博主 完美羊,这篇文章主要介绍设计一个二位同步时序移位寄存器, 它有一个数据输入端X和两个控制端C1和C2. 控制功能如下表, 用D触发器和74151实现,现在分享给大家,希望可以做个参考。
| 功能表 | ||
| C1 | C2 | 功能 |
| 0 | 0 | 保持 |
| 0 | 1 | 左移 |
| 1 | 0 | 取反 |
| 1 | 1 | 置为11 |
根据题目给出的功能表, 得到下述状态表.
| 状态表 | |||||
| C1 | C2 | X | Q0* | Q1* | 功能 |
| 0 | 0 | 0 | Q0 | Q1 | 保持 |
| 0 | 0 | 1 | Q0 | Q1 | 保持 |
| 0 | 1 | 0 | Q1 | 0 | 左移 |
| 0 | 1 | 1 | Q1 | 1 | 左移 |
| 1 | 0 | 0 | Q0' | Q1' | 取反 |
| 1 | 0 | 1 | Q0' | Q1' | 取反 |
| 1 | 1 | 0 | 1 | 1 | 置为11 |
| 1 | 1 | 1 | 1 | 1 | 置为11 |
由上述状态表, 得到状态激励表.
| 状态激励表 | |||||
| C1 | C2 | X | D0 | D1 | 功能 |
| 0 | 0 | 0 | Q0 | Q1 | 保持 |
| 0 | 0 | 1 | Q0 | Q1 | 保持 |
| 0 | 1 | 0 | Q1 | 0 | 左移 |
| 0 | 1 | 1 | Q1 | 1 | 左移 |
| 1 | 0 | 0 | Q0' | Q1' | 取反 |
| 1 | 0 | 1 | Q0' | Q1' | 取反 |
| 1 | 1 | 0 | 1 | 1 | 置为11 |
| 1 | 1 | 1 | 1 | 1 | 置为11 |
由状态激励表, 得知
D0=m0Q0+m1Q0+m2Q1+m3Q1+m4Q0'+m5Q0'+m6+m7.
D1=m0Q1+m1Q1+m2·0+m3+m4Q1'+m5Q1'+m6+m7.
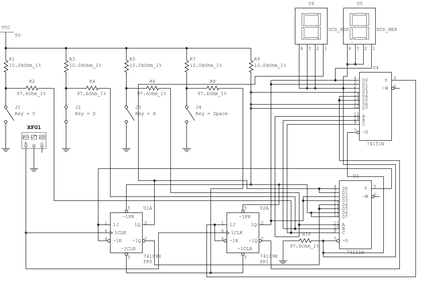
由上面的分析, 绘制电路的原理图.

最后
以上就是完美羊最近收集整理的关于设计一个二位同步时序移位寄存器, 它有一个数据输入端X和两个控制端C1和C2. 控制功能如下表, 用D触发器和74151实现的全部内容,更多相关设计一个二位同步时序移位寄存器,内容请搜索靠谱客的其他文章。
本图文内容来源于网友提供,作为学习参考使用,或来自网络收集整理,版权属于原作者所有。
发表评论 取消回复