ZQQQ 2021.12.27
- 课设
- 一:各芯片引脚介绍:
- 1:数码管:[^1]
- 2:CD4511(译码显示):[^2]
- 3:CD4518(计数器)[^3]
- 3:555定时器
- 4:CD4011和CD4012
- 二:各部分电路图搭建
- 1:校正时间电路
- 2:整点报时电路
- 3:分频电路
- 4:进制电路
课设

我们将该电路分为几个部分:
1:显示电路(用6个共阴数码管来显示)
2:译码电路(用CD4511来现实译码显示)
3:进制电路(用CD4518计数器来完成进时功能)
4:脉冲产生器(555定时器产生1khz的信号)
5:分频电路(用CD4518进行3次10分频产生1hz信号)
6:校时电路(用CD4011二输入与非门实现)
7:整点报时电路(用CD4012和CD4011实现)

原理框图如上.
一:各芯片引脚介绍:
1:数码管:1
引脚图:

课设中为共阴极(CC).
2:CD4511(译码显示):2
引脚图:

CD4511引脚功能:
BI:4脚是消隐输入控制端,当BI=0 时,不管其它输入端状态是怎么样的,七段数码管都会处于消隐也就是不显示的状态。
LE:锁定控制端,当LE=0时,允许译码输出。 LE=1时译码器是锁定保持状态,译码器输出被保持在LE=0时的数值。
LT:3脚是测试信号的输入端,当BI=1,LT=0 时,译码输出全为1,不管输入 DCBA 状态如何,七段均发亮全部显示。它主要用来检测数7段码管是否有物理损坏。
A1、A2、A3、A4、为8421BCD码输入端。
a、b、c、d、e、f、g:为译码输出端,输出为高电平1有效。
真值表:

3:CD4518(计数器)3
引脚图:

CD4518是二、十进制(8421编码)同步加计数器,内含两个单元的加计数器。每单个单元有两个时钟输入端CLK和EN,可用时钟脉冲的上升沿或下降沿触发。可知,若用ENABLE信号下降沿触发,触发信号由EN端输入,CLK端置“0”;若用CL℃K信号上升沿触发,触发信号由CL℃K端输入,ENABLE端置“1”。RESET端是清零端,RESET端置“1”时,计数器各端输出端Q1~Q4均为“0”,只有RESET端置“0”时,CD4518才开始计数
CD4518是一个同步加计数器,在一个封装中含有两个可互换二/十进制计数器,其功能引脚分别为1~7和9~{15}。该CD4518计数器是单路系列脉冲输入(1脚或2脚;9脚或10脚),4路BCD码信号输出(3脚~6脚;{11}脚~{14}脚)
真值表:

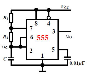
3:555定时器
引脚图:

内部结构:


555定时器可接成多谐振荡器,多谐振荡器也称无稳态触发器,它没有稳定状态,同时毋须外加触发脉冲,就能输出一定频率的矩形脉冲(自激振荡)。用555实现多谐振荡,需要外接电阻R1,R2和电容C,并外接+5V的直流电源。选用合适的参数,使555定时器给数字钟提供一个频率稳定准确的1kHz的方波信号,可保证数字钟的走时准确及稳定。
4:CD4011和CD4012


1个2输入与非门,一个4输入与非门.
二:各部分电路图搭建
这里重点说一下校时电路和整点报时电路.
先上电路图:
1:校正时间电路

该图中的校时脉冲是555产生的1khz信号经过分频后的1hz信号.当开关没有按下去之前至时个位计数器和至分个位计数器的输出都是由分十位进位脉冲和秒十位进位脉冲控制的.因为没有按下开关前非门都输出1,阻断了校时脉冲的输入.反之当按下开关时非门都输出为1.而对校时脉冲没有影响,但零电位将输入与非门阻断十位的脉冲.这样就能时分,时进1.
2:整点报时电路


该电路当分为59秒为51时以500hz的信号输入蜂鸣器.
当秒各位Q3为9秒时以1khz输入蜂鸣器.
3:分频电路

555产生的1khz的信号,经过3次10分频后输出1hz信号.
4:进制电路
进制电路是由计数器CD4518来完成.CD4518的输出Q3是10分频.当CD4518来10个下降沿(脉冲)时Q3才会翻转一次.

吧Q3输出到另一个4518的输入.且当该4518的Q2,Q1输出为1时接到一个与门输出一个1,给这俩个4518的清零端.24进制也如此.
| 芯片 | 个数 |
|---|---|
| 共阴数码管 | 6 |
| CD4511 | 6 |
| CD4518 | 6 |
| CD4011 | 6 |
| CD4012 | 1 |
| 电阻电容 | 若干 |




两个com都要接地,如果是共阳极的话com端都接VCC ↩︎
3,4引脚在实际接线时应接为低电平 ↩︎
实际接线为了节省接线,使用CD4518的下降沿,那么芯片的1,9引脚接地 ↩︎
最后
以上就是单纯鸡翅最近收集整理的关于【Proteus】多功能数字时钟设计课设的全部内容,更多相关【Proteus】多功能数字时钟设计课设内容请搜索靠谱客的其他文章。
发表评论 取消回复