注:使用软件版本为Proteus 7.1,下方的经验均基于抢答器电路设计仿真
目录
74LS05反相器
抢答器定时发声功能的实现——边沿触发的单稳态触发器
74LS148的一些BUG
74LS05反相器
在设计电路时发现该型号反相器带负载能力/输出特性不足,当输入为低电平时,输出悬空
解决方案:换成74LS04或74LS14后可满足要求
抢答器定时发声功能的实现——边沿触发的单稳态触发器
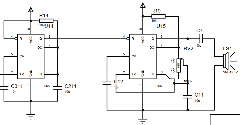
使用555定时器搭建的经典定时发声功能的电路如下图所示:

其中,左边是由555定时器组成的单稳态触发器,为微分型单稳态触发器,只有输入一个完整的“高电平-低电平-高电平”脉冲才能触发该单稳态触发器,且“高电平-低电平-高电平”脉冲的低电平段不能太长
解决方案1:使用74LS121芯片,输入一个边沿即可实现触发单稳态
解决方案2:使用电容、电阻、与非门、非门组成积分型单稳态触发器,将边沿线转换为“高电平-低电平-高电平”脉冲,再输入555定时器组成的单稳态触发器,如下图所示:

74LS148(8线-3线优先编码器)的一些BUG

在仿真时发现,74LS148的0号输入端无法正常工作:0号有信号输入时,EI、GS等输出端无反应,若计分功能以这两个端口作为逻辑判断,则导致记分牌显示为1;实际接线无此问题
解决方案:在I0端和GS端之间反接一个二极管可解决GS输出异常的问题,但EI输出异常无法解决
最后,附加一些当时留存的若干芯片的资料链接:
74ls192:http://www.51hei.com/chip/318.html
74ls148:http://baike.baidu.com/link?url=0P_FVj_uJEipma2r385lLE-Vv7jsWua9XgBnaCBYgzkEuPfpyvQAIcpzNhKpXW0hZRT3IBBNIbkh5DnLa7nPOK
74279:http://www.hqew.com/tech/circuit/001003007_507049.html
4511:http://baike.baidu.com/link?url=mIERCjtR9b4YHMqADTehNYpSD0fyHB9HhNBR5XcDYIEIAtTRJ698jt3sFAiVHvNuO8EgRKaQMafAP4zhgxTUUa
74151:http://www.elecfans.com/book/story.php?id=636
转载注明出处:https://blog.csdn.net/csyzcyj/
最后
以上就是受伤美女最近收集整理的关于Proteus 抢答器设计经验 边沿触发的单稳态触发器实现 74LS148的一些BUG 74LS05反相器的全部内容,更多相关Proteus内容请搜索靠谱客的其他文章。
发表评论 取消回复