1.1理论
Verilog状态机又称同步状态机(FSM,Finite State Machine),一般又叫状态机,在Verilog描述电路中大部分是同步执行(并行)的,但是很多时候需要处理明显具有时间先后的事件,就要用到状态机。每一个状态代表一个小事件,一个完整的任务分为多个事件,完成这个任务需要从该事件跳转到下一时间另一个时间,依次进行下去,整个系统就可以正常运行
1.2状态机分类
1.Moore(摩尔)型:摩尔状态机的输出只与当前状态有关,即当前状态决定输出值,输入值只决定状态的跳变,不影响电路的输出。(此输出为电路的输出值,而非状态机的状态输出)
次态=f(输入,现态),输出=f(现态)。
2.Mealy(米勒)型:米勒型状态机的输出与当前状态和当前输入有关。次态=f(输入,现态),输出=f(现态,输入)。
1.3举例分析
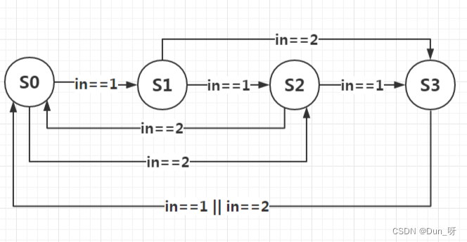
这里从网上找到一个售货机例子,售货机里有价值4元饮料,支持一元与两元,设计一个状态机,当投入金额大于或等于饮料价格时收获机找零并弹出一瓶饮料。硬币与商品一进一出。
状态图:

一段式状态机
module fsm_sale(
input clk ,
input rst_n ,
input [1:0] in ,
output reg [1:0] out ,
output reg out_vld
);
//---------------定义信号----------------------//
reg [3:0] state ;
//---------------定义信号状态变量--------------------//
parameter S0 = 4'b0001 ;
parameter S1 = 4'b0010 ;
parameter S2 = 4'b0100 ;
parameter S3 = 4'b1000 ;
//---------------一段式状态机--------------------//
always @(posedge clk or negedge rst_n)begin
if(!rst_n)begin
state <= S0;
out <= 0;
out_vld <= 0;
end
else begin
case(state)
S0:begin
if(in==1)begin
state <= S1;out <= 0;out_vld <= 0;
end
else if(in==2)begin
state <= S2;out <= 0;out_vld <= 0;
end
else begin
state <= state;out <= 0;out_vld <= 0;
end
end
S1:begin
if(in==1)begin
state <= S2;out <= 0;out_vld <= 0;
end
else if(in==2)begin
state <= S3;out <= 0;out_vld <= 0;
end
else begin
state <= state;out <= 0;out_vld <= 0;
end
end
S2:begin
if(in==1)begin
state <= S3;out <= 0;out_vld <= 0;
end
else if(in==2)begin
state <= S0;out <= 0;out_vld <=1;
end
else begin
state <= state;out <= 0;out_vld <= 0;
end
end
S3:begin
if(in==1)begin
state <= S0;out <= 0;out_vld <=1;
end
else if(in==2)begin
state <= S0;out <= 1;out_vld <=1;
end
else begin
state <= state;out <= 0;out_vld <= 0;
end
end
default:state <= S0;
endcase
end
end
endmodule
二段式状态机
module fsm_sale
//---------------------<端口声明>---------------------------------------
(
input clk ,
input rst_n ,
input [1:0] in ,
output reg [1:0] out ,
output reg out_vld
);
//---------------------<信号定义>---------------------------------------
reg [3:0] state ;
reg [3:0] n_state ;
//---------------------<状态机参数>-------------------------------------
localparam S0 = 4'b0001 ;
localparam S1 = 4'b0010 ;
localparam S2 = 4'b0100 ;
localparam S3 = 4'b1000 ;
//----------------------------------------------------------------------
//-- 状态机第1段
//----------------------------------------------------------------------
always@(posedge clk or negedge rst_n)begin
if(!rst_n)
state <= S0;
else
state <= n_state;
end
//----------------------------------------------------------------------
//-- 状态机第2段
//----------------------------------------------------------------------
always@(*)begin
case(state)
S0: begin
if(in==1)begin
n_state = S1;
end
else if(in==2)begin
n_state = S2;
end
else begin
n_state = state;
out = 0 ;
out_vld = 0 ;
end
end
S1: begin
if(in==1)begin
n_state = S2;
end
else if(in==2)begin
n_state = S3;
end
else begin
n_state = state;
end
end
S2: begin
if(in==1)begin
n_state = S3;
end
else if(in==2)begin
n_state = S0;
out_vld = 1 ;
end
else begin
n_state = state;
out_vld = 0;
end
end
S3: begin
if(in==1)begin
n_state = S0;
out_vld = 1 ;
end
else if(in==2)begin
n_state = S0;
out = 1 ;
out_vld = 1 ;
end
else begin
n_state = state;
out = 0;
out_vld = 0;
end
end
default:n_state = S0;
endcase
end
endmodule
三段式状态机
module fsm_sale
(
input clk ,
input rst_n ,
input [1:0] in ,
output reg [1:0] out ,
output reg out_vld
);
reg [3:0] state ;
reg [3:0] n_state ;
localparam S0 = 4'b0001 ;
localparam S1 = 4'b0010 ;
localparam S2 = 4'b0100 ;
localparam S3 = 4'b1000 ;
always @(posedge clk or negedge rst_n)begin
if(!rst_n)
state <= S0;
else
state <= n_state;
end
always @(*)begin
case(state)
S0: begin
if(in==1)
n_state = S1;
else if(in==2)
n_state = S2;
else
n_state = state;
end
S1: begin
if(in==1)
n_state = S2;
else if(in==2)
n_state = S3;
else
n_state = state;
end
S2: begin
if(in==1)
n_state = S3;
else if(in==2)
n_state = S0;
else
n_state = state;
end
S3: begin
if(in==1 || in==2) // in != 0也行
n_state = S0;
else
n_state = state;
end
default:n_state = S0;
endcase
end
always @(posedge clk or negedge rst_n)begin
if(!rst_n)
out <= 0;
else if(state ==S3 && in==2)
out <= 1;
else
out <= 0;
end
always @(posedge clk or negedge rst_n)begin
if(rst_n==1'b0)
out_vld <= 0;
else if((state ==S2 && in==2) || (state ==S3 && in!=0))
out_vld <= 1;
else
out_vld <= 0;
end
endmodule
下面分别是三段状态机的仿真图
一段式:

二段式:

三段式:

一段式状态机,只涉及时序电路,没有竞争与冒险现象,上述代码总消耗逻辑(total logic element)为8,比较少,但是状态一旦多了,一段式显得比较臃肿,不利于工程后期维护。
二段式状态机,一段为状态转移,第二段为状态机输出、电路输出。输出波形产生了毛刺现象,而在本文中产生这种现象的原因是,n_state因为组合逻辑原因不断出现临时状态,而这些状态是无效的,输出也因此产生了这些临时状态,即毛刺。
三段式状态机,各大教材中比较推崇的,一段是同步时序逻辑的状态转移(state→n_state);二段是组合逻辑的状态转移的条件,描述状态转移的规律;三段是状态的输出;由于维护方便, 组合逻辑与时序逻辑完全独立。避免了组合逻辑的竞争与冒险,所以我也推荐此种写法。
最后
以上就是甜美蛋挞最近收集整理的关于Verilog状态机常见三种写法的全部内容,更多相关Verilog状态机常见三种写法内容请搜索靠谱客的其他文章。
发表评论 取消回复