一、组合逻辑电路
组合逻辑电路(combinational logic)是一种逻辑电路,它的任一时刻的输出,仅仅与当前时刻的逻辑输入变量的取值有关(没有输出到输入的反馈,开环系统)。
二、时序逻辑电路
时序逻辑电路是指电路任何时刻的稳态输出不仅取决于当前的输入,还与前一时刻输入形成的状态有关(闭环系统)。
1、同步时序逻辑电路
同步时序电路中所有存储元件(存储部件:触发器、存储器等)都在时钟CLK的统一控制下,用触发器作为存储元件。几乎现在所有的时序逻辑都是同步逻辑。几点注意:
(1) 由于只有一个时钟信号,只在时钟的边沿改变内部所有的状态。
(2) 在时序逻辑中最基本的储存元件是触发器。
(3) 每一个电路里的运算必须要在时钟的两个脉冲之间固定的间隔内完成,称为一个时钟周期。只有满足这个条件时,才能保证电路是可靠的。
同步逻辑的两个缺点:
(1) 时钟信号必须分布到电路上的每一个触发器。而时钟通常都是高频率的信号,这会导致功率的消耗,也就是产生热量。即使每个触发器没有做任何的事情,也会消耗少量的能量。
(2) 最大的可能时钟频率是由电路中最慢的逻辑路径决定的,也就是关键路径。意思就是说每个逻辑的运算,从最简单的到最复杂的,都要在每一个时钟的周期中完成。
2、异步时序逻辑电路
异步时序逻辑是时序逻辑的普遍本质,但是由于它的弹性关系,他也是设计上困难度最高的。
最基本的储存元件是锁存器,锁存器可以在任何时间改变它的状态,依照其他的锁存器信号的变动,他们就会产生新的状态。
3、双稳态电路
双稳态电路有两个工作状态,一个工作状态输出逻辑“1”,另一个是输出逻辑“0”。当双稳态存储电路处于这两个状态中的一个状态时,需要外界施加能量,使其从一种状态变化到另一种状态。在两个状态跳变期间,输出信号必须移动通过不稳定状态区域。
存储电路设计不允许在不稳定区域内(亚稳态)无限停留。一旦它们进入不稳定状态,它们立即尝试重新进入两个稳定状态中的一个。

4、锁存器与触发器
1、锁存器
(1) 基本RS锁存器

(2) 同步RS锁存器

(3) D锁存器
为了避免在RS锁存器中出现的不期望的状态,确保S和R总是处于相反的逻辑值。在之前的同步RS锁存器基础之上添加一个反相器。

2、触发器
NOTE: 触发器与锁存器的不同之处在于,锁存器依靠控制信号的电平高低来实现数据的保存;而触发器是依靠时钟控制信号的“边沿变化”来实现数据的保存。触发器只对“边沿”敏感,而锁存器只对“电平”敏感。
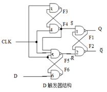
(1) D触发器
基本D触发器,触发器在时钟CLK的上升沿将D的值锁存到Q。其他时间段保持。

(2) 带有置位/复位的D触发器
在基本D触发器的结构中添加了异步置位/复位信号。

(3) JK触发器
JK触发器使用两个输入控制状态的变化(将D触发器中的D输入改为JK输入)。

(4) T触发器

3、寄存器
寄存器就是在D触发器的基础之上添加了一个LOAD控制引脚。当LOAD信号线为高电平时,inp0的信号就在下一个时钟上升沿到来的时候,锁存到输出q0。

4、移位寄存器
当每个时钟上升沿来时,数据向右移动一位。

三、存储器分类和工作原理
存储器按照数据是否掉电丢失分为易失性存储器和非易失性存储器。
存储器的两个主要参数:宽度和深度。
1、易失性存储器
易失性存储器又称为RAM(Random Access Memory),要求上电以维持数据信息,断电后数据丢失。RAM按照数据存储是否需要刷新又分为两类:SRAM(Static RAM,静态存储器)以及DRAM(Dynamic RAM,动态存储器)。
1、SRAM
静态RAM的主要特点:通常使用六个晶体管保存一个比特位数据,数据保存期间不需要刷新;具有快速的访问速度(比DRAM要快);SRAM的功耗较大;密度较低,所需面积较大,单位存储成本高。主要应用于CPU的一级缓冲和二级缓冲。

2、DRAM
动态RAM的主要特点:使用一个晶体管和一个电容来保存一个数据比特位,根据电容是否带电来表示“1”或者“0”;由于电容上的电荷会泄露,所以DRAM需要周期性的刷新(充电);与SRAM相比,DRAM存储密度高,成本较低,但是速度比SRAM要慢。SDRAM指的是Synchronous Dynamic RAM,即同步动态存储器,要求Memory工作需要同步时钟。

DRAM分类(Generation):
单数据率(Signal Data Rate,SDR),只使用时钟的上升沿保存或者读取数据。
双数据率(Double Data Rate,DDR),使用时钟的上升沿及下降沿保存或者读取数据,因此为双数据率。
双数据率*N(Double Data Rate N,DDRN),N表示DDR的代数,例如DDR2,DDR3,DDR4。
2、非易失性存储器
ROM(Read Only Memory,只读存储器),但后来的非易失性存储器都为可擦写的。ROM分类:
PROM为可编程ROM,但是写入一次之后就不能再擦除了。
EPROM为紫外线可擦除ROM,ROM可以在紫外线的照射下擦除。
EEPROM为电可擦除ROM,指ROM可以通过过电子擦除。
3、FLASH
FLASH存储器又称为闪存,它结合了ROM和RAM的长处,不仅具备电子可擦除的性能,还不会断电丢失数据,同时可以快速读取数据。
FLASH主要分为两类:NOR FLASH和NAND FLASH。
NOR FLASH中的单元是按照或非的连接方式,NAND FLASH中的单元是按照与非的连接方式,NAND相较于NOR来说成本较低,但是性能不如NOR。
在嵌入式系统中,NOR FLASH可以用来存储系统程序,MCU可以直接运行储存在NOR FLASH中的程序,而不必将其迁移到SRAM中。NAND FLASH主要应用于大容量存储,例如固态硬盘等。NAND FLASH也应用于DOC(Disk On Chip),例如MCU中的FLASH使用的就是NOR FLASH。
四、有限状态机

最后
以上就是合适小虾米最近收集整理的关于FPGA学习笔记02——数字逻辑电路一、组合逻辑电路二、时序逻辑电路三、存储器分类和工作原理四、有限状态机的全部内容,更多相关FPGA学习笔记02——数字逻辑电路一、组合逻辑电路二、时序逻辑电路三、存储器分类和工作原理四、有限状态机内容请搜索靠谱客的其他文章。
发表评论 取消回复