1、一个触发器只有两种状态,构成组合逻辑电路,要看最大值是多少,几位二进制数能够满足要求

既然是模4,那么最大值为3,化成二进制是11,那么只需要两个触发器即可
2、奇偶校验位:
若为奇校验:原数据中1的个数为奇数时,校验位为0,反之为1;
若为偶校验:原数据中1的个数为奇数时,校验位为1,反之为0;

求偶检位,1有三个,所以检验位是1,完整的偶检验码:100111
3、对偶式:把一个式子里面的“和”变成“且”,“0”变成“1”,“1”变成“0”:

这个标准式子里面,之所以没有把A变成A的反,是因为A的具体状态不知道,,,,咱也不懂,就记住这个不确定是0还是1的变量不变
4、数字信号是不均匀的,模拟信号是均匀的
5、余三码是无权码,余三码是在8421BCD码的基础上加0011,利用余三码进行加法运算,有进位结果加3;无进位结果减三;且余三码的加法运算是需要修正的
6、无权BCD码不能直接进行算术运算
7、异或与同或的运算:
若运算单位为奇数个:异或运算等于同或运算取非
若运算单元为偶数个:异或运算等于同或运算
8、设计四位二进制数的奇校验码发生器需要4个两输入的异或门
设计四位二进制数的偶校验码发生器需要3个两输入的异或门
9、竞争现象:输入信号经过不同的路径到达输出端的时间有先有后
10、冒险:有竞争导致的错误输出信号
11、编码器与译码器:
我们只需要知道编码器是多变少,译码器是少变多,如二进制译码器编码器:n->2^n
12、2-4译码器可以扩展成3-8译码器
74138译码器就是带使能端的3-8译码器
使能端是什么,可以控制电路正常工作或者禁止工作
13、数据选择器:从多路数据输入中选择一条路到输入端,是输入端多
数据分配器:多路复用器,是输出端多
14、算术逻辑电路:
半加器(HA):本位和S=A异或B,进位C=A且B
全加器(HA):本位和=A异或B异或上一轮进位,进位=A异或B且上一轮进位+A且B;本位和是三个数异或运算,进位是两个数异或再且上一轮进位加两个数的且
15、7483通用加法器:
7483通用加法器是四位并行加法器:CI是上一轮进位,CO是传给下一个的进位
16、时序逻辑电路:
关注四个点:输出方程、驱动方程、状态方程、状态图
1、锁存器与触发器:锁存器直接由激励信号控制电路状态、触发器由激励信号和时钟一起控制
2、RS锁存器:
两个输入端(激励信号),S是置1端、置位端,R是置0端、复位端
刻到脑子里,Q为0为0状态、Q为1位1状态
只需要知道,R和S不能同时为1,都为0时Q不变,R=1时,Q变为0状态;S=1时,Q变为1状态
RS锁存器的约束条件:RS=0
特性方程等于R的非且上一个状态加S
3、门控RS锁存器:
就是加了一个C来控制锁存器的状态是否能够转换,只有C为1的时候才有效
4、门控D锁存器:用D来替代了RS,输入分别是D和D的非,
5、JK门控锁存器:
RS分别对应KJ,S=K(Q的非),R=JQ
Q=JQ+KQ
6、在门控D锁存器中,当C=1时,锁存器的状态会随着信号D变化而变化,若D变化剧烈,会发生空翻现象
7、触发器:激励信号与时钟一起控制电路
工作特点:由时钟脉冲确定状态转换的时刻,由输入信号决定状态转换的方向
8、边沿触发器:在时钟为稳定的0或1期间,输入信号无法进入触发器,触发器的状态不变
17、同步时序与异步时序逻辑电路:
按照逻辑功能分为:计数器、寄存器以及移位寄存器
分析步骤:1、输出方程与驱动方程
2、将驱动方程带入到特性方程,导出状态方程
3、画出状态图,说明逻辑功能
所谓输出方程就是最终得到的那个值的表达式,器件的输出算作Q,直接写,
驱动方程就是写出触发器的输入端的表达式
把表达式带入到特性方程里面去,画出状态图



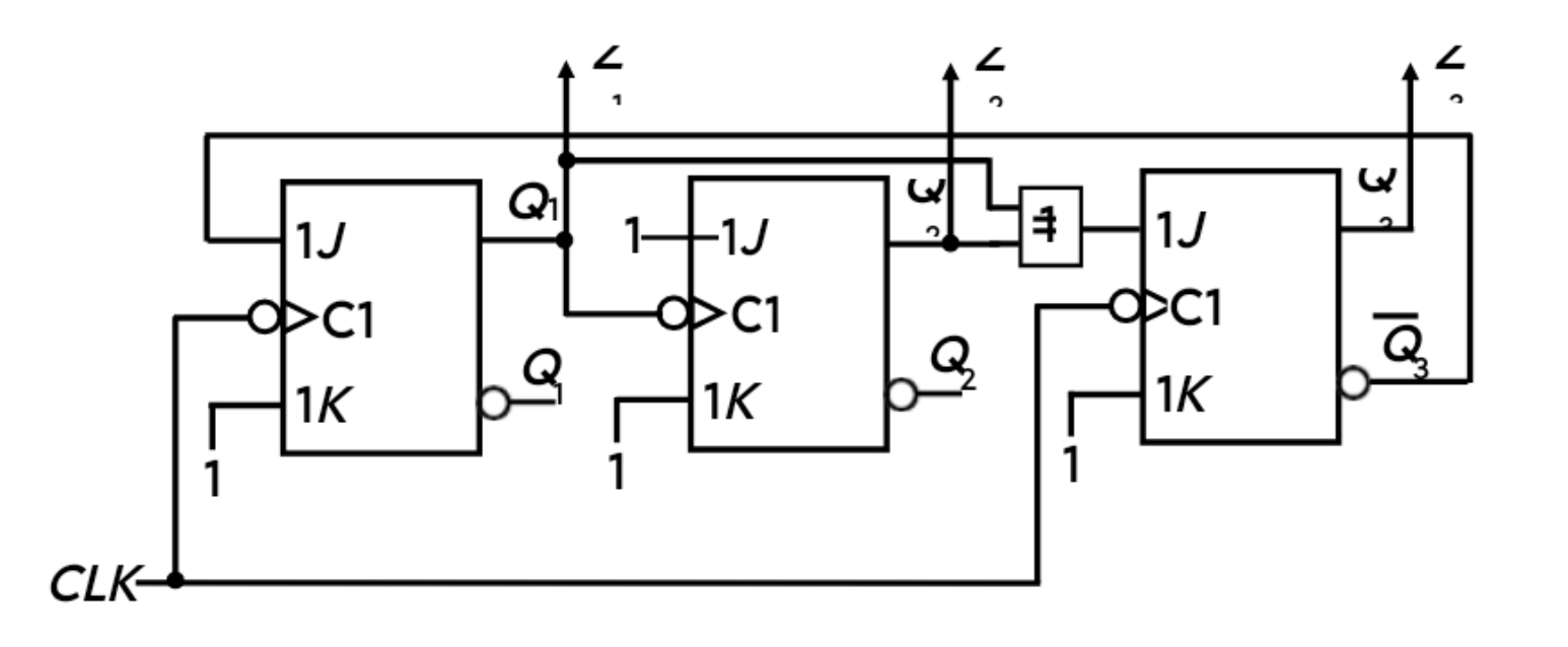
这里最后那个Q2的次态方程写错了,应该是Q2的n次方取反。还有Q3的次态方程,应该再加一个括号。



画的比较一般,有些冗余,
最后
以上就是自由巨人最近收集整理的关于数字逻辑期末考试必考知识点(从题目中分析)的全部内容,更多相关数字逻辑期末考试必考知识点(从题目中分析)内容请搜索靠谱客的其他文章。



发表评论 取消回复