Toggle navigation
首页
博客
下载
AI
科技
互联网
会员
中心
会员中心
发布资讯
发布博文
发布资源
首页
文章中心
数字电路
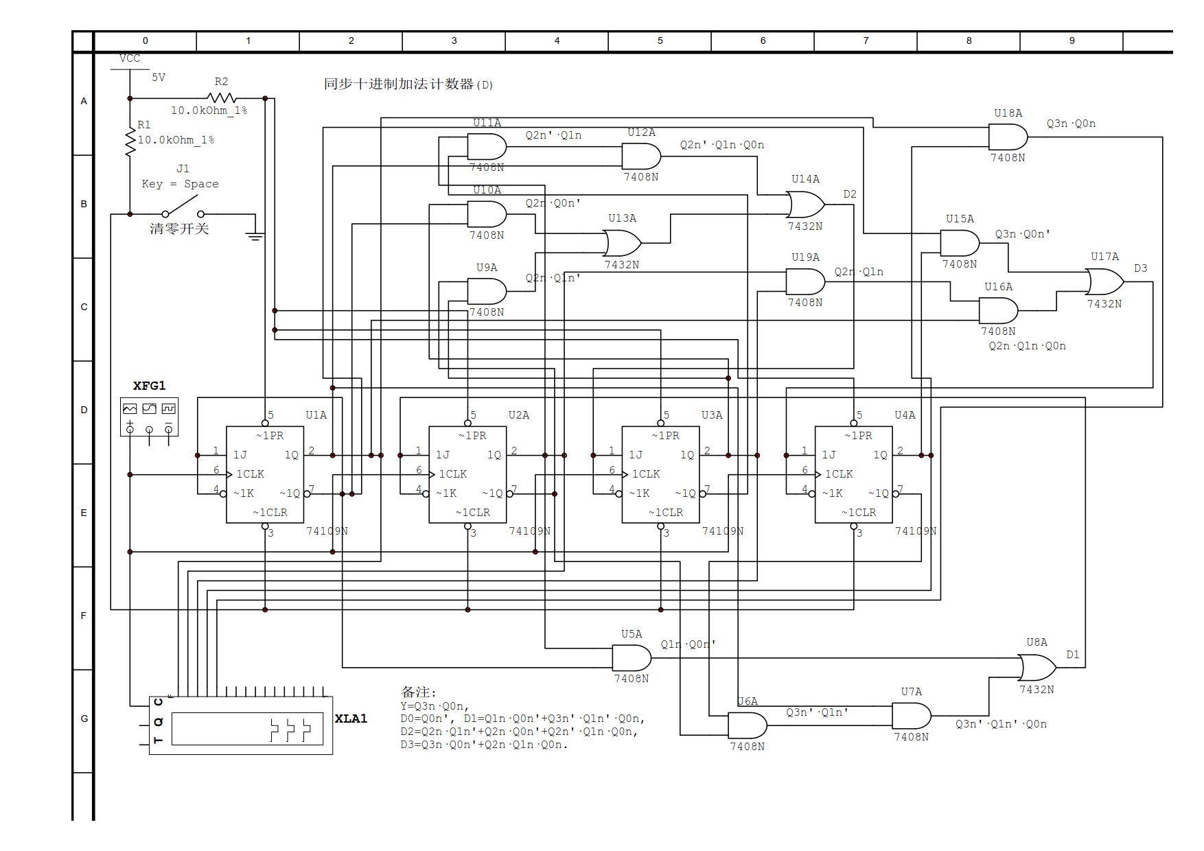
同步十进制加法计数器(D)
233 阅读
0 评论
154 点赞
我是
靠谱客
的博主
优秀棒球
,这篇文章主要介绍
同步十进制加法计数器(D)
,现在分享给大家,希望可以做个参考。
最后
以上就是
优秀棒球
最近收集整理的关于
同步十进制加法计数器(D)
的全部内容,更多相关
同步十进制加法计数器(D)
内容请搜索靠谱客的其他文章。
本图文内容来源于网友提供,作为学习参考使用,或来自网络收集整理,版权属于原作者所有。
点赞(
154
)
本文分类:
数字电路
浏览次数:
233
次浏览
发布日期:2023-03-11 08:12:02
本文链接:
https://www.kaopuke.com/article/k-p-k_14_ujo_6_fy_13_j_26_y.html
相关文章
AMEsim 几个启动错误解决方法
(亲测好用,史上最详细)Amesim与Matlab联合仿真——软件安装、环境配置和仿真测试详细流程前言一、Amesim与Matlab联合仿真是什么?二、软件安装和环境配置总结
AMESIM学习——弹簧阻尼器小球位置控制Amesim-Simulink联合仿真
Simulink中Simscape—Fluids模块(原Simhydraulics)学习记录
同步十进制加法计数器(D)
AMEsim在3D机械模型中出现"Error detected in DASSL"
基于Smith预估器补偿系统控制延迟和传感器延迟(附Matlab实现)前言Smith 预估补偿原理Matlab实现总结参考文献
matlab simulink 温度控制时延系统 模糊pid和smith控制3 SMITH控制
评论列表
共有
0
条评论
发表评论
取消回复
登录
注册新账号
立即
投稿
返回
顶部
发表评论 取消回复