目录
- 前言
- Smith 预估补偿原理
- Matlab实现
- 总结
- 参考文献
前言
实际设计控制器时,不可避免会有延迟,包括控制延迟和传感器延迟,当延迟比较大时,可能会造成控制器失稳。因此在控制器设计时,需要考虑延迟的影响。这个问题在网络控制系统(Networked Control system)尤为普遍,相应的解决方法也有很多。文章采用一个简单经典的解决办法——Smith预估补偿,先介绍原理,再在Simulink中实现
Smith 预估补偿原理
一个典型的控制环节如图1所示,

图1: 典型控制系统
系统延迟包括控制延迟
τ
c
a
tau^{ca}
τca和传感器延迟KaTeX parse error: Undefined control sequence: rau at position 1: ̲r̲a̲u̲^{sc}闭环传递函数为:
Y
(
s
)
R
(
s
)
=
G
c
(
s
)
G
p
(
s
)
e
−
τ
c
a
s
1
+
G
c
(
s
)
G
p
(
s
)
e
−
τ
s
c
s
e
−
τ
c
a
s
frac{Y(s)}{R(s)}=frac{G_{c}(s) G_{p}(s) mathrm{e}^{-tau^{c a_{s}}}}{1+G_{c}(s) G_{p}(s) mathrm{e}^{-tau^{sc}s} mathrm{e}^{-tau^{mathrm{ca} }s}}
R(s)Y(s)=1+Gc(s)Gp(s)e−τscse−τcasGc(s)Gp(s)e−τcas
这里执行器以一阶系统为例,其传递函数为:
G
p
(
s
)
=
1
s
+
1
G_p(s)=frac{1}{s+1}
Gp(s)=s+11
采用PID算法,器传递函数为:
G
c
(
s
)
=
K
p
(
(
K
d
K
p
)
s
2
+
s
+
(
K
i
K
p
)
)
s
=
K
p
(
T
d
s
+
1
+
1
T
i
s
)
G_{c}(s)=frac{K_{mathrm{p}}left(left(frac{K_{mathrm{d}}}{K_{mathrm{p}}}right) s^{2}+s+left(frac{K_{mathrm{i}}}{K_{mathrm{p}}}right)right)}{s}=K_{mathrm{p}}left(T_{mathrm{d}} s+1+frac{1}{T_{mathrm{i}} s}right)
Gc(s)=sKp((KpKd)s2+s+(KpKi))=Kp(Tds+1+Tis1)
其中,
K
p
,
T
d
,
T
i
K_p,T_d,T_i
Kp,Td,Ti分别为比例增益,微分时间常数和积分时间常数。选取控制器参数为
K
p
=
17.2
,
T
d
=
0
;
T
i
=
0.2
K_p=17.2,T_d=0;T_i=0.2
Kp=17.2,Td=0;Ti=0.2。
在系统中引入Smith估计器减少延迟的影响,控制框图如图2所示:

图2:Smith predictor结构
图中
τ
p
tau_p
τp为系统总延迟,有
τ
p
=
τ
c
a
+
τ
s
c
tau_p=tau^{ca}+tau^{sc}
τp=τca+τsc。
G
p
′
(
s
)
e
−
τ
p
′
s
G_{p}^{prime}(s) e^{-tau_{p}^{prime} s}
Gp′(s)e−τp′s为引入的预估补偿传递函数。该结构的系统闭环传递函数为:
Y
(
s
)
R
(
s
)
=
G
c
(
s
)
G
p
(
s
)
e
−
τ
c
a
s
1
+
G
c
(
s
)
G
p
′
(
s
)
+
G
c
(
s
)
(
G
p
(
s
)
e
−
τ
p
s
−
G
p
′
(
s
)
e
−
τ
p
′
s
)
frac{Y(s)}{R(s)}=frac{G_{c}(s) G_{p}(s) e^{-tau^{ca} s}}{1+G_{c}(s) G_{p}^{prime}(s)+G_{c}(s)left(G_{p}(s) e^{-tau_{p} s}-G_{p}^{prime}(s) e^{-tau_{p}^{prime} s}right)}
R(s)Y(s)=1+Gc(s)Gp′(s)+Gc(s)(Gp(s)e−τps−Gp′(s)e−τp′s)Gc(s)Gp(s)e−τcas
当不存在模型失配,即
G
p
′
(
s
)
=
G
p
(
s
)
,
τ
p
′
=
τ
p
G_p^{prime}(s)=G_{p}(s),tau_{p}^{prime}=tau_{p}
Gp′(s)=Gp(s),τp′=τp,系统闭环传递函数简化为:
Y
(
s
)
R
(
s
)
=
G
c
(
s
)
G
p
(
s
)
1
+
G
c
(
s
)
G
p
(
s
)
e
−
τ
c
a
s
frac{Y(s)}{R(s)}=frac{G_{c}(s) G_{p}(s)}{1+G_{c}(s) G_{p}(s)} e^{-tau^{ca} s}
R(s)Y(s)=1+Gc(s)Gp(s)Gc(s)Gp(s)e−τcas
观察可以发现,此时系统与没有延迟的系统相比,传递函数只是多乘上了
e
−
τ
c
a
s
e^{-tau^{ca} s}
e−τcas。也就相当于闭环回路中不含滞后项,滞后环节也不会影响系统的特征方程,此时系统简化图如图3所示。也就是说经过Smith预测补偿后的系统与无延迟的系统相比,只是将控制过程推迟了时间
e
−
τ
c
a
s
e^{-tau^{ca} s}
e−τcas。

图3: 简化后系统模型
Matlab实现
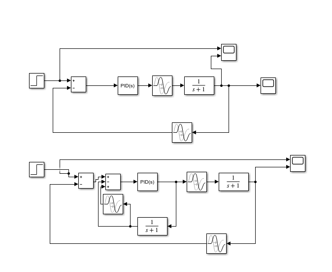
在Simulink中把加smith补偿和没加的都搭出来方便对比。由于比较简单,就不过多赘述,直接上图。

图4:Simulink实现
设置控制延时和传感器延时均为0.05s,仿真结果如图5所示。可以看到未加smith补偿的控制系统(左图)已经失稳,而加上smith补偿的控制系统的响应时稳定,只是有了0.05s的滞后。

图5:两个模型节约二响应(左图:未加smith补偿,右图:添加smith补偿)
总结
由于上述的Smith 预估补偿器是建立在被控对象和网络延迟的精确数学模型之上,而在实际应用中,延迟有可能是随机的,并且Smith 预估模型可能存在扰动,使其不能完全和被控对象模型相匹配,因此这个方法的鲁棒性不强。改进方案也有很多,大致可以分为结构改进和参数整定两类,具体可以参考我下最后列出来的论文。
另外,除了Smith补偿控制,也有很多其他的方法,比如随机最优控制方法,增广状态确定性离散事件模型方法,缓冲队列方法等等。
参考文献
[1]张海涛,李珍.基于Smith预估补偿的网络控制系统仿真研究[J].计算机工程与应用,2012,48(08):243-245.
[1]李珍. 网络化控制系统的延迟补偿研究[D].河南科技大学,2011.
最后
以上就是诚心蚂蚁最近收集整理的关于基于Smith预估器补偿系统控制延迟和传感器延迟(附Matlab实现)前言Smith 预估补偿原理Matlab实现总结参考文献的全部内容,更多相关基于Smith预估器补偿系统控制延迟和传感器延迟(附Matlab实现)前言Smith内容请搜索靠谱客的其他文章。
发表评论 取消回复