1、内容简介
略
494-可以交流、咨询、答疑
2、内容说明
3 SMITH控制
3.1 SMITH预测原理
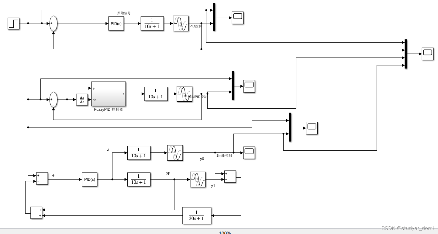
在控制系统中,纯滞后的环节可以出现在不同的位置,它们对过程调节的影响是不同的。以纯滞后单回路控制系统为例,说明了如何减少纯滞后对系统的影响。其结构图如下:
R(s) Y(s)
- -
图3.1纯滞后补偿的结构图
Gc(s)为普通调节器的传递函数,G(s) exp(-s)为对象的传递函数。则在没有滞后补偿的控制系统的传递函数为:
(3-1)
在闭环传递函数的分母中,还有纯滞后环节exp(一二),这将导致稳定的减少,当足够大的时候,系统将是不稳定的。为了使系统得到充分补偿,应该有:
(3-2)
经过完全补偿后,完全补偿后的闭环传递函数为:
(3-3)
它消除了纯滞后部分对控制系统的影响,因为公式中的exp(-s)在闭环控制回路之外,不影响系统的稳定性,拉普拉斯变换定理表明,exp(-s)仅仅为控制作用在时间坐标上推移了一个时间z,而控制系统的过渡过程及其他性能指标都与对象特性为G(s)时完全相同。此种补偿为SMITH预估补偿。
3.2 SMITH预估补偿结构的改进
由于被控对象的参数是会改变的,纯滞后环节通常会用近似式表达式表示,使得出现了预估补偿器不能实现完全补偿,系统的稳定性会变差,为了提高系统的稳定性,将滤波器加入到SMITH预估值和实际系统的输出值的误差回路中,以此增加系统的稳定性。其结构图如下:
图3.2改进的SMITH预估补偿
在这里,GF (s)取为加权平均滤波器,此滤波器的特征:
方法:数据在不同的时间加以不同的权,通常越接近现时刻的数据,权值取得越大。新的采样值权系数越大,灵敏度越高,但信号平滑度越低。
优点:适用于较大纯滞后时间常数的对象和较短的采样周期的系统。
缺点:对于纯滞后时间常数较小,采样周期较长,变化缓慢的信号不能迅速反应系统当前所受干扰的严重程度,滤波效果差。
由于中央空调的湿度控制通常是存在大滞后,滞后时间长,采样周期不长,故此滤波器适用。
3、仿真分析
略
4、参考论文
略

最后
以上就是单薄睫毛膏最近收集整理的关于matlab simulink 温度控制时延系统 模糊pid和smith控制3 SMITH控制的全部内容,更多相关matlab内容请搜索靠谱客的其他文章。
发表评论 取消回复