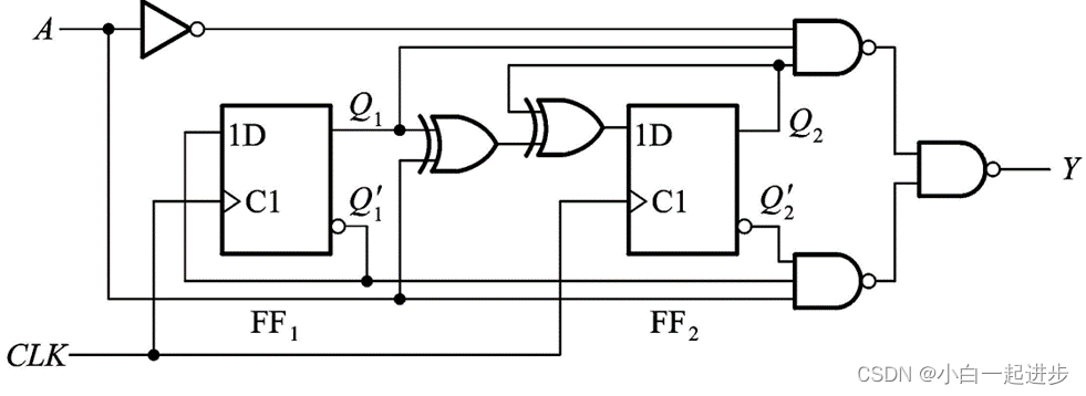
步骤大致如下:1.根据逻辑电路图列出状态、驱动、输出方程
2.列出状态转移表
3.根据状态转移表画出状态转移图
以以下逻辑电路图为例:


注意:状态转移图的由来以00到01为例,00表示Q2=0,Q1=0(注意状态转移图中Q2在前),将Q2=0,Q1=0,A=0代入驱动、状态和输出方程,得到新的Q2*=0,Q1*=1 ,Y=0。说明当A=0时,00状态得到了新的状态01(即Q2*=0,Q1*=1),所以有箭头从00状态指向01状态,而上面的0/0则表示/前的0表示代入方程时A的状态为0,/后的0表示代入方程后得到Y=0;以此类推,再将01状态(即Q2*=0,Q1*=1)代入新的方程得到新的状态和输出。还有刚刚只是代入了A=0的时候,接下来还要代入A=1的时候,又会得到新的状态和输出(11 1/1)。
最后
以上就是欢喜招牌最近收集整理的关于时序逻辑电路的状态转移图的全部内容,更多相关时序逻辑电路内容请搜索靠谱客的其他文章。
本图文内容来源于网友提供,作为学习参考使用,或来自网络收集整理,版权属于原作者所有。
发表评论 取消回复