上题目!
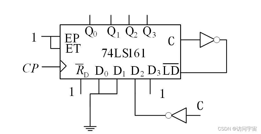
用一片74LS161和必要的门电路构成一个可控计数器。当控制端C=1时,实现八进制计数;C=0时,实现四进制数。
当ET=EP=1 , LD非=1 , Rd非=1时,同步计数。 所以把ET,EP端相连置1,Rd非置1。
当计数时,只有最后一位进位(同步置数)C端才出1,LD非出0。其余状态C端均出0,LD非出1。说明LD非=C非。
要实现八进制计数,即0000——0111。当为0111时,下一跳置为0000,重新计数。
要实现四进制计数,即0000——0011。当为0011时,下一跳置为0000,重新计数。
下面用置数法来做。
基本思路:通过给计数器重复置入某个数值的方法跳过N-M个状态,从而获得M进制计数器。置数操作可以在任何一个状态下进行。
要实现用控制端C(注意这里的C端是控制端,不同于进位输出端C)同时控制八进制和四进制,就要它们在相同计数值1111的情况下,进位。
同时跳回属于自己的开始端1000和1100,实现8进制和4进制。

C=1时,D3D2D1D0=1000;C=0时,D3D2D1D0=1100。
D3D2D1D0=1C非00
画出最终的电路图

都是我自己看答案后的一些理解,不知道怎么具体用纯代数方法分析。
最后
以上就是积极蓝天最近收集整理的关于如何用一片74LS161和必要的门电路构成一个可控计数器?的全部内容,更多相关如何用一片74LS161和必要内容请搜索靠谱客的其他文章。
本图文内容来源于网友提供,作为学习参考使用,或来自网络收集整理,版权属于原作者所有。
发表评论 取消回复