问题背景
最近在学习滑模控制,看到b站上的视频和文章,打算自己照着做一遍:
1、滑模控制的基本原理
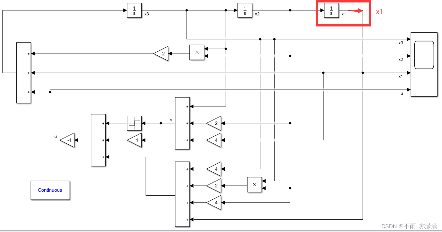
实际仿真中却遇到了一个小问题,不知道怎么设置变量x1的初值(不能用pulse generator给初始脉冲)
这里的x1是经过积分器模块后输出的。
可以看到,如果没有特地设置x1的初值,默认是0,波形图如下:
设置方法
(Matlab2019b)

菜单栏中的 MODELING -> Model Explorer ,可以看到模块变量:

根据需要,选择 Integrator2 ,设置 Initial condition ,最后点 Apply :

运行查看波形:

可以看到变量x1的初始值为5,则设置成功。
当然,也可以通过 matlab 写入变量初值。
参考:使用 Model Explorer 编辑和管理工作区变量
最后
以上就是怡然蛋挞最近收集整理的关于【Simulink】使用Model Explorer设置模块变量初值问题背景设置方法的全部内容,更多相关【Simulink】使用Model内容请搜索靠谱客的其他文章。
本图文内容来源于网友提供,作为学习参考使用,或来自网络收集整理,版权属于原作者所有。


发表评论 取消回复