

钟控RS触发器相比普通RS触发器多了两个与非门电路以及一个CP时钟。
当cp等于0时触发器不变,cp等于1时与非门的作用相当于将输入变量变为反变量。
由普通RS触发器的特征方程以及约束条件可以得到钟控RS的对应情况。



D触发器将RS触发器的R端接到S'处,保证输入端两个变量肯定互补



钟控JK触发器可以置零可以置一可以不变可以翻转,它添加了两根反馈线



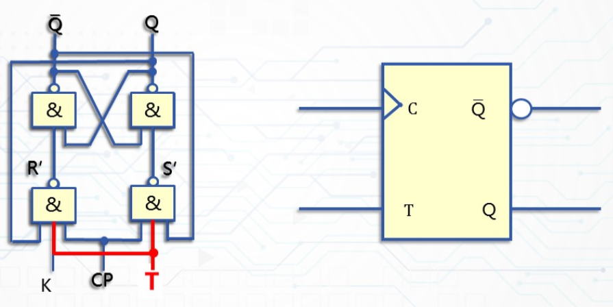
T触发器将JK两根线合并为一根,保持输入变量只有一个,功能只有不变或者翻转,相当是弱化版的JK触发器
最后
以上就是勤奋寒风最近收集整理的关于钟控RS,D,JK,T触发器的全部内容,更多相关钟控RS,D内容请搜索靠谱客的其他文章。
本图文内容来源于网友提供,作为学习参考使用,或来自网络收集整理,版权属于原作者所有。
发表评论 取消回复