前言
《数字电子技术基础》第6.3节学习笔记
6.3.1 寄存器和移位寄存器
一、寄存器
寄存器(Register)用来寄存一组二值代码,它被广泛地用于各类数字系统和计算机中。N个触发器组成的寄存器能储存N位二进制代码。如74LS75、74HC175:

74LS75:使用电平触发的同步SR触发器组成的4位寄存器,因此当CLK=1时,Q端跟随D端状态;当CLK=0时,Q端保持最后CLK变化时D端的状态。
74HC175:使用CMOS边沿触发器组成的4位寄存器,因此只有当CLK处于上升沿时,Q端的状态才会跟随D端状态,否则Q端保持状态,RD'是添加三态门的复位控制端。
以上两种寄存器都为并行输入,输出的。
二、移位寄存器
移位寄存器(Shift Register)除了具有储存代码的功能外,还具有移位功能(通过移位脉冲控制左移和右移),并且可以实现数据的串-并转换、数值运算及数据处理等。

上图电路是由边沿触发的D触发器组成的4位移位寄存器。当CLK是上升沿是触发器才进行传输,例如,在4个时钟周期内(4个上升沿)输入代码依次为1011,而移位寄存器的初识状态为=0000,在移位脉冲的作用下变化如下表:


如下图,使用JK触发器组成的4位移位寄存器:


为分析74LS194A的功能这里以FF1为例进行说明,如图G1实现的是4选1数据选择器。
S0S1=00时,a0导通,FF1中当CLK上升沿时Q1=Q1,锁存功能。
S0S1=01时,a1导通,FF1中CLK上升沿时Q1=Q2,左移功能。
S0S1=10时,a2导通,FF1中CLK上升沿时Q1=Q0,右移功能。
S0S1=11时,a3导通,FF1中CLK上升沿时Q1=D1,并行输入功能。
这里还增加了三态门控制端=1时,电路才处于工作状态,否则全为0。

当位不够时,可以通过并接74LS194A实现位扩展

6.3.2 计数器
- 用于计数、分频、定时、产生节拍脉冲等
- 分类:
- 按时钟分:同步、异步
- 按计数过程运算:加、减和可逆
- 按数字编码:二进制、二-十进制和循环码...
- 按计数容量:十进制、六十进制...
一、同步计数器
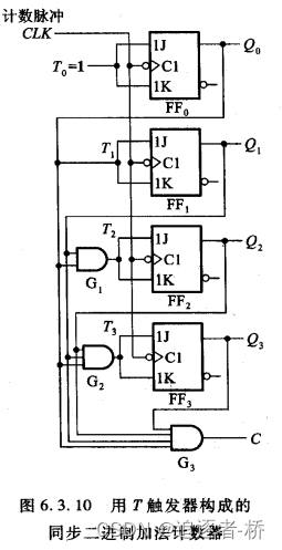
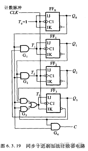
1、同步二进制计数器
- 同步二进制加计数器
原理:根据二进制加法运算规则:在多位二进制数末位加1,若第i位以下皆为1时,则第i位应翻转。
同步触发器通常用T触发器构成,结构有两种。
当T=1时,只要有脉冲输出就翻转,对于最低为是正常的。高一位的应何时翻转?第一位的为1时,来脉冲才进行翻转。类似的可以往后推。同时可得出逻辑式:




实际对应的常用器件:74161芯片

逻辑图:

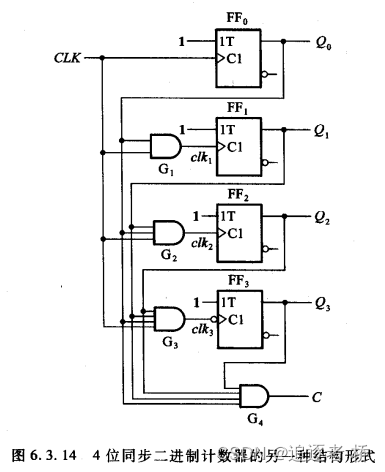
另外一种结构:
FF有clk的上升沿控制,而其上升沿的产生确是Q和CLK为高电平时控制,这样可能会有些时间延迟,并不是在CLK上升沿时进行翻转。

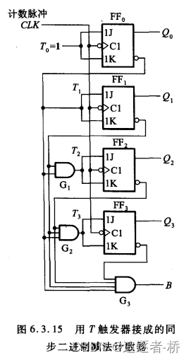
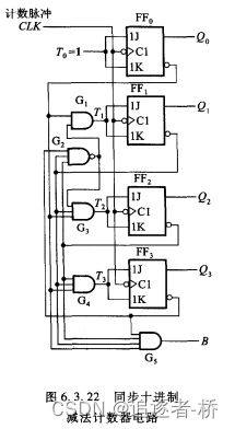
- 同步二进制减计数器
原理:根据二进制加法运算规则:在多位二进制数末位减1,若第i位以下皆为0时,则第i位应翻转。


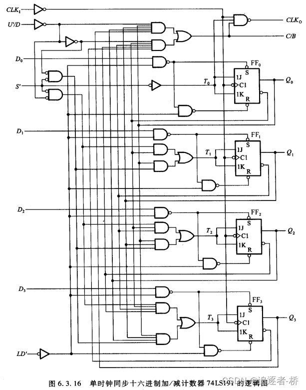
- 同步二进制加减计数器
a、单时钟方式
加、减脉冲同一输入端,由加减控制线的高低电平决定加、减。
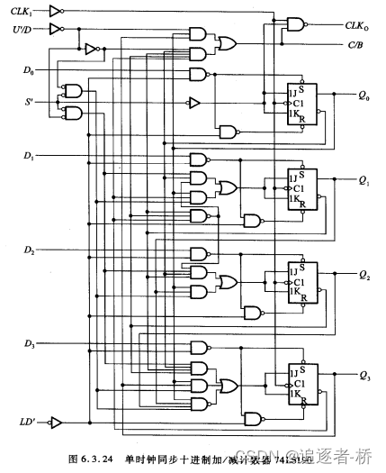
实际典型器件:74LS191(使用T触发器)



a、双时钟方式
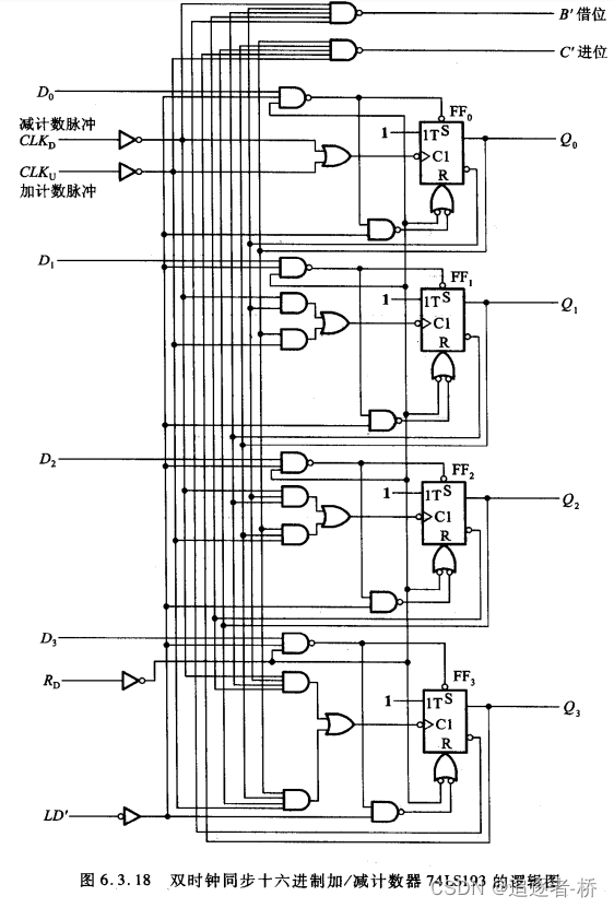
实际对应器件为:74LS193(采用T触发器,即T=1)
使用时谨慎使用,CLKD和CLKU时钟会产生竞争冒险,因此在使用时加入外部控制电路。

2、同步十进制计数器
- 同步十进制加法计数器
基本原理:二进制的结构实现十进制,在四位二进制计数器基础上修改,只用到了10进位
当计到1001时,则下一个CLK电路状态回到0000

即1001的下一个状态为0000,原本时1010,也就是将1001的下一个状态的1010变成0000。
相对于1010、0000来说,Q0、Q2的变化规则是正确的,而Q1、Q3需要改变。
对于1010的变化规则是:
T3=Q2Q1Q0,如果将1010带入T3=0,那么下一个状态依然是Q3*=1。
T1=Q0,将1010带入T1=0,那么下一状态依然是Q0*=1.
这里希望下一状态Q3*=0,则需要将T3=1,相对于1001来说,只需要译Q3Q0即可,因此得到T3=Q2Q1Q0+Q3Q0。
同理希望下一状态Q1*=0,则需要将T1=1,相对于1001来说,只需要将 (Q3Q0)'即可,因此得到的T0=Q0(Q3Q0)'=Q0Q3'。



现实器件:74160,十进制加计数,控制和74161相同。
- 同步十进制减法计数器
即0000的下一个状态为1001,原本时1111。
所以只要改变T1和T2即可。



根据以上可以将其改成16进制以下的任意进制加减计数器。

二、同步计数器
1、异步二进制计数器
- 异步二进制加法器
在末位+1时,从地位到高位逐位进位方式工作,原则:每1位从“1”变"0"时,向高位发出进位,使得高位翻转。

tpd的时长会越来越长

- 异步二进制减法器

- 异步十进制计数器

74LS290,若CLK0为计数器的输入端、Q0为输出端,即得到二进制计数器(或二分频器);
若CLK1为计数器的输入端、Q3为输出端,即得到五进制计数器(或五分频器);
若将CLK1与Q0相连,同时CLK0为输入端、Q3为输出端,则得到十进制计数器(十分频器)

三、任意进制计数器的构成方法
已有N进制芯片,组成M进制计数器,是常用的方法。
1、N>M

置零法:异步和同步; 预置数法:异步和同步
利用同步十进制计数器74160接成同步六进制计数器。

全译码: 如下图同步置0,异步置0时需要将0110这个状态赋值给RD'。红框为变成六进制后新印出来的框。

对于图6.3.33电路来说从0101跳到0000状态的时间只有门电路的延迟时间,在进位也属于一个数的变化所以应该也属于一个数的变化时间。
加入了一个锁存器,将输入锁存了半个周期的时间,将时延扩展了时间。

预置数法:
当达到进位条件时,将进位条件作为LD'置位触发,将D0D1D2D3置入到Q0Q1Q2Q3,需要关注置入状态和置入的条件。

得CLK可以直接置入,当输出状态变为0101也就是6时,作为触发LD'的触发信号,将D0D1D2D3

2、N<M
- M = N1XN2,如60进制即6进制与10进制来搭
N1和N2有两种链接方式:
- 并行进位方式:用同一个CLK,地位片的进位输出作为高位的计数控制信号
- 串行进位方式:低位片的进位输出作为高位片的CLK,两片时钟同时处于计数状态
偶数:两片同步十进制计数器接成百进制计数器
只有低位片进位的时候CLK才对高位片起作用进行计数。并行,同步电路

进位信号作为高位片的时钟进行计数,串行,异步

显示时会有问题,由于C进位的上升沿实在状态1001开始,当高位片显示1的时候地位仍然会处于1/4周期的状态9,然后再跳变1/4周期,所以显示时会出现8(1/2周期)、9(1/4周期)、19(1/4周期)、10(1/2周期)。因此这里加入了一个反相器,将下降沿变成上升沿,也就是取的1001结束的状态进行进位,将高位片进位导致的显示滞后1/4个周期。
奇数:将两片同步十进制计数器74160接成29进制计数器
整体置零(异步)
只要将29时的译码出来,作为整体置0的条件。

整体置数(同步)

四、移位寄存器型计数器
1、环形计数器


由于上面电路由无效状态,不能完成自启动,因此设计成自启动电路:


2、扭环形计数器



计数器应用实例:
例1:计数器+译码器——顺序节拍脉冲发生器
例2:计数器+数据选择器——序列脉冲发生器
6.3.3 顺序脉冲发生器

6.3.4 序列信号发生器

最后
以上就是自然星星最近收集整理的关于《数字电子技术基础》6.3 时序逻辑电路——寄存器、计数器及脉冲发生器功能介绍前言6.3.1 寄存器和移位寄存器6.3.2 计数器6.3.3 顺序脉冲发生器6.3.4 序列信号发生器的全部内容,更多相关《数字电子技术基础》6.3内容请搜索靠谱客的其他文章。
发表评论 取消回复