MATLAB/Simulink电力系统与仿真,第四章中的2机5节点潮流计算模型建模经验
本人在学习simulink时参考此书,按照书中教程和参数搭建潮流计算模型,但是书中并未详细给出所以的设置参数,对元件应用描述还没有很细,仿真过程未详细描述,因此在建模过程中碰到了一些错误,可能是本人自身原因所造成,此书还是非常值得大家参考的。以下列举一些我的建模经验:
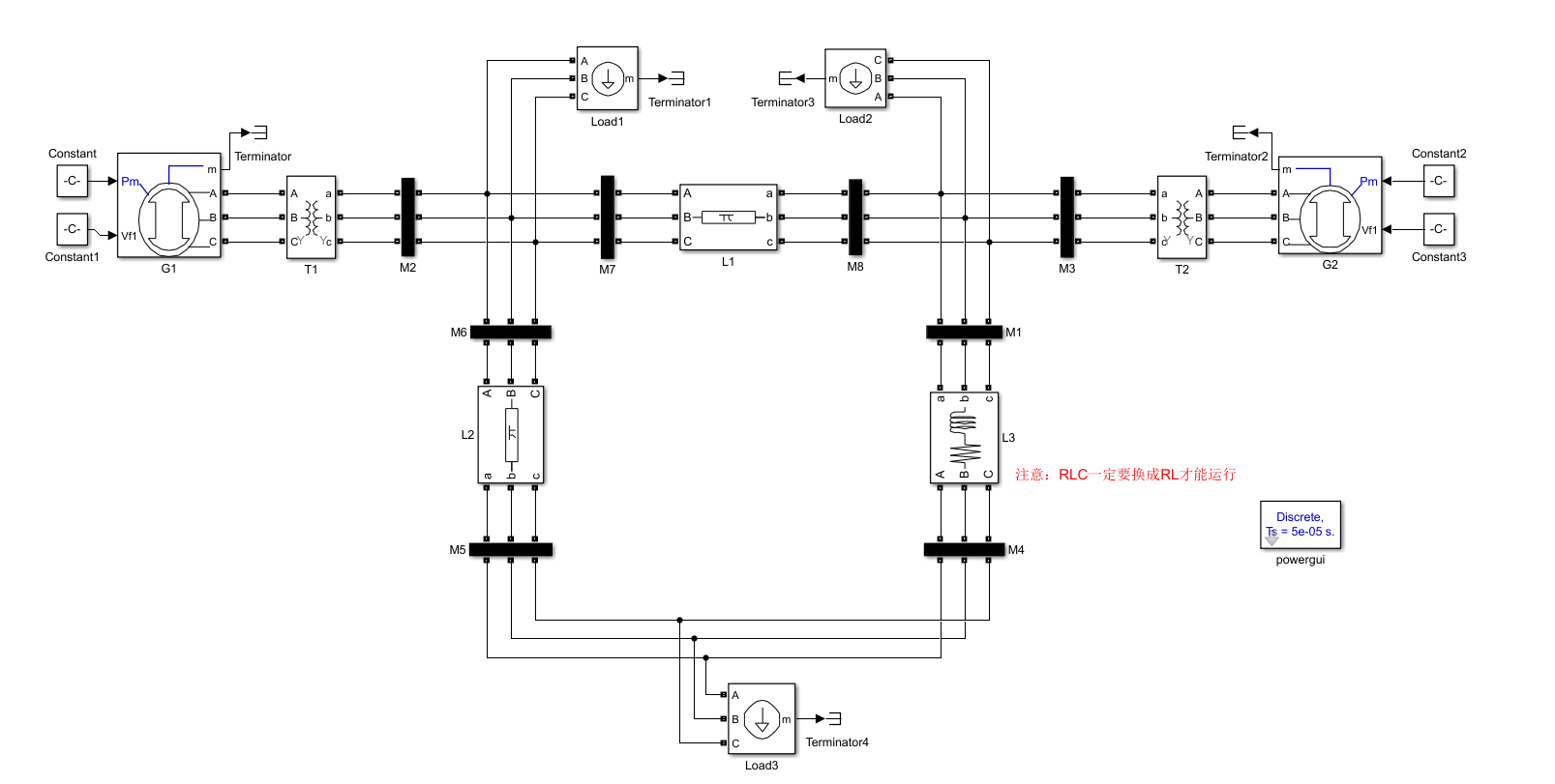
simulink图

使用的是Matlab2016b版本
首先发电机:
用的是“Synchronous Machine pu Standard”,即pu标准同步电机模块,在Simscape的Power system下面的Specialized Technology下面点击Machines(不用再点进下一级菜单)即可,如图:

其余的元件:变压器、线路、负荷都在Elements中:

母线用“Three-Phase V-I Measurement”,点击Measurement如图:
必须进行一定设置才能看起来像母线,双击进入设置,把提供测量的电压和电流的“use a label”勾上,确定。再调整为母线样式大小。右击,在Format菜单下的Background Color设置为Black黑色,即可像母线样式。如图:


最后的终端模块和常数模块在库中的“Simulink-Commonly used block”里。所有模块找到后按图连接即可。
还需要一个最为重要的“总控分析室”——“powergui”,如图处:

参数设置:
发电机:(Configuration选机械输入Pm,突极式Salient-pole),其余默认(G1、G2参数都一样设置)

变压器:(Configuration选Y-Y接法),其余默认。此处尤其注意“Winding 1 parameters”的“L1”参数必须设置为0,即一次侧L1=0(T1、T2参数都一样设置)

线路:Pi形线路按书上计算的参数设置即可,此处必须注意RLC线路必须设置为RL类型,否则在运行时发电机会显示没有任何输出。参数同Pi

负荷:按书上修改参数即可,尤其是有功功率和无功功率的参数

Constant参数随便设(我设1),因为最后会自动读取。
最后提示:以上所有元件的参数设置中,Initial 开头的参数不需要设置,都是最后运行时会自动读取的。
运行
双击“powergui”,设置离散,再点“Machine initialization”,按书上设置发电机和符合的一些参数(频率都为50HZ;G1为PV节点,AB电压11025,有功5e8;G2为平衡节点swing;三个负荷的P和Q也要设置为与前面一样所消耗的值):


之后点击Update,再点击Compute and Apply
最后结果:

这是我新运营的公众号,里面有此书的PDF和此模型文件:

声明:本文只为了学习使用,如有侵权,请联系我撤回!
最后
以上就是靓丽玫瑰最近收集整理的关于MATLAB/Simulink电力系统与仿真,第四章的2机5节点潮流计算模型建模经验MATLAB/Simulink电力系统与仿真,第四章中的2机5节点潮流计算模型建模经验的全部内容,更多相关MATLAB/Simulink电力系统与仿真,第四章内容请搜索靠谱客的其他文章。
发表评论 取消回复