我是靠谱客的博主 留胡子哈密瓜,这篇文章主要介绍第二讲 Matlab/Simulink入门——控制系统的阶跃响应特性仿真1、简单例子回顾基本操作方法2、控制系统模型3、仿真结果,现在分享给大家,希望可以做个参考。

第二讲 控制系统的阶跃响应特性仿真

  • 1、简单例子回顾基本操作方法
  • 2、控制系统模型
    • 2.1、对例2-1所示的控制系统建模仿真
    • 2.2、模块参数设置
  • 3、仿真结果

1、简单例子回顾基本操作方法

创建模型
放置模块
设置参数
模型仿真

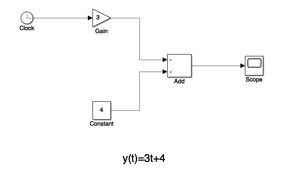
【例1-1】对数学函数模型 y ( t ) = 3 t + 4 y(t)=3t+4 y(t)=3t+4,进行simulink仿真。函数模型很简单,只需要布置几个模块即可,如图1-1所示。
 Clock模块:默认参数。
 Gain模块:增益设为3。
 add模块:list of signs设置为++。
 Constant模块:常数4。

仿真结果如图1-2所示:

2、控制系统模型

2.1、对例2-1所示的控制系统建模仿真

【例2-1】对图2-1所示控制系统建模仿真,求系统的阶跃响应特性。

图2-1 控制系统框图

2.2、模块参数设置

 Step模块:模拟阶跃信号,设置为默认参数。
 Transfer Fcn模块:实现系统前向通道的函数传递,参数设置如下所示。

 Sum模块:list of signs设置为| + -。
 Scope模块:默认参数。

3、仿真结果

最后

以上就是留胡子哈密瓜最近收集整理的关于第二讲 Matlab/Simulink入门——控制系统的阶跃响应特性仿真1、简单例子回顾基本操作方法2、控制系统模型3、仿真结果的全部内容,更多相关第二讲内容请搜索靠谱客的其他文章。

本图文内容来源于网友提供,作为学习参考使用,或来自网络收集整理,版权属于原作者所有。
点赞(189)

评论列表共有 0 条评论

立即
投稿
返回
顶部