笔者会根据自己的工程说明为例,讲述,以此类推;
工程所用的是dsp48e1的原语,应用于cnn的计算。调用了16个SP;每个SP中又有两个unit;其中只看参数传递:
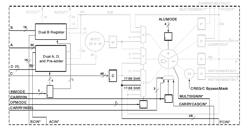
在此之前先看一下手册,了解一下OPMODE。以OPMODE = 0110101

Z=C;

Y=M;X=M;

得到,P= A*B +D*B + C;
具体实现,以自己工程为例:
(A_DLY,B_DLY,CREG,ACC)
0: (0,0,1,0) ---------> (1,1,0,0) P= A*B +D*B + C; ---------> P= A*B +D*B + PCIN;
else:(0,0,0,0) ---------> (1,1,0,0) P= A*B +D*A + PCIN; ---------> P= A*B +D*B + C;
15:(0,0,0,0) ---------> (1,1,0,0) P= A*B +D*B + PCIN; ---------> P= A*B +D*B + PCIN;
计算符合设计的原理。
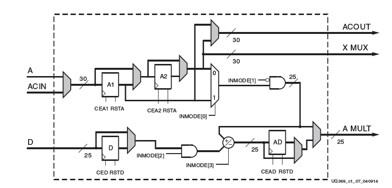
l另一个参数,INMODE:
assign ad_bit = A_DLY==1'h1 ? 1'h0 : 1'b1;
assign bd_bit = B_DLY==1'h1 ? 1'h0 : 1'b1;
inmode = {bd_bit,1'b0,*,*,ad_bit};
根据自己工程的调用,得到bd_bit与ad-bit 一样的值,其中*也是同一数值;




当imode = {10**1}时两种情况:C/PCIN据定于 opmode
inmode = 10001 A1*B1 +C/PCIN;
inmode = 10111 D*B1 +C/PCIN;
当imode = {00**0}时两种情况:
inmode = 00000 A2*B2+C/PCIN;
inmode = 00110 D*B2+C/PCIN;


暂时按着自己想法还是正确的。
再来继续验证:前部分opmode=P= A*B +D*B + PIN;现在做P= A*B +D*B + C;
parameter integer A_DLY = 0,
parameter integer B_DLY = 0 ,
parameter integer CREG = 1,
parameter integer ACC = 0
只需要将参数(0,0,0,0) -------> (0,0,1,0)

笔者实在看不懂cc_en的使能信号的做妖,

在原语中控制如上:对于图中3的计算,明明还未使能,怎么就有输出了呢?
诸如此很多都是刚开始数据笔者有点搞不拎清,其他都正确啦,知道的朋友可以告诉一声,谢谢,但是基本的机理算是弄清楚啦。
最后
以上就是正直铃铛最近收集整理的关于dsp48e1略知一二的全部内容,更多相关dsp48e1略知一二内容请搜索靠谱客的其他文章。
发表评论 取消回复