文章目录
- 前言
- 一、加法器,乘法器综合
- 总结
前言
至于dsp别的使用方法,可以看别的博主:FPGA十年老鸟。这里只总结我用到的加法器和乘法器。
一、加法器,乘法器综合
怎么处理三输入的加法器呢
always @(posedge clk or negedge rst_n)begin
if(!rst_n)
a <= 'b0;
else
a <= b+c+d;
end
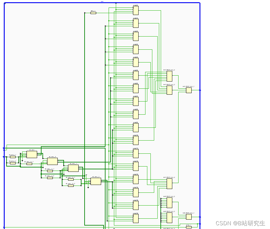
上面的代码综合结果如下图,使用寄存器搭建了两个加法器。

(*use_dsp = "yes"*)module test_adder(
input clk,
input rst_n,
input [15:0] b,
input [15:0] c,
input [15:0] d,
output reg [16:0] a
);
always @(posedge clk or negedge rst_n)begin
if(!rst_n)
a <= 'b0;
else
a <= b+c+d;
end
上面代码综合图如下图,注意添加了(use_dsp = “yes”),使用了2个dsp资源。

dsp_macro_2 tance_name (
.CLK(clk),
// input wire CLK
.A(b),
// input wire [15 : 0] A
.C(e),
// input wire [15 : 0] C
.D(d),
// input wire [15 : 0] D
.P(P)
// output wire [17 : 0] P
);
IP核配置

上面代码综合如下图,消耗一个dsp资源。

总结
如果需要一个三输入的加法器,建议使用ip核,可以节省资源。
乘法器用到在更新
最后
以上就是大力白开水最近收集整理的关于DSP48 Macro使用 加法器 乘法器前言一、加法器,乘法器综合总结的全部内容,更多相关DSP48内容请搜索靠谱客的其他文章。
本图文内容来源于网友提供,作为学习参考使用,或来自网络收集整理,版权属于原作者所有。
发表评论 取消回复