电力电子技术 单相桥式晶闸管整流电路(阻性/阻感性负载)simulink仿真
- 一、电路图
- 二、工况分析
- 1.ωt∈(0,α)
- 2.ωt=α
- 3.输出电流过零
- 4.输出电压和输出电流
- 5. 电感性负载单相桥式全控整流电路
- 三、Simulink仿真
- 1.提出问题
- 2.问题分析
- 3.元件选取
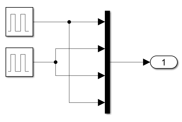
- 4.脉冲发生子电路
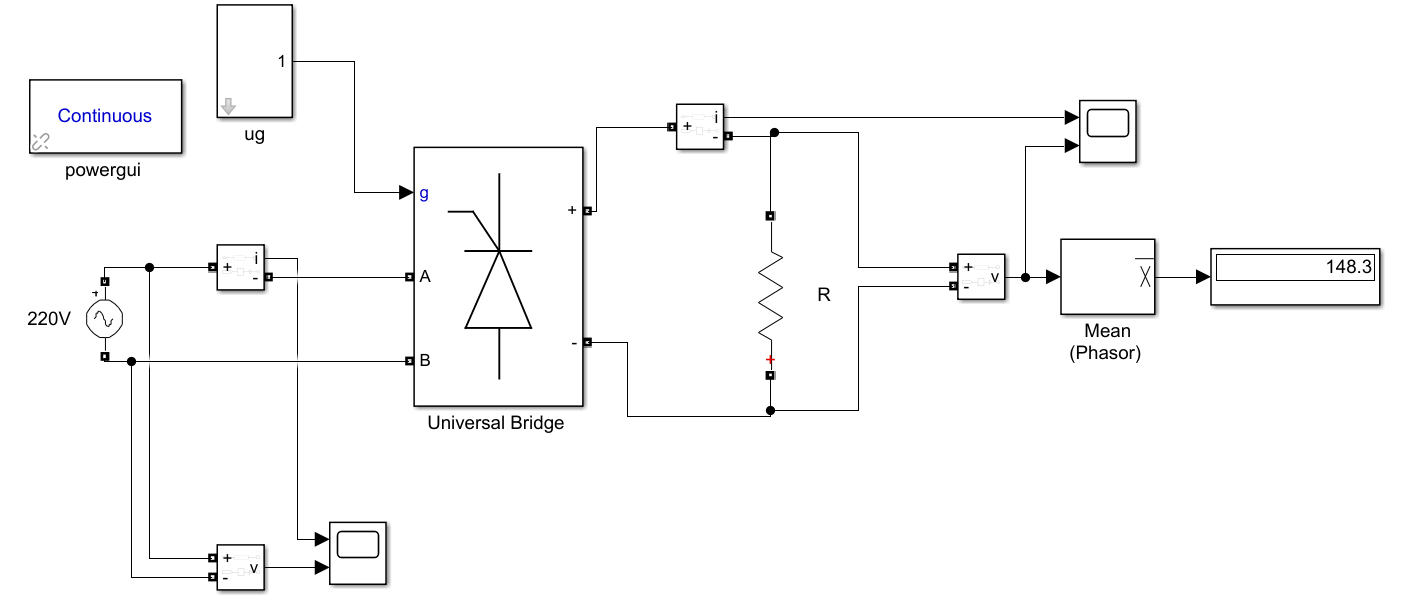
- 5.主电路
- 四、阻性负载仿真
- 五、阻感性负载仿真
- 六、仿真文件获取
- 1.积分获取
- 2.免费获取
- 七、其余电力电子电路
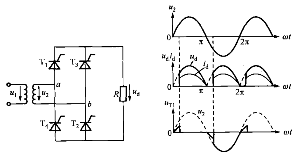
一、电路图
单相全控桥式整流电路的线路图如下图所示。

二、工况分析
1.ωt∈(0,α)
晶闸管T1和T2组成一对桥臂,T3和T4组成另一对桥臂。当交流电压u2进入正半周时,a端电位高于b端电位,两个晶闸管T1和T2同时承受正向电压,如果此时门极无触发信号ug,两个晶闸管处于正向阻断状态,电源电压u2将全部加在T1和T2上。
2.ωt=α
在ωt=α时刻,给T1和T2同时加触发脉冲,则两个晶闸管立即触发导通。
3.输出电流过零
当电流过零时,T1和T2关断。在交流电源的正、负半周里,T1、T2和T3、T4两组晶闸管轮流触发导通,触发脉冲在相位上相差180°。
4.输出电压和输出电流
改变触发脉冲出现的时刻,即改变α的大小,直流电压ud和直流电流id的波形和平均值会随之改变。
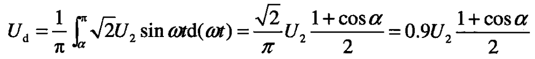
由于负载在两个半波中都有电流流过,形成全波整流。从整流变压器副边绕组来看,两个半波电流方向相反,大小相等:因而变压器副边没有直流磁化问题,变压器的利用率也较高,这些都是桥式整流电路的优点。
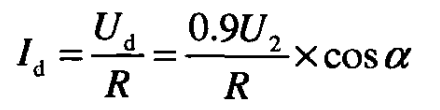
晶闸管承受的最大反向电压为 sqrt2U2,整流输出电压的平均值是:

即Ud最小时,α=180°,Ud最大时,α=0°。所以单相桥式全控整流电路带阻性负载时,α的相移范围时0°~180°。
当α=0°时,晶闸管全部导通,相当于不可控整流,此时输出电压的最大值为Ud0,即Ud0=0.9U2。整流输出电压的有效值如下:

在负载上,输出电流的平均值和有效值分别为:

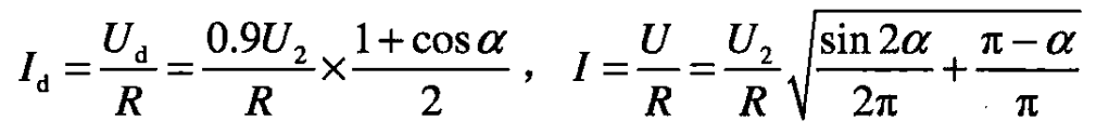
5. 电感性负载单相桥式全控整流电路
在实际应用中,大功率整流器给纯电阻负载供电是很少的,经常在负载是既有电阻又有电感,但负载的感抗与电阻的数值相比不可忽略时称为电感性负载,例如各种电机的激磁绕组。
单相桥式全控整流电路接电感性负载,接线图如下,假设电感很大,负载电流连续而基本平直。

电流连续的情况下,整流电压的平均值为:

整流电压的有效值是:

而输出电流的波形因电感很大而呈一条水平线,其平均值为:

当α=0°时,Ud=0.9U2;当α=90°时,Ud=0。因此,适应电感性负载的相移范围为0°~90°,晶闸管承受的最大反向电压是根sqrt2U2。
如果电感不够大,电感中储存的能量不足以维持电流导通到pi+alpha,则负载电流出现断续现象,如下图所示:

三、Simulink仿真
1.提出问题
完成单相桥式全控整流电路的simulink仿真。
2.问题分析
①相电压220V 50Hz
②两个脉冲信号,幅值均为1,周期设置为0.02s,时间分别滞后α0.02/360和α0.02/360+0.01。α为触发角。
③仿真算法为ode23tb,最大步长为1e-5。
3.元件选取
① powergui

② AC Voltage Source

③ Series RLC Branch

④Universal Bridge

⑥ Pulse Generator

⑦ Mean

⑧ 测量及显示模块


4.脉冲发生子电路

5.主电路

四、阻性负载仿真
将串联RLC电路的电阻设为1Ω,电容和电感设置为0。触发角设置为60°,观察输出电压和电流的波形,以及输出电压的平均值。
输出电压和电流的波形为:

交流电压和电流的波形为:

晶闸管T1两端电压

输出平均电压为:

五、阻感性负载仿真
将串联RLC电路的电阻设为1Ω,电感设置0.01H。触发角设置为60°,观察输出电压和电流的波形。
输出电压和电流的波形为:

交流电压和交流电流的波形:

六、仿真文件获取
1.积分获取
MATLAB2021 单相桥式晶闸管整流电路(阻性/阻感性负载)simulink仿真
可以自己搭建,或者直接用这个做好的。调节不同的参数观察输出,和书上的理论图对应学习分析。
2.免费获取
七、其余电力电子电路
☆汇总☆电力电子技术simulink仿真电路分析
最后
以上就是大意灰狼最近收集整理的关于【电力电子技术AC-DC】单相桥式晶闸管整流电路(阻性/阻感性负载)simulink仿真一、电路图二、工况分析三、Simulink仿真四、阻性负载仿真五、阻感性负载仿真六、仿真文件获取七、其余电力电子电路的全部内容,更多相关【电力电子技术AC-DC】单相桥式晶闸管整流电路(阻性/阻感性负载)simulink仿真一、电路图二、工况分析三、Simulink仿真四、阻性负载仿真五、阻感性负载仿真六、仿真文件获取七、其余电力电子电路内容请搜索靠谱客的其他文章。
发表评论 取消回复