simulink电力电子仿真(3)单相桥式全控整流及有源逆变电路
返回目录
主要是赶上了疫情,,然后期末要疯狂补实验报告,就索性写一下吧,万一以后再做电力电路仿真,可能会有用的,也希望可以帮助别人。
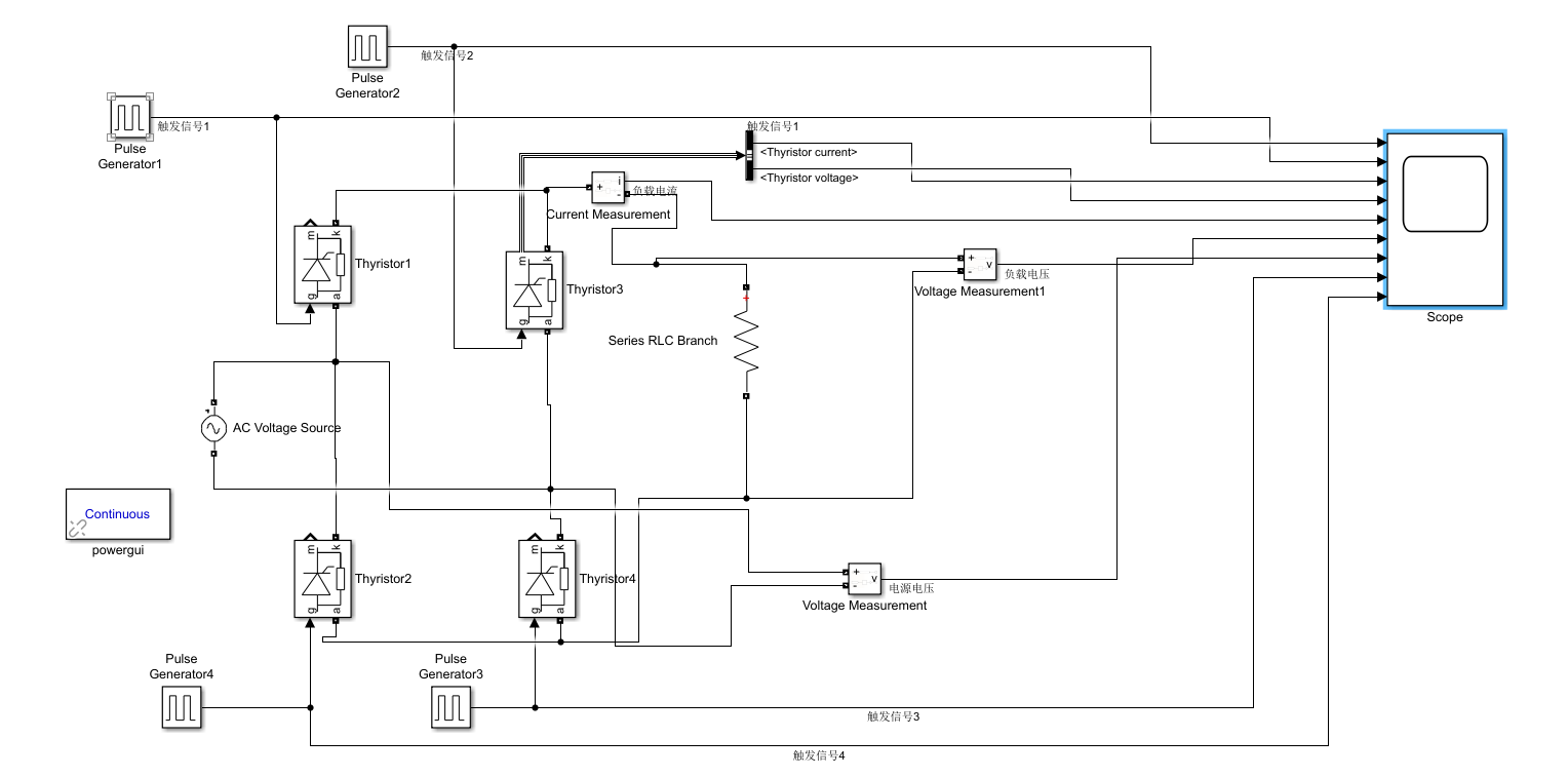
器件的选择及位置
MATLAB的版本 2018a
注:路径是QQ截图提取的文字,有错,但是大概方向不错的;建议选择该路径下,因为这是可以保证连接成功的
| 器件名称 | 器件位置 |
|---|---|
| AC Voltage | Simscape/Power Systems/Specialized Technology/Fundamental Blocks/E1 ectrical Sources |
| Scope | Simulink/Sinks/Scope |
| Voltage Measurement | Simscape/Power Systems/Specialized Technology/Fundamental Blocks/Measurements |
| Current Measurement | Simscape/Power Systems/ Specialized Technology/Fundamental Blocks/ Measurements |
| Series RLC Branch | Simscape/Power Systems/Specialized Technology/Fundamental Blocks/E1 ements |
| Ground | Simscape/Power Systems/Specialized Technology/Fundamental Blocks/Elements |
| powergui | Simscape/Power Systems/Specialized Technology/Fundamental Blocks |
| Diode | Simscape/Power Systems/Specialized Technology/Fundamental Blocks/Power E1 ectronics |
| DC Voltage Source | Simscape/Power Systems/Specialized Technology/Fundamental Blocks/E1 ectrical Sources |
| Thyristor | Simscape/Power Systems/Specialized Technology/Fundamental Blocks/Power Electronics |
| Pulse Generator | Simulink/Sources |
仿真电路的绘制

跟上一个实验相比只是把二极管换成了晶闸管。
参数设定
电源:

触发信号要互为对角线的相等,然后另一组还是要超前第一组180°
超前180°演示
这里显示的270 = 180+90 是触发信号二的设置,信号一为90就行。

一定要按照要求来把四个脉冲设置好
其他应该默认就行了。
仿真结果演示
示波器设置7路
电阻负载
R=5。
α=30°:

α=60°:

α=90°:

α=120°:

在α=0°、30°、60°、90°、120°时,用示波器观察、记
录整流电压Ud和晶闸管两端电压Uvt的波形,并记录电源电压U2和负载电压Ud的数值于下表中。
| α | 30° | 60° | 90° | 120° |
|---|---|---|---|---|
| U2/sqrt(2) | 220 | 220 | 220 | 220 |
| Ud | 0.8397 | 0.6750 | 0.4500 | 0.2250 |
此时ud计算公式:
a = [30 60 90 120];
u2 = 220;
ud = 0.9*u2*(1+cos(a/360*2*pi))/2
实验三完。再做实验的过程中,发现全控整流电路的时候输出只有一相,幸好发现的早,及时改正了,现在应该没有一点错了。
如有不当之处欢迎指正。
下载地址
见目录页的下载地址
返回目录
最后
以上就是忧伤火车最近收集整理的关于simulink电力电子仿真(3)单相桥式全控整流电路simulink电力电子仿真(3)单相桥式全控整流及有源逆变电路的全部内容,更多相关simulink电力电子仿真(3)单相桥式全控整流电路simulink电力电子仿真(3)单相桥式全控整流及有源逆变电路内容请搜索靠谱客的其他文章。
本图文内容来源于网友提供,作为学习参考使用,或来自网络收集整理,版权属于原作者所有。
发表评论 取消回复