目录
- 前言
- 同步复位
- 异步复位
- 异步复位同步释放
- 多时钟域下异步复位同步释放
- 总结
- Reference
前言
电路的任何一个寄存器、存储器结构和其他时序单元都必须附加复位逻辑电路,以保证电路能够从错误状态中恢复、可靠地工作。对于综合实现的真实电路,通过复位使电路进入初始状态或者其他预知状态。复位在数字IC设计中是不可缺少的一部分,故一定要清楚掌握深入理解复位的作用。
同步复位
先看一个简单的同步复位的D触发器,Verilog代码如下:
module Sync_rst (
input clk,
input rst, // Synchronous reset
input [7:0] d,
output reg [7:0] q
);
always@(posedge clk) begin
if (!rst) q <= 8'b0;
else q <= d;
end
endmodule
得到的电路图如下:

同步复位的优点:
-
抗干扰性高,可以剔除复位信号中周期短于时钟周期的毛刺;
-
电路稳定性强。
同步复位缺点:
-
大多数逻辑器件的目标库内的DFF都只有异步复位端口,适用同步复位时,综合器就会在寄存器的数据输入端插入组合逻辑,占用更多的逻辑资源;
-
同步复位依赖于时钟,如果电路中的时钟信号出现问题,无法完成复位。
-
对复位信号的脉冲宽度有要求,必须大于指定的时钟周期,由于线路上的延迟,可能需要多个时钟周期的复位脉冲宽度,且很难保证复位信号到达各个寄存器的时序。
异步复位
先看一个简单的异步复位的D触发器,Verilog代码如下:
module Async_rst (
input clk,
input rst_n, // asynchronous reset
input [7:0] d,
output reg [7:0] q
);
always@(posedge clk or negedge rst_n) begin
if (!rst_n) q <= 8'b0;
else q <= d;
end
endmodule
异步复位的优点:
-
无需额外的逻辑资源,实现简单;
-
复位信号不依赖于时钟。
异步复位缺点:
-
复位信号容易受到外界的干扰,如毛刺等影响;
-
复位信号释放的随机性,可能导致时序违规,倘若复位释放时恰恰在时钟有效沿附近,就很容易使电路处于亚稳态,如下图所示:

异步复位同步释放
先看一个异步复位同步释放的Verilog代码:
module Rst_gen (
input clk,
input rst_async_n,
output reg rst_sync_n
);
reg rst_s1;
always @(posedge clk or negedge rst_async_n) begin
if(!rst_async_n) begin
rst_s1 <= 1'b0;
rst_sync_n <= 1'b0;
end
else begin
rst_s1 <= 1'b1;
rst_sync_n <= rst_s1;
end
end
endmodule
得到的电路图如下:

1、异步复位,同步释放的含义
异步复位:就是复位信号可以直接不受时钟信号影响,在任意时刻只要是低电平就能复位,即复位信号不需要和时钟同步。上图中,当rst_async_n有效时,第一个D触发器的输出是低电平,第二个D触发器的输出rst_sync_n也是低电平,第二个方框中的异步复位端口有效,输出被复位。
同步释放:让复位信号取消的时候,必须跟时钟信号同步,即刚好跟时钟同沿。上图中,假设rst_async_n撤除时发生在clk上升沿,如果不加此电路则可能发生亚稳态事件(有的时候会打三拍)。但是加上此电路以后,假设第一级D触发器clk上升沿时rst_async_n正好撤除,则D触发器1可能输出高电平“1”,也可能输出亚稳态,也可能输出低电平。但此时第二级触发器不会立刻更新输出,第二级触发器输出值为前一级触发器Q1的输出状态。显然Q1之前为低电平,故第二级触发器输出保持复位低电平。直到下一个时钟有效沿到来之后,才随着变为高电平。即实现同步释放。
2、异步复位,同步释放的优点
- 避免复位信号释放的时候造成亚稳态问题
- 只要复位信号一有效,电路就处于复位状态,与时钟沿无关
- 有效捕捉复位,即使是短脉冲复位也不会丢失
- 有明确的复位撤销行为,复位的撤离是同步信号,因此有良好的的撤离时序和足够的恢复时间
- 用两级触发器打两拍的方法解决亚稳态的问题
3、为何代码中第一级触发器的数据端口是1’b1,而不是rst_async_n?
如果是rst_async_n,则生成的电路如图如下:

如果是1’b1,则生成的电路图如下:

显然第二种方法更好,因为本身复位是高扇出信号,第二种方法可以减小复位信号的扇出数,1’b1意思是直接接电源,节省资源,这样可以使电路性能更好。
多时钟域下异步复位同步释放
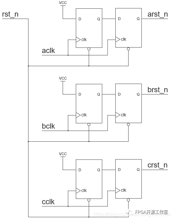
因为异步复位,同步释放中复位释放需要与时钟同步,故不同的时钟域时,有两种办法解决这个问题:
1、非协调的复位撤销
使用每个时钟搭建自己的复位同步器即可,如下图所示:

Verilog代码如下:
module CLOCK_RESET(
input rst_n,
input aclk,
input bclk,
input cclk,
output reg arst_n,
output reg brst_n,
output reg crst_n
);
reg arst_n0,arst_n1;
reg brst_n0,brst_n1;
reg crst_n0,crst_n1;
always @(posedge aclk or negedge rst_n)
if(rst_n==0) begin
arst_n0<=1'b1;
arst_n1<=1'b0;
arst_n<=1'b0;
end
else begin
arst_n<=arst_n1;
arst_n1<=arst_n0;
end
always @(posedge bclk or negedge rst_n)
if(rst_n==0) begin
brst_n0<=1'b1;
brst_n1<=1'b0;
brst_n<=1'b0;
end
else begin
brst_n<=brst_n1;
brst_n1<=brst_n0;
end
always @(posedge cclk or negedge rst_n)
if(rst_n==0) begin
crst_n0<=1'b1;
crst_n1<=1'b0;
crst_n<=1'b0;
end
else begin
crst_n<=crst_n1;
crst_n1<=crst_n0;
end
endmodule
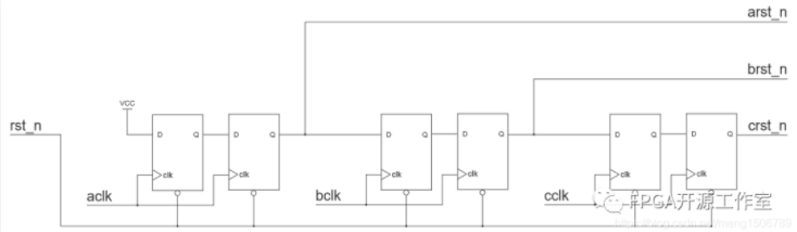
2、 顺序协调的复位撤销
当多个时钟域之间对复位释放的时间有顺序要求时,将复位同步器级联起来就可以构成多个时钟域按顺序的复位释放,如下图所示:

Verilog代码如下:
module CLOCK_RESET(
input rst_n,
input aclk,
input bclk,
input cclk,
output reg arst_n,
output reg brst_n,
output reg crst_n
);
reg arst_n0,arst_n1;
reg brst_n0,brst_n1;
reg crst_n0,crst_n1;
always @(posedge aclk or negedge rst_n)
if(rst_n==0) begin
arst_n0<=1'b1;
arst_n1<=1'b0;
arst_n<=1'b0;
end
else begin
arst_n<=arst_n1;
arst_n1<=arst_n0;
end
always @(posedge bclk or negedge rst_n)
if(rst_n==0) begin
brst_n1<=1'b0;
brst_n<=1'b0;
end
else begin
brst_n<=brst_n1;
brst_n1<=arst_n;
end
always @(posedge cclk or negedge rst_n)
if(rst_n==0) begin
crst_n1<=1'b0;
crst_n<=1'b0;
end
else begin
crst_n<=crst_n1;
crst_n1<=brst_n;
end
endmodule
总结
不同的复位方式有各自的优缺点,但是在工程中,一般都用异步复位的方法,最好是异步复位同步释放的方法。
Reference
https://blog.csdn.net/weixin_42300424/article/details/113411438.
https://cloud.tencent.com/developer/article/1830029.
最后
以上就是糊涂曲奇最近收集整理的关于深入理解复位---同步复位,异步复位,异步复位同步释放(含多时钟域)前言同步复位异步复位异步复位同步释放多时钟域下异步复位同步释放总结Reference的全部内容,更多相关深入理解复位---同步复位内容请搜索靠谱客的其他文章。
发表评论 取消回复