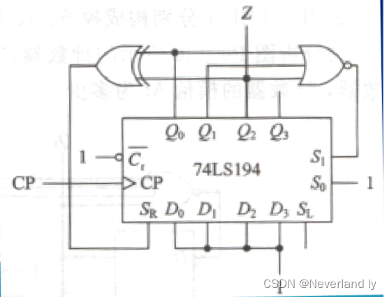
题目:实现图示电路(产生1101001序列码)
详细描述:用VHDL设计194,再用VHDL层次结构设计方法设计程序实现图示电路并仿真,底层器件是194,要求层次化设计,分模块调试

二、底层器件
- 194
- 代码:
LIBRARY IEEE;
USE IEEE.STD_LOGIC_1164.ALL;
USE IEEE.STD_LOGIC_UNSIGNED.ALL;
ENTITY jicunqi IS
PORT(
CR,CP,SL,SR:IN STD_LOGIC;
S0,S1:IN STD_LOGIC;
D:IN STD_LOGIC_VECTOR(3 DOWNTO 0);
Q0,Q1,Q2,Q3:out STD_LOGIC
);
END jicunqi;
ARCHITECTURE behavior OF jicunqi IS
signal M1:STD_LOGIC_VECTOR(3 DOWNTO 0);
BEGIN
PROCESS(CR,CP)
BEGIN
IF CR='0' THEN
M1<="0000";
ELSIF CP'EVENT AND CP ='1' THEN
IF S1='0' AND S0='1' THEN M1<=SR&M1(3 DOWNTO 1);
ELSIF S1='1' AND S0='0' THEN M1<=M1(2 DOWNTO 0)&SL;
ELSIF S1='1' AND S0='1' THEN M1<=D;
END IF;
END IF;
END PROCESS;
Q3<=M1(0);Q2<=M1(1);Q1<=M1(2);Q0<=M1(3);
END BEHAVIOR;
- Flow Summary

2.仿真波形及解释

此波形图是验证194的异步清零和并行置数功能
如图 S1和S0置1,D3为高位D0为低位,Q0为低位,Q3为高位。当CP上升沿到达时,Q3Q2Q1Q0的状态开始改变。
当第一个CP上升沿到达时,CR为0,D3D2D1D0为1111,验证同步置数功能,Q3Q2Q1Q0为1111。
第二个CP上升沿到达时,当CR为1时,实现异步清零,Q3Q2Q1Q0为0000,
第三第四第五个CP重复上述操作。
第六个CP上升沿到达时, D3D2D1D0为0001,Q3Q2Q1Q0为0001
同理可得
D3D2D1D0为0010,Q3Q2Q1Q0为0010
D3D2D1D0为1001,Q3Q2Q1Q0为1001
D3D2D1D0为0011,Q3Q2Q1Q0为0011
D3D2D1D0为0110,Q3Q2Q1Q0为0110
D3D2D1D0为0000,Q3Q2Q1Q0为0000
D3D2D1D0为0100,Q3Q2Q1Q0为0100
D3D2D1D0为0111,Q3Q2Q1Q0为0111

此波形图验证194的右移功能S1为0,S0为1,实现右移功能,如上图所示
当S1置0,S0置1,当SR为1时,随着时钟上升沿的到达,SR进入Q0,并在CP的上升沿进行改变,右移1,Q0Q1Q2Q3从0000状态变成1000,1100,1110,1111,
当SR为0时,右移0,Q0Q1Q2Q3从1111依次变为0111,0011,0001,0000,实现了194的右移功能。

此波形图验证194的左移功能S1为1,S0为0,实现左移功能,如上图所示
当S1置1,S0置0,当SR为1时,随着时钟上升沿的到达,SL进入Q3,并在CP的上升沿进行改变,左移1,Q0Q1Q2Q3从0000状态变成0001,0011,0111,1111,
当SR为0时,左移0,Q0Q1Q2Q3从1111依次变为1110,1100,1000,0000,实现了194的左移功能。

如图 当S1S0全置0时,电路保持原状态
- 二输入异或门
- 代码:
Library IEEE;
USE IEEE.std_logic_1164.all;
ENTITY yihuo IS
PORT(a,b:IN std_logic;
c:OUT std_logic);
END yihuo;
ARCHITECTURE behavior of yihuo is
BEGIN c<=(a and not b)or(not a and b);
END ARCHITECTURE behavior;
- Flow Summary:

2.波形仿真及解释:

此图验证的是异或的逻辑功能
其中,a与b为输入,c为输出
当a为0,b为1时,输出c为1
当a为1,b为0时,输出c为1
当a为1,b为1时,输出c为0
当a为0,b为0是,输出c为0
满足了c=a⊕b=a·b'+a'·b
- 三输入或非门
(1)代码:
Library IEEE;
USE IEEE.std_logic_1164.all;
ENTITY huofei IS
PORT(a,b,c:IN std_logic;
d:OUT std_logic);
END huofei;
ARCHITECTURE behavior of huofei is
BEGIN d<=not(a or b or c);
END ARCHITECTURE behavior;
- Flow Summary:

- 波形仿真及解释:

此图验证的是三输入或非的逻辑功能
其中a,b,c为输入d为输出
由d=not(a+b+c),可以得知当a,b,c中任意一个输入1,其输出都为0,而图中当a、b、c单独为1时,d的输出都为0,当a、b,a、c,b、c,a、b、c都为1时,d也输出0,当且仅当a、b、c都为0时d才输出1。
三、完整电路
- 代码:
LIBRARY IEEE;
USE IEEE.STD_LOGIC_1164.ALL;
USE IEEE.STD_LOGIC_UNSIGNED.ALL;
ENTITY homework IS
PORT(
CP:IN STD_LOGIC;
Z:out STD_LOGIC
);
END homework;
ARCHITECTURE behavior OF homework IS
COMPONENT JICUNQI
PORT(
CR,CP,SL,SR:IN STD_LOGIC;
S0,S1:IN STD_LOGIC;
D:IN STD_LOGIC_VECTOR(3 DOWNTO 0);
Q0,Q1,Q2,Q3:out STD_LOGIC
);
END COMPONENT jicunqi;
COMPONENT YIHUO
PORT(a,b:IN std_logic;
c:OUT std_logic);
END COMPONENT YIHUO;
COMPONENT HUOFEI
PORT(a,b,c:IN std_logic;
d:OUT std_logic);
END COMPONENT HUOFEI;
signal E,F,G,H,J:STD_LOGIC;
BEGIN
U1: jicunqi PORT MAP(Q2=>G,S0=>'1',D=>"1111",CP=>CP,CR=>'1',Q0=>E,Q1=>F,S1=>J,SR=>H,SL=>'1');
U2: yihuo PORT MAP(A=>E,B=>G,C=>H);
U3:huofei PORT MAP(A=>E,B=>F,C=>G,D=>J);
Z<=G;
END BEHAVIOR;
- Flow Summary:

- 波形仿真及其解释:
仿真波形输出截图:

所设计的电路为一个右移的反馈型序列信号发生器,CP为时钟信号,Z为输出
电路的态序表如下:

初始输入状态为1111,当CP上升沿到达时,74LS194开始进行移位操作,电路依次输出1101001
最后
以上就是迷你月饼最近收集整理的关于VHDL语言序列信号发生器的实现的全部内容,更多相关VHDL语言序列信号发生器内容请搜索靠谱客的其他文章。
发表评论 取消回复