同步时序逻辑电路
- 一.基本概念
- 【1】结构
- 【2】特点
- 【3】时序逻辑电路的分类
- 1. 按照存储电路中触发器的动作特点不同
- 2. 按照输出信号的特点
- 3.按电路的输入信号的形式
- 【4】同步时序逻辑电路的描述方法
- 1.逻辑函数表达式
- 2.状态转换表、状态转换图和时序图。
- 【5】时序逻辑电路分析的方法和步骤
- 【6】实例分析
一.基本概念
【1】结构
有组合电路和储存两部分组合,通过反馈回路将两部分连在一起
【2】特点
- 由组合电路和储存电路组合,具有对过去输入进行记忆的功能
- 电路中包含反馈回路,通过反馈使电路功能与“时序”相关
- 电路的输出由电路当时的输入和状态(对过去输入的记忆)同时决定
【3】时序逻辑电路的分类
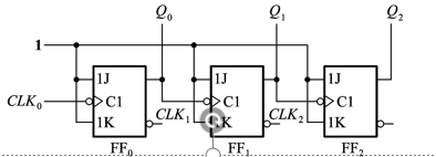
1. 按照存储电路中触发器的动作特点不同
(按电路的工作方式分类)可分为:同步时序电路和异步时序电路。
(1)所有触发器的动作受同一时钟信号控制:==同步时序逻辑电路=

同步:电路状态仅在统一的信号脉冲控制下才能同时变化一次。如果CP没来,输入信号的变化可能影响输出,但绝不影响电路状态。对脉冲的宽度和频率有一定的要求。
(2)所有触发器的动作不受同一时钟信号控制:异步时序逻辑电路

异步:任何输入信号的变化都可能引起异步时序电路状态的变化。
2. 按照输出信号的特点
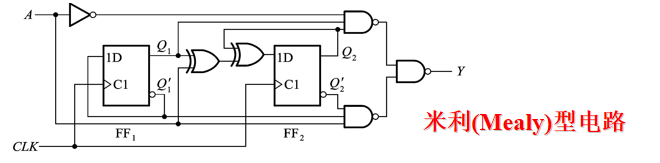
- 按照输出信号的特点(电路的输出变量的依从关系),分为米利(Mealy)型和穆尔(Moore)型两种。
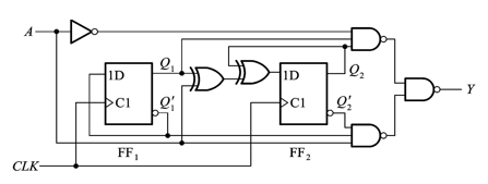
(1)米利(Mealy)型电路中,输出信号不仅取决于存储电路的状态,而且还取决于输入变量;

Mealy型:输出是输入变量及现态的函数。

(2)穆尔(Moore)型电路中,输出信号仅取决于存储电路的状态

Moore型:输出仅与电路的现态有关。

3.按电路的输入信号的形式
电平型、脉冲型
【4】同步时序逻辑电路的描述方法
1.逻辑函数表达式
输出函数表达式、激励函数表达式、次态函数表达式
2.状态转换表、状态转换图和时序图。
【5】时序逻辑电路分析的方法和步骤
(1)看清电路,写出方程
(2)列出状态真值表
(3)做出状态表、状态图
(4)功能描述:文字描述或时序图
(5)检查能否自启动
自启动(自校正)能力:指当电源合上后,无论电路处于何种状态,均能自动进入有效计数循环。否则称无自启动能力。
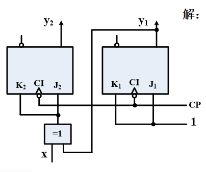
【6】实例分析

(1)看清电路,写出方程

推导过程
(2)状态真值表


(3)状态表、状态转换图


最后
以上就是轻松老师最近收集整理的关于大二数字逻辑(第五章,同步时序逻辑电路)一.基本概念的全部内容,更多相关大二数字逻辑(第五章,同步时序逻辑电路)一内容请搜索靠谱客的其他文章。
本图文内容来源于网友提供,作为学习参考使用,或来自网络收集整理,版权属于原作者所有。
发表评论 取消回复