一、设计思路:
1.复位开关:
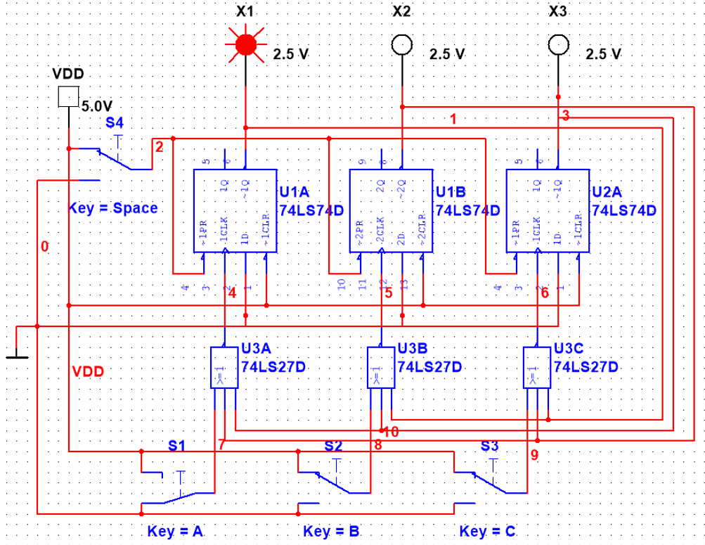
复位键(s4)按下后,各触发器preset = 0, clear = 1,触发器均被置为“1状态”,此时三盏灯均熄灭。之后松开复位键开始抢答。
2.抢答按钮:
三人的抢答按钮(s1, s2, s3)均置于高电平,当按下抢答按键后,电位变为低电平,经过与非门电路后产生下降沿并输入至对应触发器中。
3.寄存器状态:
寄存器D端均为0电位,当CP端接收到下降沿信号时,触发器被置为“0状态”,此时Q非端输出高电平,点亮探针。
4.反馈系统:
当一方抢答成功后,需将其余两个触发器锁死。将另外两触发器Q非端接入第三个触发器CP端前的与非门,当另外两触发器有一个发生状态改变时,该与非门收到高电平信号,于是即便抢答按钮被摁下,也无法产生下降沿信号,该触发器被锁死。
二、电路图

若用JK触发器设计三人抢答电路,电路图详见博客:三人抢答(JK触发器)
最后
以上就是魔幻奇迹最近收集整理的关于电子电路设计——三人抢答电路(D触发器版)一、设计思路:二、电路图的全部内容,更多相关电子电路设计——三人抢答电路(D触发器版)一、设计思路内容请搜索靠谱客的其他文章。
本图文内容来源于网友提供,作为学习参考使用,或来自网络收集整理,版权属于原作者所有。
发表评论 取消回复