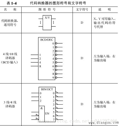
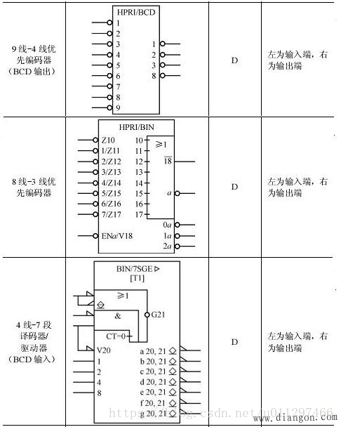
今天老师突然问了一下数字逻辑的题目,大一的时候学的,发现忘记的差不过了,补充一波。












最后
以上就是老迟到薯片最近收集整理的关于数字电路逻辑符号和逻辑图形符号的全部内容,更多相关数字电路逻辑符号和逻辑图形符号内容请搜索靠谱客的其他文章。
本图文内容来源于网友提供,作为学习参考使用,或来自网络收集整理,版权属于原作者所有。
今天老师突然问了一下数字逻辑的题目,大一的时候学的,发现忘记的差不过了,补充一波。












以上就是老迟到薯片最近收集整理的关于数字电路逻辑符号和逻辑图形符号的全部内容,更多相关数字电路逻辑符号和逻辑图形符号内容请搜索靠谱客的其他文章。
发表评论 取消回复