真的是书到用时方恨少!几个月前,毕业的时候大把的书被按斤卖掉,现在想找一本数电书再复习一下触发器都变得难,又不舍得买。。。。今天遇到一个解码编码器的触发器鉴相电路,看到D触发器一下蒙了,似乎懂,但又不懂的样子,还没找到数电书,网上搜了搜,又找出几年前数电的课件看了看,还是简单总结一下。
要了解D触发器,首先要了解RS触发器和同步RS触发器这些,So.....一步一步来
目录
RS触发器
或非门组成的RS触发器
与非门组成的RS触发器
同步RS触发器
D触发器
电平触发的D触发器
边沿触发的D触发器
D触发器设计的编码器解码电路
常见的D触发器芯片型号(74系列)
RS触发器
RS触发器(又称SR锁存器)可以由与非门组成,也可以由或非门组成。
或非门组成的RS触发器
下图是由或非门组成的RS触发器。
R是Reset的意思,是直接复位端(置0),高电平有效。
S是Set的意思,是直接置位端(置1),高电平有效。


当S、R都为0的时候,由Q上的状态决定(保持不变)。
当S=0、R=1的时候,无论触发器原先出于什么状态,Q=0,Q’=1,触发器处于“0态”。触发器的状态是由R决定的,称R为直接复位端。
当S=1、R=0的时候,无论触发器原先出于什么状态,Q’=0,Q=1,触发器处于“1态”。触发器的状态是由S决定的,称S为直接置位端。
或非门组成的RS触发器不允许出现SR同时为0的状态。
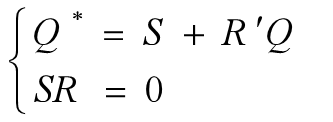
功能表如下(Q表示当前状态,Q*表示次态)

特征方程如下(注意SR=0这个约束条件)

与非门组成的RS触发器
下图是由与非门组成的RS触发器

R'和S'也分别是直接复位/置位端,均为低电平有效。
工作原理:
S‘=1、R’=1时,触发器维持原来状态不变。
S‘=0、R’=1时,无论触发器d原来处于何种状态,由于S=0,则Q=1,触发器处于“1”态(或称置位状态)。触发器的状态是由S所决定的,称S为直接置位端。
S‘=1,R’=0时,无论触发器原来处于何种状态,由于R=0,则Q=0,触发器处于“0”态(或称复位状态)。触发器的状态是由R所决定的,称R为直接复位端。
S‘=0,R’=0时,无法确定触发器的状态。与非门组成的触发器不允许出现这样的状态。
功能表如下(Q表示当前状态,Q*表示次态)

RS的特征方程相同,只是注意R、S和R’、S’的关系即可。(R’=表示R的非,S同理)

约束方程也可以写为S‘+R’=1。
同步RS触发器
所谓同步是指时钟同步(受时钟控制),同步RS触发器根据时钟脉冲时序改变输出状态。当输入端(S、R)状态发生变化,只有时钟信号输入端有方波信号时,同步RS触发器状态才会发生改变。同步RS触发器有两部分组成:输入控制门和RS触发器。
下图这个是电平触发方式的RS同步触发器(以时钟的电平为触发信号)。

下面这个是带有异步复位/置位的同步RS触发器

在CLK=0期间,G3、G4倍封锁,G1、G2的输入端均为1,触发器保持不变。
在CLK=1期间,触发器导通,工作原理和前面一样,同样遵守约束条件SR=0。
只有当CLK变为有效电平时,触发器才能接受输入信号,并按照输入信号将触发器的输出置成相应状态。在CLK=1的全部时间里,S和R的变化都将引起触发器输出端的状态变化。
D触发器
电平触发的D触发器
在电平触发的同步RS触发器的基础上,优化约束条件,把S和R通过一个非门建立约束,就构成了电平触发的D触发器。


特征方程
Q*=D
功能表

D触发器没有约束问题,在CLK=1期间输出状态跟随输入的状态变化,下降沿到来时保持下降沿瞬间的D值。
边沿触发的D触发器
为了提高可靠性,增强抗干扰能力,我们希望触发器的次态仅取决于CLK的上升沿(或下降沿)到来时的输入信号状态,与在此前、后输入的状态没有关系。
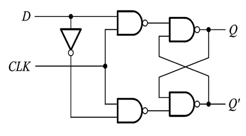
下图是由两个电平触发的D触发器组成的边沿触发器


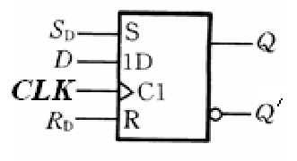
带异步置位的边沿触发D触发器

边沿触发器有效地提高了触发器的抗干扰能力,因而也提高了电路的工作可靠性。实际电路基本都是边沿触发的方式!
D触发器设计的编码器解码电路
编码器输出信号为AB两路,相差为90度,通过查询编码器的脉冲频率就可以判断速度,通过判断脉冲的相差就可以判断方向。以下图为例,如果以其中一路(B路)作为边沿触发的D触发器的时钟信号,那么在时钟信号的上升沿的时候:
如果此时是CW方向,那么A路总是高电平,也就是触发器的输出端将会一直是高电平。
如果此时是CCW方向,那么A路总是低电平,也就是触发器的输出端将会一直是低电平。

这样,就可以将编码其信号的方向鉴别出来,以高低电平的方式输出。
典型的电路如下图所示(连接J4和J6;断开J2和J7):

如果有主控的话,使用同样的方法可以在软件中鉴相解码,这样还少了硬件成本。这里有一个参考例子《STM32-编码器的软件解码》
常见的D触发器芯片型号(74系列)
74HC74 74LS90 双D触发器74LS74
74LS364八D触发器(三态)
7474、74 H74、74F74、74ALS74、74L74、74LS74A、74S74、74HC73、74C74双D型正沿触发器(带预置和清除端)
74174、74LS174、74F174、74ALS174、74S174、74HC174、74C174 六D型触发器(带清除端)
74175、74LS175、74F175、74ALS175、74S175、74HC175、74C175 四D型触发器(带清除端)
74273、74LS273、74S273、74F273、74ALS273、74HC273 八D型触发器(带清除端)
74LS364 八D触发器(三态)
74LS377、74F377、74S3777 八D 触发器
74LS378、74F378、74S378、74HC378 六D 触发器
74LS379、74F379、74S379、74HC379八D 触发器
参考:百度知道
主要D触发器型号
最后
以上就是现实未来最近收集整理的关于数字电路-D触发器详解及其在编码器解码电路中的应用RS触发器同步RS触发器D触发器D触发器设计的编码器解码电路常见的D触发器芯片型号(74系列)的全部内容,更多相关数字电路-D触发器详解及其在编码器解码电路中内容请搜索靠谱客的其他文章。
发表评论 取消回复