- 实验目的
- 掌握二进制计数器的工作原理。
- 能使用verilog设计计数器。
3、进一步熟悉QUARTUSII软件的使用方法和verilog输入方式
- 实验原理与内容
- 实验原理
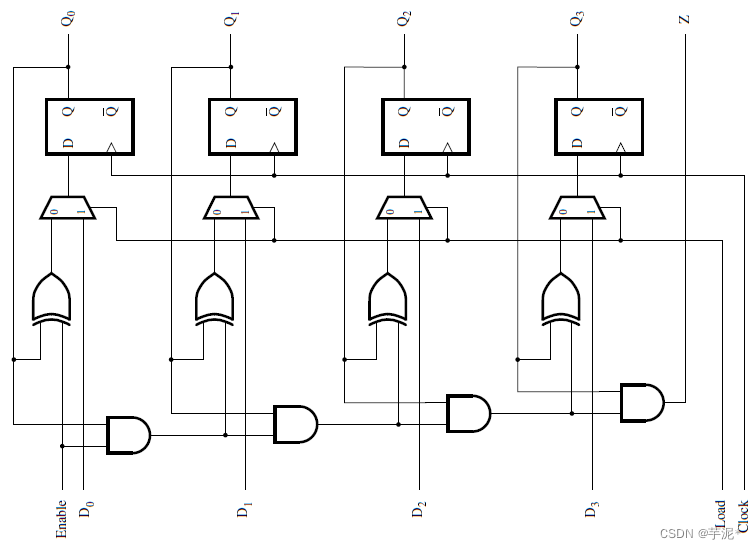
二进制计数器中应用最多、功能最全的计数器之一,是含异步清零和同步使能的具有并行载入功能的加/减法计数器。其具体工作过程如下:
复位信号有效(低电平有效)时,计数值清零。并行载入控制信号有效时,并行数据输入端的数据存入计数器中。使能信号有效时,根据加减法控制信号来进行加法或者减法计数。具有并行载入数据功能的4位加法计数器原理图如图所示。请参考该图,设计具有异步复位和加/减法功能的计数器。

2.实验内容
本实验要求完成的任务是使用verilog和Quartus II,设计一个4位2进制计数器,并在可编程逻辑器件中实现。在时钟信号的作用下,通过加减控制信号、使能端、并行载入控制信号和复位信号来控制完成加/减法计数和并行载入数据的功能。实验中时钟信号使用数字时钟源模块的1HZ信号,用一位拨动开关K1表示使能端信号,用一位拨动开关K2表示加减控制信号,用一位拨动开关K3表示并行载入数据控制信号,用拨动开关K4~K7表示4位并行载入数据,用复位开关S1表示复位信号,用LED模块的LED1~LED4来表示4位计数器的二进制计数值,用LED12表示加/减法计数时的进位/借位信号。实验LED亮表示对应的位为‘1’,LED灭表示对应的位为‘0’。通过输入不同的值实现计数器的工作时序,观察计数的结果。
数字时钟信号模块的电路原理如图所示,

下表是其时钟输出与FPGA的管脚连接表。
| 信号名称 | 对应FPGA管脚名 | 说明 |
| DIGITAL-CLK | K7 | 数字时钟信号送至FPGA的K7 |
按键开关模块的电路原理如下图所示,下表是按键开关的输出与FPGA的管脚连接表。

| 信号名称 | FPGA I/O名称 | 核心板接口管脚号 | 功能说明 |
| S[0] | Pin_B12 | JP1_79 | ‘S1’ Switch |
| S[1] | Pin_B11 | JP1_77 | ‘S2’ Switch |
| S[2] | Pin_V4 | JP3_56 | ‘S3’ Switch |
| S[3] | Pin_T4 | JP3_52 | ‘S4’ Switch |
| S[4] | Pin_P3 | JP3_48 | ‘S5’ Switch |
| S[5] | Pin_AB11 | JP3_40 | ‘S6’ Switch |
| S[6] | Pin_A12 | JP3_78 | ‘S7’ Switch |
| S[7] | Pin_A11 | JP3_76 | ‘S8’ Switch |
| S[8] | Pin_V5 | JP1_55 | ‘S9’ Switch |
| S[9] | Pin_T3 | JP1_51 | ‘S10’ Switch |
| S[10] | Pin_AA12 | JP3_43 | ‘S11’ Switch |
| S[11] | Pin_T1 | JP3_11 | ‘S12’ Switch |
三.实验过程
1.打开QUARTUSII软件,新建一个名为exp2的工程
2.建完工程之后,再新建一个verilog文件,打开verilog编辑器对话框编写verilog程序如下:
module exp2(R,Resetn,Clk,Load,En,up_down,Count,Q);
/*
* 说明:
* R 输入向量 提供并行数据
* Resetn 复位输入
* Clock 时钟信号
* Load Load==0(计数模式) Load==1(加载模式)
* En 使能输入端
* up_down 用于识别计数器执行加/减运算
* Q 输出向量
* Count 进位/借位信号
*/
input [3:0]R;
input Resetn,Clk,Load,En,up_down;
output reg [3:0]Q;
output reg Count;
reg Clock_1hz; //1Hz分频新信号
reg [26:0]Counter; //计数器用于分频时计数
//实现50MHz到1Hz分频操作,产生频率为1Hz的时钟信号
always @(posedge Clk)
begin
if(Counter == 'd25000000)
begin
Clock_1hz <= ~Clock_1hz;
Counter <= 0;
end
else
Counter <= Counter + 1;
end
//主程序部分,实现键控加法减法计数、并行载入数据、进位/借位输出
always @(negedge Resetn,posedge Clock_1hz)
begin
if(Resetn == 0)
begin
Q <= 0;
Count<=0;
end
else if(Load)
Q <= R;
else if(En)
begin
Q <= Q + (up_down ? 1 : -1);
if(up_down)
Count = (Q[3]&Q[2]&Q[1]&Q[0]);
else
Count = (!(Q[3]|Q[2]|Q[1]|Q[0]));
end
end
endmodule
3.对编写的verilog程序进行编译并仿真,对程序的错误进行修改。
波形图如下:

4.编译仿真无误后,依照拨动开关、LED与FPGA的管脚连接表或参照实验箱用户手册进行管脚分配,分配完成后,再进行全编译一次,以使管脚分配生效,管脚分配图如下:

实验结果:
不拨动开关,即K7 K6 K5 K4表示D3 D2 D1 D0为0000;
拨动开关K4,即K7 K6 K5 K4表示D3 D2 D1 D0为0001;
拨动开关K5,即K7 K6 K5 K4表示D3 D2 D1 D0为0010;
拨动开关K5K4,即K7 K6 K5 K4表示D3 D2 D1 D0为0011;
拨动开关K6,即K7 K6 K5 K4表示D3 D2 D1 D0为0100;
拨动开关K6K4,即K7 K6 K5 K4表示D3 D2 D1 D0为0101;
拨动开关K6K5,即K7 K6 K5 K4表示D3 D2 D1 D0为0110;
拨动开关K6K5K4,即K7 K6 K5 K4表示D3 D2 D1 D0为0111;
拨动开关K7,即K7 K6 K5 K4表示D3 D2 D1 D0为1000;


拨动开关K1,使得CLK信号为1,计数器开始工作,前四个LED灯通过8421码计数0000,0001,0010,0011,0100,0101,0110,0111,1000并通过显示屏显示出数字,可以通过开关K2设置递增计数与递减计数,通过LOAD端表示存入一个数并从此数开始计数,通过Reset端进行复位清零,达到所需功能。
四、实验总结
本实验最重要的是设计到复位清零端进行复位清零,对于递增计数与递减计数的设置需要清除verilog代码编写上的问题,设置Load端控制存入所需数字时高位低位互相对应,否则会产生一些不必要的问题,造成一些麻烦,在进行管脚分配的时候也要一一对应。
最后
以上就是香蕉柠檬最近收集整理的关于verilog:含异步清零和同步使能的加/减法计数器的全部内容,更多相关verilog:含异步清零和同步使能内容请搜索靠谱客的其他文章。
发表评论 取消回复