EDA技术题库
目录
EDA技术题库
一.填空题
二. 简述题
三、 选择题
四、 计算题(更全的,就看实验5678)
一.填空题
1. Verilog的基本设计单元是模块。它是由两部分组成,一部分描述接口;另一部分描述逻辑功能,即定义输入是如何影响输出的。
- 用assign描述的语句我们一般称之为组合逻辑,并且它们是属于并行语句,即于语句的书写次序无关。而用always描述的语句我们一般称之为组合逻辑或时序逻辑,并且它们是属于串行语句,即于语句的书写有关。
- 在case语句中至少要有一条default语句。
- 已知x=4’b1001,y=4’0110,则x的4位补码为4’b1111,而y的4位的补码为4’b0110 。
- 两个进程之间是并行语句。而在Always中的语句则是顺序语句。
- 综合是将高层次上描述的电子系统转换为低层次上描述的电子系统,以便于系统的具体硬件实现 。综合器是能自动将高层次的表述(系统级、行为级)转化为低层次的表述(门级、结构级)的计算机程序。
- 设计输入的方式有原理图、硬件描述语言、状态图以及波形图。
- IP核是知识产权核或知识产权模块,在EDA技术中具有十分重要的地位。半导体产业的IP定义为用于ASIC或FPGA中的预先设计好的电路功能模块。IP分为软IP、固IP和硬IP。
- Verilog中常用有两种变量:寄存器型变量(用reg定义)、网线型变量(用wire定义)。
- 两种可编程逻辑结构是基于与-或阵列可编程结构(乘积项逻辑可编程结构)、基于SRAM查找表的可编程逻辑结构。
- Verilog的端口模式有三种:输入端口、输出端口、双向端口,对应的端口定义关键词分别是:input、output、inout。
- Verilog中常用有两种变量:寄存器型变量(用reg定义)、网线型变量(用wire定义) 。
- Verilog有两种赋值方式:阻塞式赋值(=)、非阻塞式赋值(<=) 。
- Verilog有四种循环语句:for语句、repeat语句、while语句、forever语句。
- Verilog的描述风格:RTL描述 、数据流描述、行为描述、结构描述。
- 从状态机的信号输出方式上分,有Mealy型和Moore型两种状态机;从状态机的描述结构上分,有单过程状态机和多过程状态机;从状态机表达方式上分,有符号化状态机和确定状态编码的状态机;从状态机编码方式上分,有顺序编码状态机、一位热码编码状态机或其他编码方式状态机。
- 四种简单逻辑器件:PROM中固定的与阵列,可编程或阵列;PLA是与阵列、或阵列都可编程;PAL中或阵列固定,与阵列可编程;GAL是或阵列、与阵列都可编程,输入部分增加了输出逻辑同单元(OLMC)。
- 某一纯组合电路输入为in1,in2和in3,输入出为out,则该电路描述中always的事件表达式应写为always@(in1,in2,in3 );若某一时序电路由时钟clk信号上升沿触发,同步高电平复位信号rst清零,该电路描述中always的事件表达是应该写为always @( posedge clk )。
if(a) out1<=int1;
else out1<=int2;
当a= 1;执行out1<=int1;
当a= 0;执行out1<=int2。
- 4’b1001<<2= 4’b0100,4’ b1001>>2= 4’b0010。
- 下面程序中语句5、6、7、11是并行执行,语句9、10是顺序执行:
1 module M(……);
2 input ……. ;
3 output ……;
4 reg a,b……;
5 always@(……..)
6 assign f=c&d;
7 always@(……..)
8 begin
9 a=…….;
10 b=…….;
end
11 mux mux1(out,in0,in1);
Endmodule
- 用EDA技术进行电子系统设计的目标是最终完成ASIC的设计与实现。
- 可编程器件分为CPLD和FPGA。
- 随着EDA技术的不断完善与成熟,自顶向下的设计方法更多的被应用于Verilog HDL设计当中。
- 目前国际上较大的PLD器件制造公司有ALtera和Xilinx公司。
- 完整的条件语句将产生组合电路,不完整的条件语句将产生时序电路。
- 阻塞性赋值符号为 = ,非阻塞性赋值符号为 <= 。
- 有限状态机分为Moore和Mealy两种类型。
- EDA缩写的含义为电子设计自动化(Electronic Design Automation)。
- 状态机常用状态编码有二进制、格雷码和独热码。
- Verilog HDL中任务可以调用其他任务和函数。
- 系统函数和任务函数的首字符标志为 $ ,预编译指令首字符标志为 # 。
- 可编程逻辑器件的优化过程主要是对速度和资源的处理过程。
- 大型数字逻辑电路设计采用的IP核有软IP、固IP和硬IP。
- 操作符有 9 种类型,其中三目操作符有 2 个操作符和 3 个操作数。
- 关键字全是 小写 ,标识符的首字符必须是 字母 或 下划线 。
- 数字A=5’b011?的?表示 z 。设B=5’b101x1,C=5’b01x11,则操作运算F=B+C的结果F= 5'bxxxxx 。
- Verilog HDL中保存字符串“Hello”需要 40 位。
- 声明reg [7:0]data[4:0]表示 5 个 8 位的存储单元。
module test(q,clk,crt);
output q;
reg q;
input clk,crt;
always @(posedge clk)
begin
if(crt==1)
q=~q;
end
Endmodule
- 数据流建模的主要语法结构是assign LHS_target = RHS_expression; 语句,采用 assign 关键字开始。
- 大型数字逻辑电路设计采用的IP核有 软IP、固IP和硬IP。
- 简述题
- 简述自顶向下的设计方法I
答:①从自然语言说明到HDL的系统行为描述;②从HDL的系统行为描述到RTL描述;③从RTL描述到逻辑门级描述;④从门级描述到最终可以物理布线实现的底层电路;(以上可以理解成是逐步综合的过程。)⑤后期设计还包括涉及硬件实现和测试。
- 简述 EDA的设计流程
答:①图形输入:a.原理图b.硬件描述语言c.状态图d.波形图;②HDL文本输入﹔③综合;④适配;功能仿真与时序仿真;⑥编程下载;⑦硬件测试
- 简述什么是元件例化
答:元件例化就是引入一种连接关系,将预先设计好的元件,与当前设计模块中的指定端口相连接,从而构成层次化的设计方式。元件例化可以是多层次的,一个调用了较低层次元件的设计模块,也可以被更高层次的设计模块调用,成为高层次设计模块中的一个元件。被例化的元件可以以不同的形式出现,可以是Verilog,设计文件,可以是FPGA元件库中的元件,或者是以别的硬件描述语言设计的元件,还可以是IP核。
- 简要说明仿真时阻塞赋值与非阻塞赋值的区别
非阻塞(non-blocking)赋值方式( b<= a):
b的值被赋成新值a的操作,并不是立刻完成的,而是在块结束时才完成;块内的多条赋值语句在块结束时同时赋值;硬件有对应的电路。
阻塞(blocking)赋值方式( b = a):
b 的值立刻被赋成新值a;完成该赋值语句后才能执行下一句的操作;硬件没有对应的电路,因而综合结果未知。阻塞赋值是在该语句结束是立即完成赋值操作;非阻塞赋值是在整个过程块结束是才完成赋值操作。
- 简述if语句的几种主要结构
答:①if(条件表达式)
begin 语句块; end
②if(条件表达式)
begin语句块1; end
else begin 语句块2; end
③if(条件表达式1)
begin 语句块1; end
else if(条件表达式2)begin语句块2;
end …
else if(条件表达式n)
begin 语句块n; end
else begin 语句块n+1; end
- 简述Moore型和Mealy型状态机的区别-
答:Mealy型状态机的输出是当前状态和所有输入信号的函数,它的输出是在输入变化后立即发生的,不依赖时钟的同步。Moore型状态机的输出则仅为当前状态的函数,这类状态机在输入发生变化时还必须等待时钟的到来,时钟状态发生变化时才导致输出的变化,所以比 Mealy机要多等待一个时钟周期。
- 画出下面程序段中r(reg型)的仿真波形(6分)
fork
# 20 r=1’ b0 ;
# 10 r=1’ b1;
# 15 r=1’ b1;
# 25 r=1’ b1;
# 5 r=1’ b0;
Join

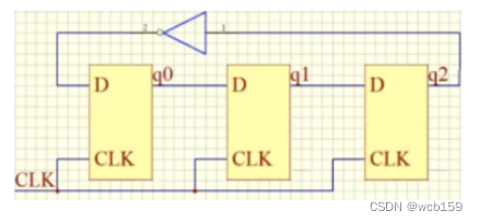
- 画出下面程序综合出来的电路图。(7分)
always@(posedge clk)
begin
q0<=~q2;
q1<= q0;
q2<= q1;
End

- HA模块程序如下,写出引用HA模块描述FA模块的Verilog,程序。(7分)
module HA(A,B,S,C) ;
inputA,B;
output S, C;
assign {C,S}=A+B;
endmodule

module FA(A,B,Ci,Co,S);
input A,B,Ci ;
output Co,S;
wire S1,C1,C2;
HA a(A,B,S1,C1);
HA b(S1,Ci,C2,S);
assign Co=C1 | C2 ;
endmodule
- 写出下面程序中变量x,y,cnt,m,q的类型
Assgin x=y ;
always@(posegde clk)
begin
cnt=m+1;
q=~q;
end

- 定义如下的变量和常趣:
(1)定义一个名为count 的整数;(integer count>
(2)定义一个名为ABUS的8位wire总线;(wire [7:0] ABUS)
(3)定义一个名为address 的16位reg型变量,并将该变量的值赋为十进制数128;(reg[15:0] address address = 16'd128)
(4)定义参数Delay_time,参数值为8;(parameter Delay_time = 8)
(5)定义一个名为 DELAY的时间变量;(没讲过)
(6)定义一个32位的寄存器MYREG;(reg [31:0] MYREG;)
(7)定义一个容量为128,字长为32位的存储器MYMEM,(reg [31:0] MYMEM [127:0])
- 下列标识符哪些是合法的,哪些是错误的?
Cout(y),8sum(n),a*b(y),data(y),wait(y), initial(n),$1atch(n)
答:
合法的:Cout(y),wait(y),initial(n),$1atch(n)
错误的:8sum(n),a*b(y),data(y)
- 下列数字的表示是否正确?
6'd18(y),'Bx0(y),5' b0x110(y),'da30(n),10’d2(y),'hzF(y)
答:
合法的:'Bx0(y),'da30(n),'hzF(y)
错误的:6'd18(y),5' b0x110(y),10’d2(y)
- 简述有限状态机FSM分为哪两类﹖有何区别?有限状态机的状态编码风格主要有哪三种?
答:根据内部结构不同可分为摩尔型状态机和米里型状态机两种。摩尔型状态机的输出只由当前状态决定,而次态由输入和现态共同决定;米里型状态机的输出由输入和现态共同决定,而次态也由输入和现态决定。
状态编码主要有三种:连续二进制编码、格雷码和独热码。
- 简述基于数字系统设计流程包括哪些步骤?
答:包括五个步骤:
(1)、设计输入:将设计的结构和功能通过原理图或硬件描述语言进行设计或编程,进行语法或逻辑检查,通过表示输入完成,否则反复检查直到无任何错误。
2)、逻辑综合:将较高层的设计描述自动转化为较低层次描述的过程,包括行为综合,逻辑综合和版图综合或结构综合,最后生成电路逻辑网表的过程。
(3、布局布线:将综合生成的电路网表映射到具体的目标器件中,并产生最终可下载文件的过程。
(4)、仿真:就是按照逻辑功能的算法和仿真库对设计进行模拟,以验证设计并排除错误的过程,包括功能仿真和时序仿真。
(5)、编程配置:将适配后生成的编程文件装入到PLD器件的过程,根据不同器件实现编程或配置。
- 程序注解,并说明整个程序完成的功能。
module AAA ( a ,b ); //定义模块名为AAA,端口为a,b
output a ; //定义a为输出端口
input [6:0] b; //定义b为输出端口,b为7为二进制数
reg[2:0] sum; //sum为reg型变量,用以统计赞同的人数
integer i; //定义整型变量,i为循环控制变量
reg a; //定义a为寄存器变量
always @(b) //过程语句,敏感变量为b
begin //语句块
sum= 0; //sum初始值为0
for(i = 0;i<=6;i = i+1) //for语句,统计b为1的个数
if(b[i]) //条件语句
sum=sum+1; //只要有人投赞成票,则sum加1
if(sum[2]) a=1; //若超过4人则表决通过
else a=0 //若不到4人则不通过
- 选择题
- 已知“a=1b’1;b=3b'001;”那么{a,b}= ( C )
(A) 4b'0011
(B) 3b'001
(C) 4b'1001
(D) 3b'101
- 在verilog.中,下列语句哪个不是分支语句? ( D )
(A) if-else
(B) case
(C) casez
(D) repeat
- 在verilog.语言中,a=4b'1011. 那么&a= (D )
(A) 4b'1011
(B) 4b1111
(C) 1b'1
(D) 1b'0
- 在verilog.语言中整型数据与(C )位寄存器数据在实际意义上是相同的。
(A) 8
- 16
- 32
- 64
- 大规模可编程器件主要有FPGA、CPLD 两类,下列对FPGA结构与工作原理的描述中正确的是(C)
A. FPGA全称为复杂可编程逻辑器件;
B. FPGA是基于乘积项结构的可编程逻辑器件;
C.基于SRAM的FPGA器件,在每次上电后必须进行-次配置;
D.在Altera公司生产的器件中,MAX7000 系列属FPGA结构。
- 子系统设计优化,主要考虑提高资源利用率减少功耗(即面积优化),以及提高运行速度(即速度优化);指出下列哪些方法是面积优化(B)
①流⽔线设计②资源共享③逻辑优化④串⾏化⑤寄存器配平⑥关键路径法
- ①③⑤
- ②③④
- ②⑤⑥
- ①④⑥
- 下列标识符中, A 是不合法的标识符。
A. 9moon
B. State0
C. Not_ Ack 0
D,signall
- 下列语句中,不属于并行语句的是:(D)
A. 过程语句
B. asgn语句
C. 元件例化语句
D. case 语句
- P,Q,R都是4bit的输入矢量, 下面哪一种表达形式是正确的 5)
1) input P[3:0],Q,R:
2) input P, Q,R[3:0];
3) input P[3:0], Q[3:0], R[3;0]:]
4) input [3:0] P, [3:0]Q, [0:3]R;
5) input [3:0] P,Q,R;
- 下列标示符哪些是合法的(B)
A、 Stime
B、 ._date
C、 8sum
D、 mux#
- 如果线网类型变量说明后未赋值,起缺省值是(D)
A、x
B、1
C、0
D、Z
- 现网中的值被解释为无符号数。在连续赋值语句中assign addr3:0];3;addr被赋与的值是(A)
A、4' b1101
B、4' b0011
C、4' bxox11
D、4' bzz11
- reg[7:0] memal255:0]正确的赋值是(A)
A、 mema151=3’do.
B、 8’d0:
- 1’b1:
- mema[51[3:01=4’d
- 在code模块中参数定义如下,请问top模块中d1模块delay1、 delay2 的值是(D)
module code(x,v);
module top;
paramee delay1= 1,delay2=1;
........
code #(1,5) d1(x1,V1);
endmodule
Endmodule
- (1,1)
- (5,5)
- (5,1)
- (1,5)
- "a=4' b11001,be4' bx110 "选出正确的运算结果(B)
- a&b=O
- a&&b=1
- b&a=x
- b&&a=x
- 时间尺度定义为timescale 10ns/100ps.选择正确答案( C)
- 时间精度10ns
- 时间单位100ps
- 时间精度100ps
- 时间精度不确定
- 若a=9,执行Sdisplay( “current value=%0b,a=%0d" ,a,a)正确显示为(B )
A、current value= 1001,a=09
B、current vale= 1001,a=9
C、1001,9
D、current vl00..10001,a=9
- aways begin #5 clk=0; #10 clk-~ck;end产生的波形(A)
A、 占空比1/3
B、 dk=1
C、 dk≈0
D、 周期为10
- 在Verilog.中定义了宏名'define sum atb+c下面宏名引用正确的是( A)
A、 out='sum+d;
B、 out-sum+d;
C、 out=' sum+d;
D、 都正确
- 下面哪个是可以用verilog语言进行描述,而不能用VHDL语言进行描述的级别? (A )
(A) 开关级
(B) 门电路级
(C) 体系结构级
(D) 寄存器传输级
- 在verilog.中,下列语句哪个不是分支语句? ( D )
(A) if-else
(B) case
(C) casez
(D) repeat
- 下列哪些Verilog的基本门级元件是多输出(D)
(A) nand
(B) nor
(C) and
(D) not
- Verilog 连线类型的驱动强度说明被省略时,则默认的输出驱动强度为(B )
(A) supply
(B) strong
(C) pull
(D) weak
- 元件实例语句“noti1 #(1:34,2:3:4,1:2:4) Ulout,in,ctrD;"中截至延迟的典型值为(B )
(A)1
(B)2
(C)3
(D)4
- 已知“a=1b' 1; b=3b'001;"那么{a,b}= ( C)
(A) 4b"0011
(B) 3b'001
(C) 4b'1001
(D) 3b'101
- 根据调用子模块的不同抽象级别,模块的结构描述可以分为(ABC )
(A) 模块级
(B) 门级
(C) 开关级
(D) 寄存器级
- 在verilog语言中, a=4b'1011. 那么&a= ( D)
(A) 4b'1011
(B) 4)1111
(C) 1b'1
(D) 1b'0
- 在verilog,语言中整型数据与(C)位寄存器数据在实际意义上是相同的。
(A) 8
(B) 16
- 32
- 64
- 状态机编码方式中,其中 A 占用触发 器较多,但其简单的编码方式可减少状态译码组合逻辑资源,且易于控制非法状态。
A. 一位热码编码
B. 顺序编码
C 状态位直接输出型编码
- 格雷码编码
- 综合是EDA设计流程的关键步骤。在下面对综合的描述中,
错误的是(D)
A.综合就是把抽象设计层次中的一.种表示转化成另--种表示的过程。
B.综合就是将电路的高级语言转化成低级的,可与FPGA/ CPLD的基本结构相映射的网表文件。
C.为实现系统的速度、面积、性能的要求,需要对综合加以约束,称为综合约束。
D.综合可理解为,将软件描述与给定的硬件结构用电路网表文件表示的映射过程,并且这种映射关系是唯-的(即综合结果是唯-的)。
- 规模可编程器件主要有FPGA. CPLD两类,其中CPLD通过_ A_ 实现其逻辑功能。
A.可编程乘积项逻辑
B.查找表(LUT)
C.输入缓冲
D.输出缓冲
- 不完整的IF语句,其综合结果可实现(A) 。
A.时序逻辑电路
B.组合逻辑电路
C.双向电路
D.三态控制电路
- 基于EDA软件的FPGA/CPLD设计流程为:原理图/HDL文本输入→(A) →综合→适配一____ 一编程下载一硬件测试。
A.功能仿真
B.时序仿真
C.逻辑综合
D.配置
- IP核在EDA技术和开发中具有十分重要的地位:提供用VHDL等硬件描述语言描述的功能块,但不涉及实现该功能块的具体电路的IP核为(A) 。
A.软IP
B.固IP
C.硬IP
D.全对
- 计算题(更全的,就看实验5678)
(1)2/4分频器Verilog描述语句
module div_2_4(reset,clk_in,clk2_out,clk4_out);
input clk_in,reset;
output clk2_out,clk4_out;
reg clk2_out,clk4_out;
always @(posedge clk_in) //时钟上升沿触发
begin
if(~reset)begin //同步复位
clk2_out<=0;
clk4_out<=0;
end
else begin
clk2_out<= ~clk2_out ;
if(~ clk2_out) clk4_out<= ~clk4_out ;
end
end
Endmodule
(2)1/6,10分频参考程序(N=6,10)
module div_6(reset,clk_in,clk6_out,clk10_out);
input clk_in,reset;
output clk6_out,clk10_out;
reg clk6_out,clk10_out;
parameter WIDTH=3;
reg [WIDTH:0]temp1,[WIDTH:0]temp2;
always @(posedge clk_in)
begin
if(~reset)begin
clk6_out<=0;
clk10_out<=0;
temp1<=2;temp2<=4; end //使复位后的第一个时钟
else begin //就开始分频
temp1= temp1+1 ; temp2= temp2+1;
if(temp1>2) begin clk6_out<= ~clk6_out ;
temp1<=0; end
if(temp2>4) begin clk10_out<= ~clk10_out ;
temp2<=0; end
end
end
endmodule
- 占空比为50%的三分频器Verilog描述程序
module fen3(clkin,qout1,qout2,clkout);
input clkin;
output reg qout1,qout2;
output clkout; wire clkout;
assign clkout=qout1|qout2;
always @(posedge clkin)
begin : blk1
reg[1:0] cnt;
if(clkin==1'b1)begin
if(cnt<1)begin
qout1<=1'b1;
cnt<=cnt+1;end
else begin
qout1<=1'b0;
cnt<=cnt+1;
if(cnt>1) cnt<=0;end
end
end
always @(negedge clkin)
begin : blk2
reg[1:0] cnt;
if(clkin==1'b0)begin
if(cnt<1)begin
qout2<=1'b1;
cnt<=cnt+1;end
else begin
qout2<=1'b0;
cnt<=cnt+1;
if(cnt>1) cnt<=0;end
end
end
endmodule
(4)由输入信号检测010序列Verilong程序
module mealyfsm(clk,reset,din,dout, cs_state,ns_state);
output dout;
output [1:0] cs_state,ns_state;
input clk,reset,din;
reg dout;
//用格雷码编码声明状态值
parameter [1:0] s0=2'b00,s1=2'b01,s2=2'b11;
reg [1:0]cs,ns;
assign cs_state=cs,ns_state=ns;
always@(posedge clk,posedge reset)begin
if(reset==1'b1) //异步复位,高电平有效
cs<=s0;
else
cs<=ns; end
//次态计算及输出信号产生,
always@(cs,din)
case(cs)
s0:begin
dout=1'b0;
if(din===1'bx)ns=s0;
else ns=(din)?s0:s1;
end
s1:begin
dout=1'b0;
ns=(!din)?s1:s2;
end
s2:begin
dout=(din)?1'b0:1'b1;
ns=(din)?s0:s1;
end
default:begin
dout=1'b0;
ns=s0;
end
endcase
endmodule
(5)BCD码编码器程序:采用行为描述实现编码逻辑电路功能
module BCD_Enc(in,out);
input[9:0] in;
output[3:0] out; reg[3:0]out;
always @(in) //always过程语句
begin
case(in)
10‘b00_0000_0001:out=0;
10‘b00_0000_0010:out=1;
10‘b00_0000_0100:out=2;
10‘b00_0000_1000:out=3;
10‘b00_0001_0000:out=4;
10‘b00_0010_0000:out=5;
10‘b00_0100_0000:out=6;
10‘b00_1000_0000:out=7;
10‘b01_0000_0000:out=8;
10‘b10_0000_0000:out=9;
endcase
end
Endmodule
- BCD码函数调用
module bcd_enc(in,out);
input[9:0]in; output[3:0]out;
assign out=func_enc(in); //函数调用
function [3:0] func_enc; //函数定义
input[9:0] in;
case(in)
10'b00_0000_0001:func_enc=0;
10'b00_0000_0010:func_enc=1;
10'b00_0000_0100:func_enc=2;
10'b00_0000_1000:func_enc=3;
10'b00_0001_0000:func_enc=4;
10'b00_0010_0000:func_enc=5;
10'b00_0100_0000:func_enc=6;
10'b00_1000_0000:func_enc=7;
10'b01_0000_0000:func_enc=8;
10'b10_0000_0000:func_enc=9;
endcase
endfunction
endmodule
最后
以上就是俊秀小虾米最近收集整理的关于EDA技术题库EDA技术题库的全部内容,更多相关EDA技术题库EDA技术题库内容请搜索靠谱客的其他文章。
发表评论 取消回复