文章目录
(一)半加器
(二)作业题:半减器
(三)全加器
(四)作业题:全减器
(五)作业题:举重裁判电路
(六)作业题:一个电路有32位输入,该电路输出输入端口1的个数
(七)含异步清0和同步使能控制的D触发器
(八)含同步清0的D触发器
(九)含同步清0的D触发器例题(考试考同步)
(十)作业题:用verilog实现上面的D触发器电路
(十一)16进制计数器
(十二)作业题:60进制计数器
(十三)作业题:设计一个2分频的分频器
(十四)作业题:用Verilog描述下列状态机
(十五)作业题:编写一个执行10位二进制向量做算术移位的函数
(十六)作业题:编写一个VerilogHDL仿真用程序
(一)半加器

| a | b | so(结果位) | co(进位位) |
|---|---|---|---|
| 0 | 0 | 0 | 0 |
| 0 | 1 | 1 | 0 |
| 1 | 0 | 1 | 0 |
| 1 | 1 | 0 | 1 |
module h_adder(a,b,co,so);
output co,so;
input a,b;
assign so=a^b;//异或
assign co=a&b;//与门
endmodule

(二)作业题:半减器

| x | y | diff(结果位) | s_out(借位位) |
|---|---|---|---|
| 0 | 0 | 0 | 0 |
| 0 | 1 | 1 | 1 |
| 1 | 0 | 1 | 0 |
| 1 | 1 | 0 | 0 |
module h_suber(x,y,diff,s_out);
output diff,s_out;
input x,y;
assign diff=x^y;
assign s_out=(~x)&y;
endmodule

(三)全加器
利用半加器和或门实现全加器

半加器代码如下:
module h_adder(a,b,co,so);
output co,so;
input a,b;
assign so=a^b;//异或
assign co=a&b;//与门
endmodule
或门代码如下:
module or2a(a,b,c);
output c;
input a,b;
assign c=a|b;
endmodule
全加器代码如下:
module f_adder(ain,bin,cin,cout,sum);
output sum,cout;
input ain,bin,cin;
wire d,e,f;
h_adder u1(.a(ain),.b(bin),.co(d),.so(e));
h_adder u2(.a(e),.b(cin),.co(f),.so(sum));
or2a u3(.a(d),.b(f),.c(cout));
endmodule

(四)作业题:全减器
利用半减器和或门实现全减器

半减器代码如下:
module h_suber(x,y,diff,s_out);
output diff,s_out;
input x,y;
assign diff=x^y;
assign s_out=(~x)&y;
endmodule
全减器代码如下:
module f_suber(x,y,sub_in,diffr,sub_out);
output diffr,sub_out;
input x,y,sub_in;
wire e,f,g;
h_suber u1(.x(x),.y(y),.diff(e),.s_out(g));
h_suber u2(.x(e),.y(sub_in),.diff(diffr),.s_out(f));
assign sub_out=f|g;
endmodule

(五)作业题:举重裁判电路

解法一:
module judge(A,B,C,Y);
input A,B,C;
output Y;
reg Y;
always@(A or B or C or Y)
begin
case({A,B,C})
3'b000:Y<=0;
3'b001:Y<=0;
3'b010:Y<=0;
3'b011:Y<=0;
3'b100:Y<=0;
3'b101:Y<=1;
3'b110:Y<=1;
3'b111:Y<=1;
default:Y<=0;
endcase
end
endmodule
解法二:
module judge(A,B,C,Y);
input A,B,C;
output Y;
reg Y;
always@*
casex({A,B,C})
3'B0ZZ,3'B100:Y=0;
3'B101,3'B110,3'B111:Y=1;
default:Y=0;
endcase
endmodule

(六)作业题:一个电路有32位输入,该电路输出输入端口1的个数
module count1(int,out);
input [31:0] int;
output [5:0] out;
reg [5:0] i,out;
always @(int)
begin
out=0;
for(i=1;i<33;i=i+1)
if((int>>i)%2==1)
out=out+1;
end
endmodule
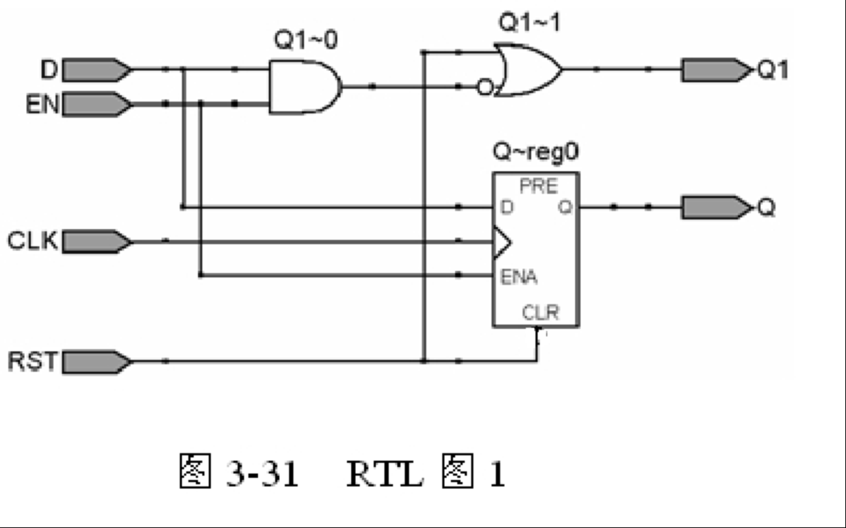
(七)含异步清0和同步使能控制的D触发器

module DFF2_yibu(clk,d,q,rst,en);
output q;
input clk,d,rst,en;
reg q;//要赋值,必须是reg类型(寄存器类型)
always@(posedge clk or negedge rst)
begin
if(!rst) q<=0;
else if(en) q<=d;//只有en使能了,才赋新值(到了这一步,说明rst=1)
end
endmodule
(八)含同步清0的D触发器

module DFF2_tongbu(clk,d,q,rst);
output q;
input clk,d,rst;
reg q;
always@(posedge clk)//默认是上升沿
begin
if(rst) q<=0; //如果rst=1,输出恒为0,相当于清0
else q<=d;
end
endmodule
(九)含同步清0的D触发器例题(考试考同步)

(十)作业题:用verilog实现上面的D触发器电路

module DFF2(d,en,clk,rst,q1,q);
output q1,q;
input d,en,clk,rst;
reg q;
wire n;
assign n=d&en;
assign q1=(~n)|rst;
always@(posedge clk or posedge rst)
begin
if(rst) q<=0;
else if(en) q<=d; //来到这一步,说明上面的if语句不成立
end
endmodule
(十一)16进制计数器
说明:16进制计数器(0000~1111)
注意:计数器不需要赋初值,如果初值是1001 就变成1010(无论如何都是在16个状态内循环)
module cnt16(clk,q);
input clk;
output [3:0]q;
reg [3:0]qq;
always@(posedge clk)
qq<=qq+1;
assign q=qq;
endmodule
由于计数器不受控,我们通常加一个异步清零(rst)和同步使能(en)等等去加以控制
其中load为装载信号,d为需要被装载的值
我们假设控制信号(load、en和rst)均高电平有效、load优先级高于en的优先级
module cnt16(clk,q,rst,en,load,d);
input clk,rst,en,load;
input [3:0]d;
output [3:0]q;
reg [3:0]qq;
always@(posedge clk,posedge rst)
if(rst) qq<=0;
else if(load) qq<=d;
else if(en) qq<=qq+1;
else qq<=qq; (en使能信号没有使能,只能保持原样了)
assign q=qq;
endmodule
加上溢出信号
module cnt16(clk,q,rst,en,load,d,count);
input clk,rst,en,load;
input [3:0]d;
output [3:0]q;
output count;
reg [3:0]qq;
always@(posedge clk,posedge rst)
if(rst) qq<=0;
else if(load) qq<=d;
else if(en) qq<=qq+1;
else qq<=qq;
assign q=qq;
assign count=(qq==4'b1111);
endmodule
(十二)作业题:60进制计数器

我们最好是加上count
刚才的16进制计数器因为4个1刚好是15,所以无需加以判断,但是6个1并不等于59
module cnt60(clk,q,rst,en,load,d,count);
input clk,rst,en,load;
input [5:0]d;
output [5:0]q;
output count;
reg [5:0]qq;
always@(posedge clk,negedge rst)
if(!rst) qq<=0;
else if(!load) qq<=d;
else if(!en)
if(qq<59) qq<=qq+1;
else qq<=0;
else qq<=qq;
assign q=qq;
assign count=(qq==6'b111011);
endmodule
(十三)作业题:设计一个2分频的分频器

module div_2(q,clk,reset);
output q;
input reset;
input clk;
reg q;
always@(posedge clk or posedge reset)
if(reset)
q<=1'b0;//复位置零
else
q<=~q;//否则q信号翻转
endmodule

(十四)作业题:用Verilog描述下列状态机

module machine(clk,rst,y);
parameter s0=0,s1=1,s2=2,s3=3;
reg[1:0] c_state,n_state;
input clk,rst;
output[2:0] y;
reg[2:0] y;
always @(posedge clk,negedge rst)
if(!rst) c_state <= s0;
else c_state <= n_state;
always @(*)
case(c_state)
s0: begin n_state = s1; y = 3'b000; end
s1: begin n_state = s2; y = 3'b001; end
s2: begin n_state = s3; y = 3'b010; end
s3: begin n_state = s0; y = 3'b100; end
default: begin n_state = s0; y = 3'b000; end
endcase
endmodule

(十五)作业题:编写一个执行10位二进制向量做算术移位的函数
module move_10(data,dir,num,outcome);
input[9:0] data;
input dir;
input[3:0] num;
output[9:0] outcome;
function[9:0] move;
input[9:0] data;
input dir;
input[3:0] num;
reg[9:0] data;
if(dir)
move = data << num;
else
move = data >> num;
endfunction
assign outcome = move(data,dir,num);
endmodule

(十六)作业题:编写一个VerilogHDL仿真用程序
要求输出时钟激励信号clk,周期为50ns,产生一个RST复位激励信号,要求RST信号在仿真开始保持低电平,过150ns变为高电平,再过100ns恢复为低电平,产生一个EN信号,开始保持高电平,过700ns变为低电平,再过100ns变为高电平。用这些激励信号测试一个计数器。
`timescale 10ns/1ps
module CNT_tb;
reg clk,RST,EN;
wire[3:0] q;
initial
begin
clk = 0;
foreve #2.5 clk = ~clk;
end
initial
begin
RST = 0;
EN = 1;
#15 RST=1;
#10 RST=0;
#45 EN=0;
#10 EN=1;
#10 $stop;
end
CNT CNT(.clk(clk),.RST(RST),.EN(EN),.q(q);
endmodule
module CNT(clk,RST,EN,q);
input clk,RST,EN;
output reg[3:0] q;
always@(posedge clk,posedge RST)
begin
if(RST) q<=0;
else if(!EN) q<=q;
else q<=q+1;
end
endmodule
最后
以上就是活力过客最近收集整理的关于EDA/Verilog期末考试复习资料文章目录(一)半加器(二)作业题:半减器(三)全加器(四)作业题:全减器(五)作业题:举重裁判电路(六)作业题:一个电路有32位输入,该电路输出输入端口1的个数(七)含异步清0和同步使能控制的D触发器(八)含同步清0的D触发器(九)含同步清0的D触发器例题(考试考同步)(十)作业题:用verilog实现上面的D触发器电路(十一)16进制计数器(十二)作业题:60进制计数器(十三)作业题:设计一个2分频的分频器(十四)作业题:用Verilog描述下列状态机(十的全部内容,更多相关EDA/Verilog期末考试复习资料文章目录(一)半加器(二)作业题:半减器(三)全加器(四)作业题:全减器(五)作业题:举重裁判电路(六)作业题:一个电路有32位输入,该电路输出输入端口1内容请搜索靠谱客的其他文章。
发表评论 取消回复